Monday, August 16th, 2021 AT 10:18 PM
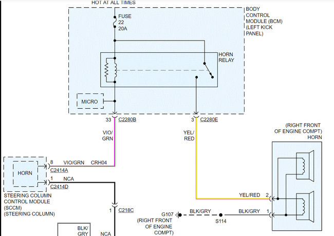
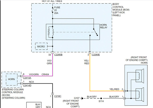
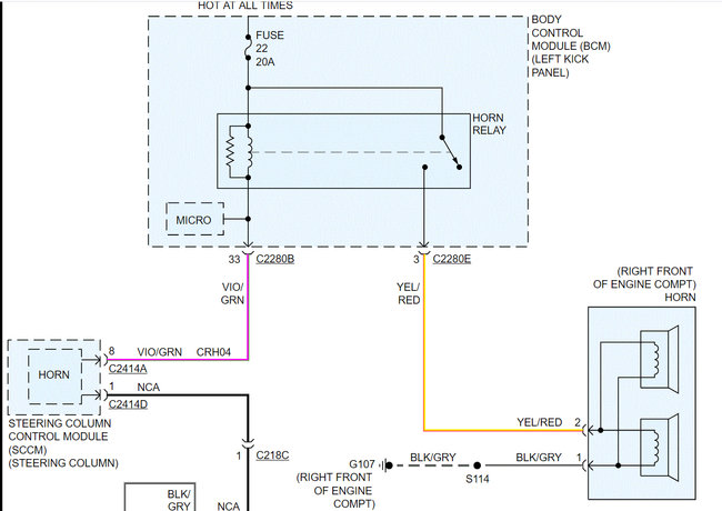
I'm having an issue with my horn not working. I've check the fuse and it's good. I even tested the horn by putting 12v to it and it works. I believe the clock spring is the issue but I need the wiring diagram and connector pinout to check it.

