Cruise control does not work

Tiny
LANGSDORF AUTOMOTIVE
  • MEMBER
  • 2002 FORD F-150
  • 4.2L
  • V6
  • 4WD
  • MANUAL
  • 175,000 MILES
The cruise control doesn't work. The brake pressure switch and cruise buttons on steering wheel have been replaced. During the self diagnostic test only the cruise light comes on for the "on" and "off" buttons when pressed.
Tuesday, April 30th, 2019 AT 7:55 AM

11 Replies

Tiny
LANGSDORF AUTOMOTIVE
  • MEMBER
  • 7 POSTS
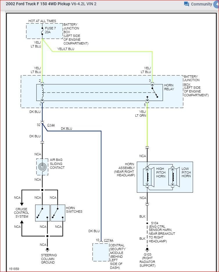
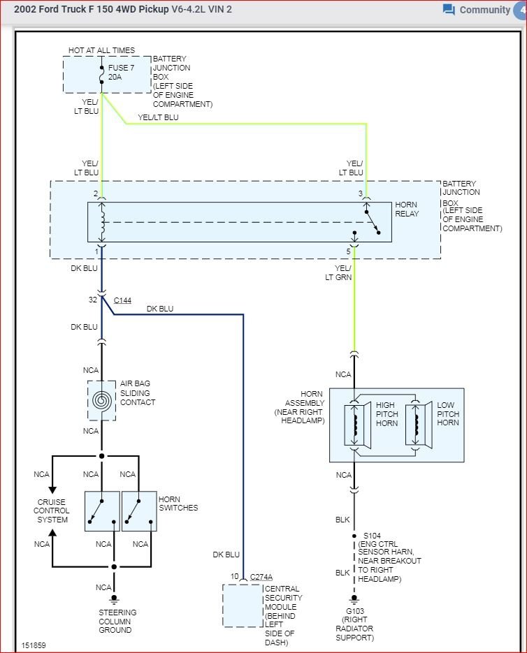
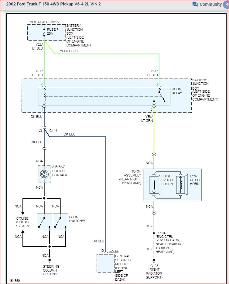
The horn doesn't always work either.
Was this
answer
helpful?
Yes
No
Tuesday, April 30th, 2019 AT 8:57 AM
Tiny
KASEKENNY
  • MECHANIC
  • 18,907 POSTS
Just so I understand the issue. The cruise does not work but when you press the on/off button the cruise light comes on in the cluster but it does not set/hold the speed?

I see you replaced the brake pressure switch on the master cylinder correct? Have you monitored the brake pedal position switch to see if the control module says the brakes are applied? If the light on the cluster comes on when you press the switch on the steering wheel then it sends the message down to the servo where it needs to see the brake applied input is off and it gets this from the position switch and the pressure switch.

Also, if you look at this servo on the wiring diagram then you will see each of the inputs that it needs to see in order to activate the cruise. The lamp in the cluster is turned on by getting the signal on the Control Switch in (blue/black) and then sends the signal on the Set Lamp Output (Org/Lt Blu) signal that goes to the cluster. This shows that the circuit from the switch all the way to the cluster is working so I would not think the clock-spring is the issue. I suspect you have another input that is preventing your cruise from setting.

I don't think the horn not working is related because this has the buttons on the steering wheel and not the horn pad as the switch correct?

I would investigate all the inputs to the servo before replacing the clock-spring.

Let me know if you need more information. Thanks
Was this
answer
helpful?
Yes
No
+1
Tuesday, April 30th, 2019 AT 5:23 PM
Tiny
LANGSDORF AUTOMOTIVE
  • MEMBER
  • 7 POSTS
Sorry to leave you hanging, but I really needed to do some other repairs. I will do some more testing tomorrow (Thursday) and get back to you, okay?
Was this
answer
helpful?
Yes
No
Wednesday, May 1st, 2019 AT 2:46 PM
Tiny
KASEKENNY
  • MECHANIC
  • 18,907 POSTS
No problem. Just update the post whenever you can. I get alerts to my phone when you do. Thanks.
Was this
answer
helpful?
Yes
No
Wednesday, May 1st, 2019 AT 4:07 PM
Tiny
LANGSDORF AUTOMOTIVE
  • MEMBER
  • 7 POSTS
This truck has a manual transmission
The horn (when it works)is blown by pushing on the air bag not a button
When I try to use the "self-diagnostic system"it works with the left side buttons OFF or the ON (dash lite comes on) but when I go to the right side it doesnt lite up when I push the RES or the SET/ ACCEL or the COAST so I have no 'flash codes to go by
The trucks owner put the brake pressure switch and the cruise switches on the truck The pressure switch came with a double ended pigtail so there is only one way to install it
Do you have the unhooked or hooked up voltages to be found at the servo?
Was this
answer
helpful?
Yes
No
Thursday, May 2nd, 2019 AT 8:48 AM
Tiny
KASEKENNY
  • MECHANIC
  • 18,907 POSTS
Ok. When you say the self diag system you are talking about when you press the trip reset while turning the key on?

If so, this is telling you if there are codes in just the cluster. If you have none here then I would think the On/Off button are working. Also, you said the cruise light in the dash work correct? If this is the case, then your switches to the servo and the servo to the cluster are working.

If cruise does not set then we need to see if you have voltage on the brake position switch. It looks like the brake pressure switch is used as a back up. According to this attachment the BPP is normally closed to ground so you should have 0 volts on the Tan/Lt Blue wire with the system on and brakes released. When you press the brakes or clutch it should go to 12 volts.

However, due to you saying that the horn pad is the air bag, you may be correct that these switches uses the air bag sliding contacts which is the same thing the horn uses.

So I would suggest testing your brake input to the servo and if that appears to be operating and your indicator in the dash is working then the set/accel buttons are not working because of the contacts.
Was this
answer
helpful?
Yes
No
+1
Thursday, May 2nd, 2019 AT 1:02 PM
Tiny
LANGSDORF AUTOMOTIVE
  • MEMBER
  • 7 POSTS
According to my ShopkeyPro system it says to hold speed control OFF button and turn the key to the RUN position CRUISE indicator should flash once to indicate successful entry into the self-diagnostic mode (it does) Rease speed control OFF button Within 5 seconds in entering self-diagnostic press speed control ON button Press remaining buttons in the following sequence ON, RES, COAST and SET/ACCEL As each button is pressed CRUISE indicator will flash Wait until light goes out then press the next button After sequence has been completed indicator light will flash to indicate test passed or failed Perform appropriate test See FLASH CODE INDEX table Etc Etc.
The problem with this that no lights flash on the right side buttons It works with the OFF and ON buttons but not the others These switches are new (not that means anything anymore)
Brake switch works properly
When I looked at the wire diagram it looks like the right side switches go through a different part of the clock spring thus my question I really dont like just throwing parts at it but that is what the owner was doing and got sick of it (U Tube didnt help anymore)
Was this
answer
helpful?
Yes
No
Thursday, May 2nd, 2019 AT 2:23 PM
Tiny
KASEKENNY
  • MECHANIC
  • 18,907 POSTS
Sorry. You are correct. The speed control test is actuated that way. I was thinking of the cluster itself. However, you are getting the result showing that the on/off switches are working but the ones on the other side are not. The horn does not work either so at this point I think you are good with the air bag sliding contact as your issue.

I agree that I don't want to throw parts at it but here is how that test works. When you enter the diag mode and you press the buttons, when the circuit is completed all the way from the switch to the cluster/display, the lamp flashes. If it is not flashing when you press these buttons then the signal is not getting to the cluster.

Keep in mind, these sliding contacts in the clockspring can allow some of the function to work while others do not. Basically, the rule of thumb I go by is if all functionality in the steering wheel controls, airbag light is on, or horn doesn't work, its the clockspring.

Here is a pretty good video that shows one and explains it a little bit more.

https://youtu.be/a-PC8r8GkCA
Was this
answer
helpful?
Yes
No
+1
Thursday, May 2nd, 2019 AT 2:44 PM
Tiny
LANGSDORF AUTOMOTIVE
  • MEMBER
  • 7 POSTS
I guess basically all I needed was someone to see it the way I was That way I have a reason for doing it That was a good video so another reason for doing it I have disassembled a clock spring so I know how fragile they can be
Was this
answer
helpful?
Yes
No
Thursday, May 2nd, 2019 AT 3:06 PM
Tiny
KASEKENNY
  • MECHANIC
  • 18,907 POSTS
Good deal. Come back with more questions. We are here to help so whatever you have there is someone on here that can help.
Was this
answer
helpful?
Yes
No
+1
Thursday, May 2nd, 2019 AT 3:23 PM
Tiny
LANGSDORF AUTOMOTIVE
  • MEMBER
  • 7 POSTS
Believe me I will be back That was almost fun!
Was this
answer
helpful?
Yes
No
Thursday, May 2nd, 2019 AT 4:00 PM

Please login or register to post a reply.