Climate control HVAC system wiring diagram needed?

Tiny
MARLIN KOHLMEYER
  • MEMBER
  • 1994 BUICK LESABRE LIMITED
  • 3.8L
  • V6
  • 4WD
  • AUTOMATIC
  • 55,000 MILES
The blower motor does not work. I would like a wiring diagram of the system. We have tried everything and need more help.
Sunday, September 4th, 2022 AT 12:21 PM

3 Replies

Tiny
JACOBANDNICKOLAS
  • MECHANIC
  • 110,192 POSTS
Hi,

I would be happy to help, but I don't know the model of the vehicle. Limited indicates a package the vehicle came from the factory with. I need to know if it is a Century, a Le Sabre, and so on.

Let me know.

Joe
Was this
answer
helpful?
Yes
No
Sunday, September 4th, 2022 AT 8:46 PM
Tiny
MARLIN KOHLMEYER
  • MEMBER
  • 2 POSTS
It is a LeSabre.
Was this
answer
helpful?
Yes
No
Thursday, September 8th, 2022 AT 3:12 AM
Tiny
JACOBANDNICKOLAS
  • MECHANIC
  • 110,192 POSTS
Hi,

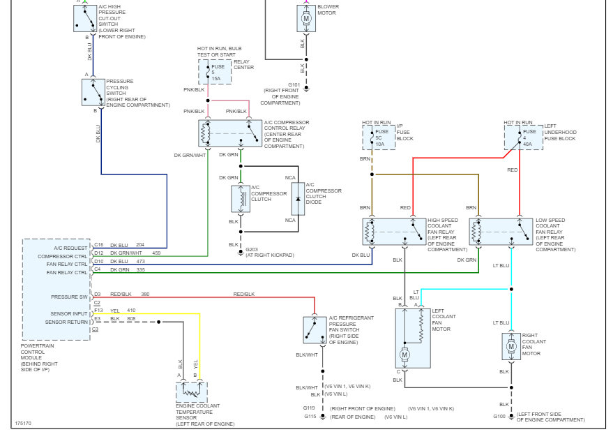
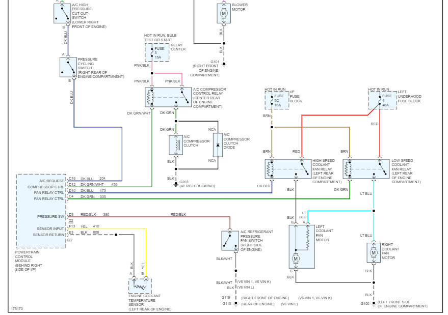
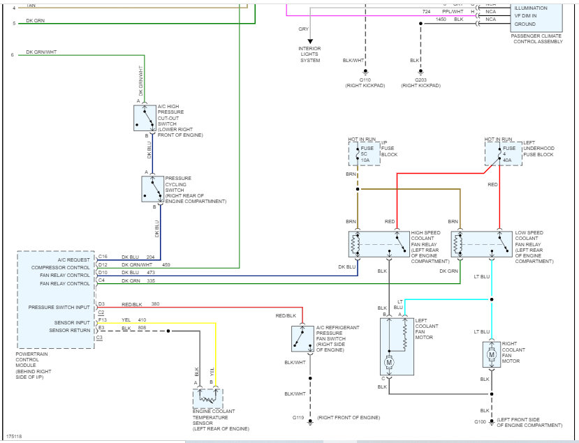
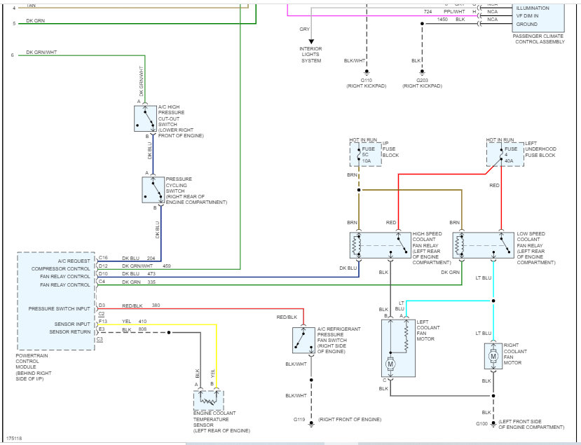
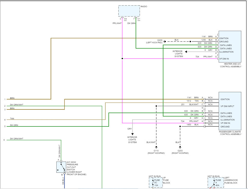
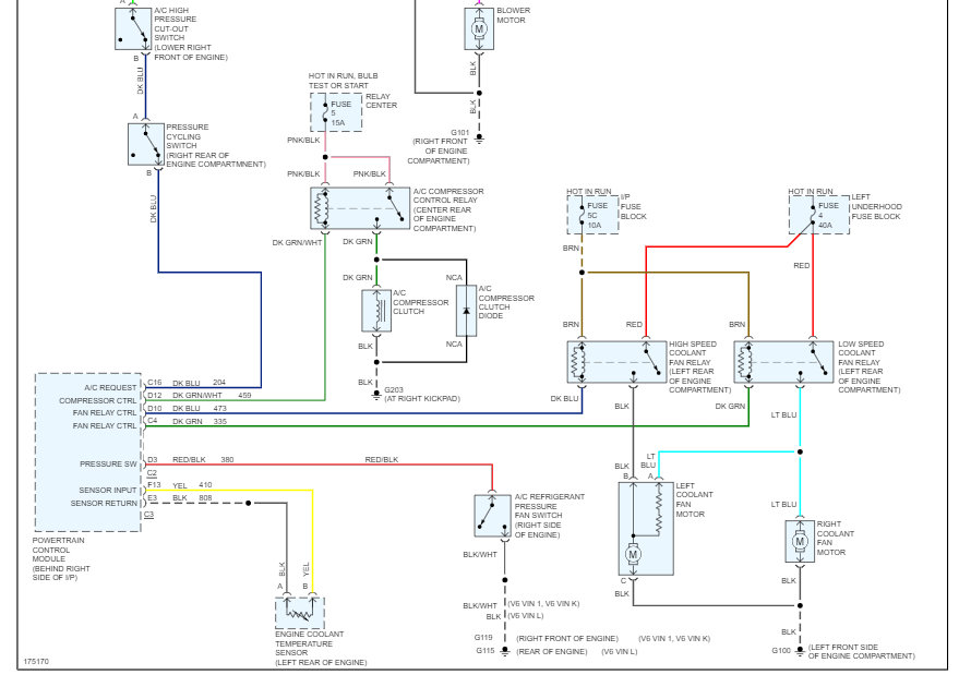
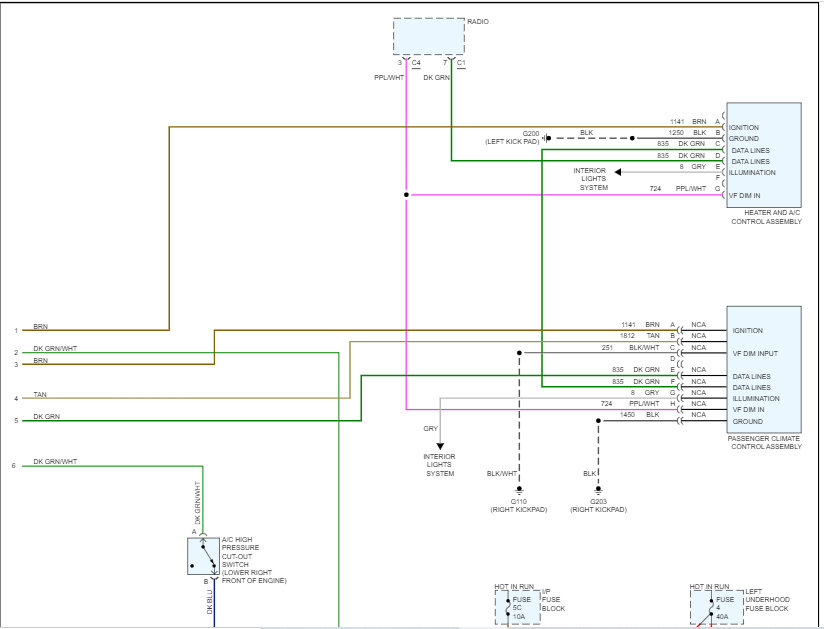
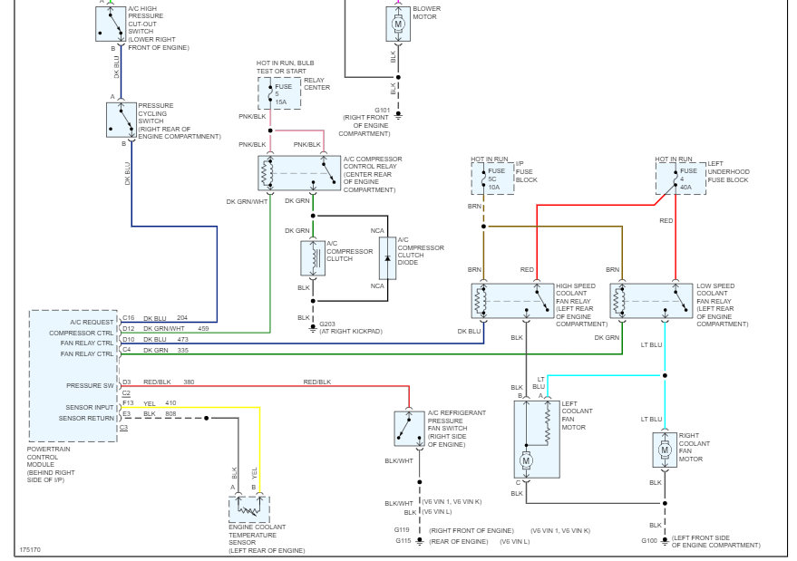
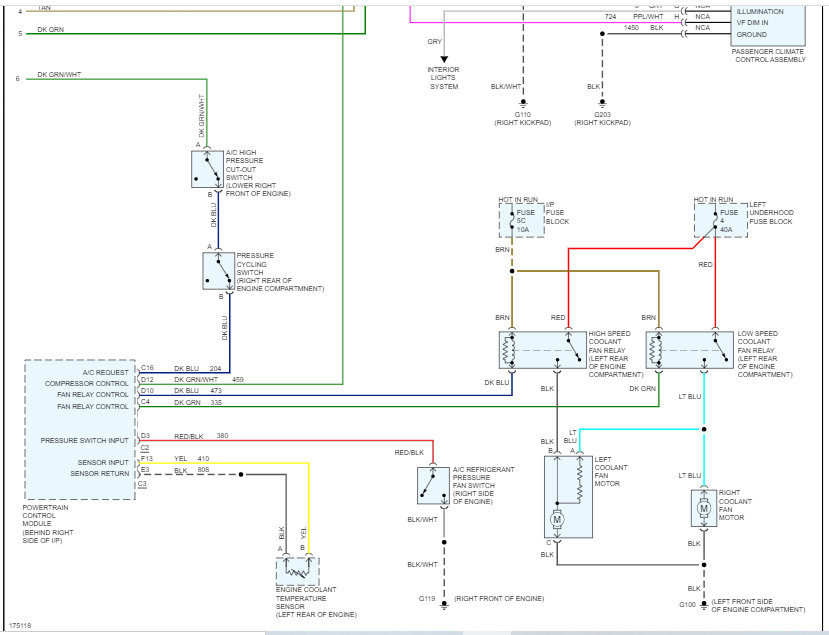
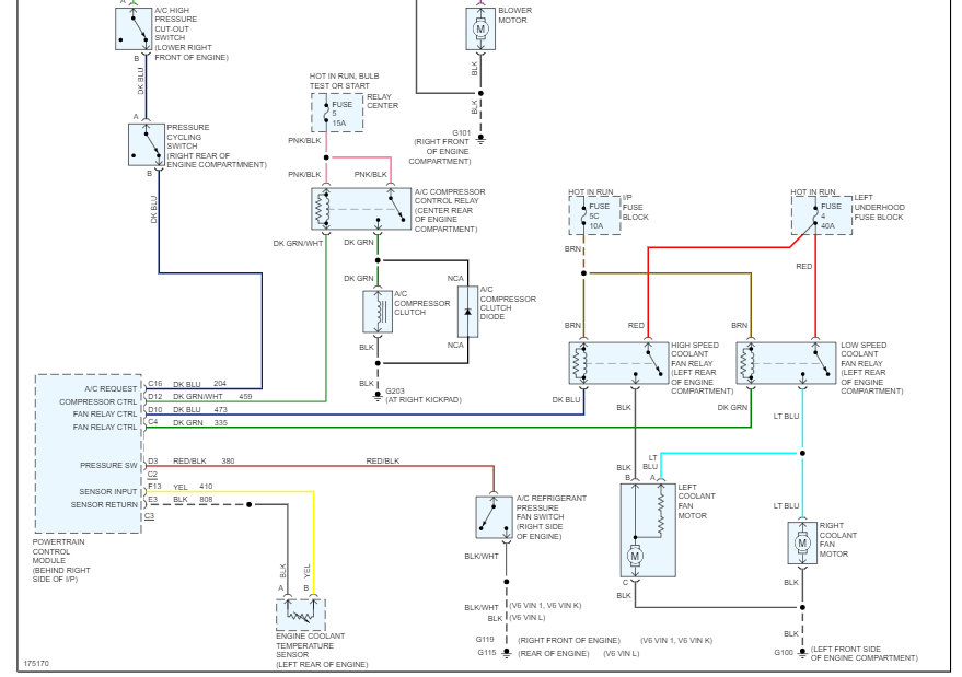
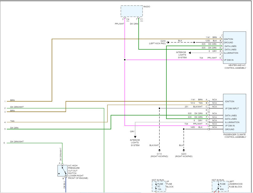
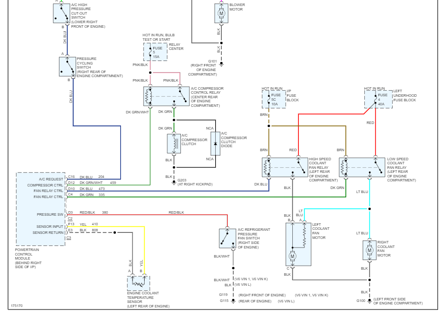
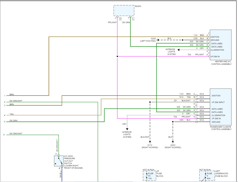
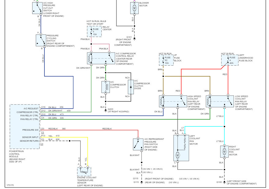
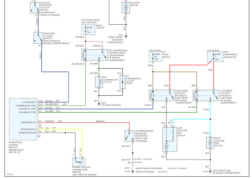
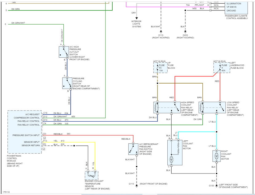
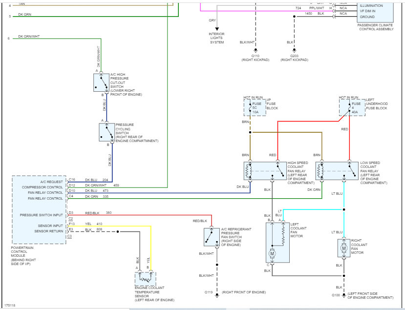
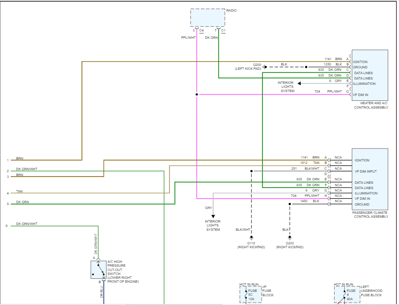
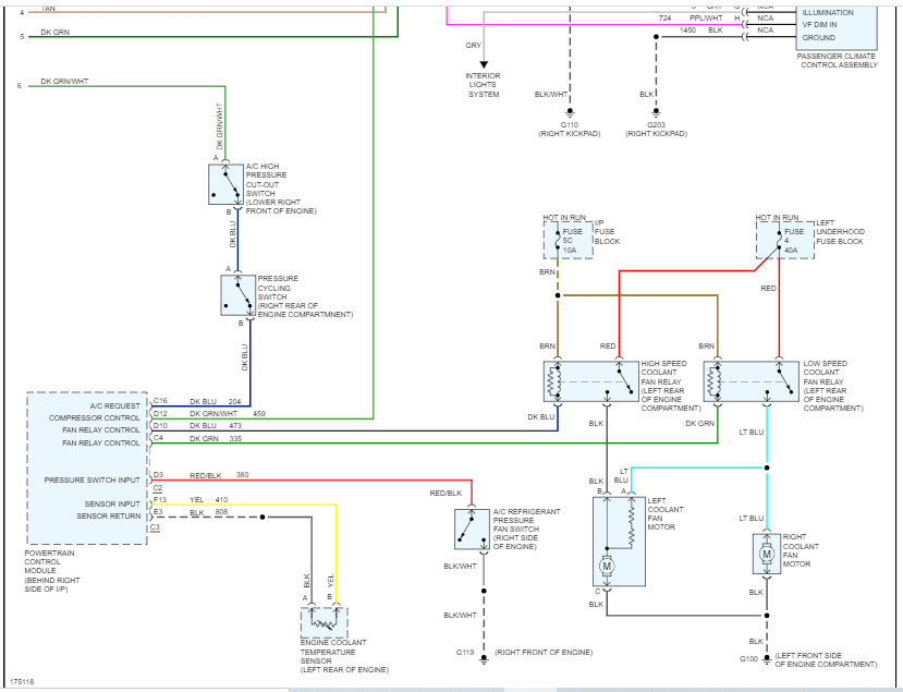
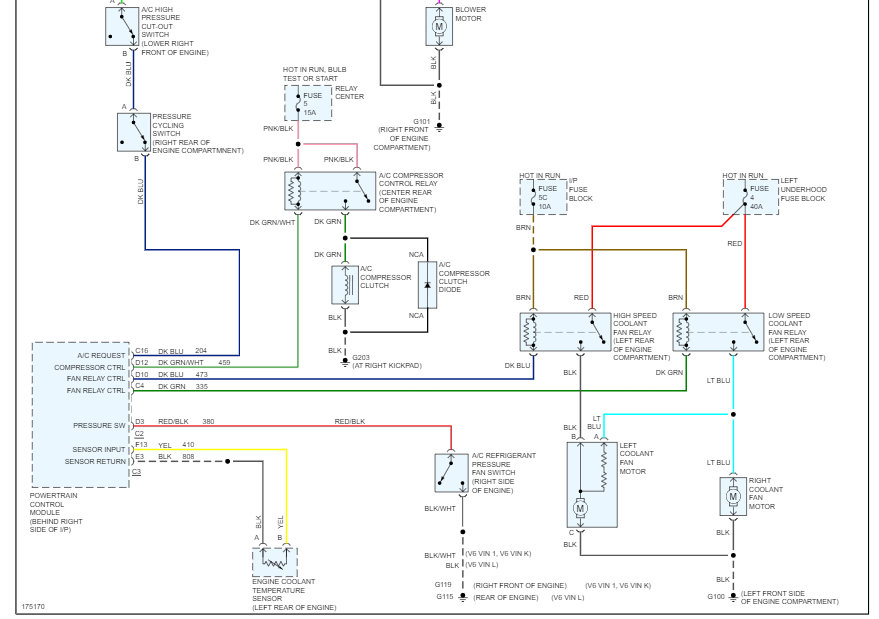
Okay, that helps. If you look below, you will see the wiring schematics. The first four pics are for automatic climate control and the last two are for manual climate control. I'm not sure which you have and didn't want to delay you anymore, so I attached both.

I had to cut each schematic in half to make them readable. That is why there are so many below. However, I did overlap them so you can follow from one to the next.

Here is a link you may find helpful:

https://www.2carpros.com/articles/how-to-check-wiring

Let me know if there is anything I can do to help. I'm usually good with electrical issues.

Take care,

Joe
Was this
answer
helpful?
Yes
No
-1
Thursday, September 8th, 2022 AT 7:25 PM

Please login or register to post a reply.