A/C clutch not engaging

Tiny
LILLY2016
  • MEMBER
  • 2014 TOYOTA COROLLA
  • 4 CYL
  • 2WD
  • AUTOMATIC
  • 100,000 MILES
A/C not working system has static charge. Indicator light on panel is working. My questions is, where is the A/C clutch relay located? Unable to locate not in the main relay fuse box under the hood.
Friday, March 27th, 2020 AT 12:46 PM

12 Replies

Tiny
JACOBANDNICKOLAS
  • MECHANIC
  • 110,192 POSTS
Hi,

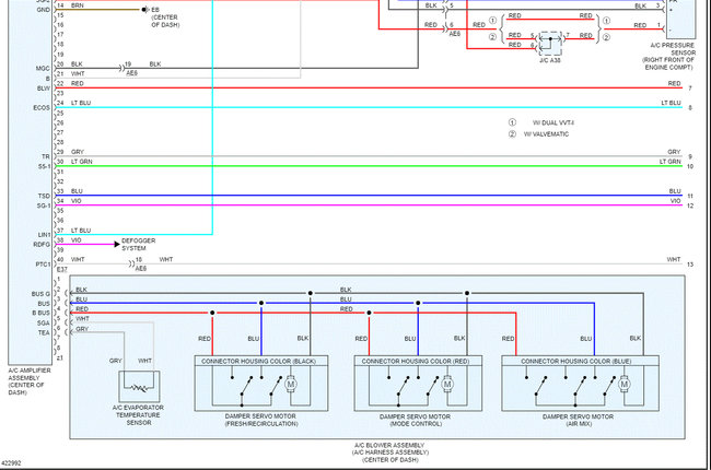
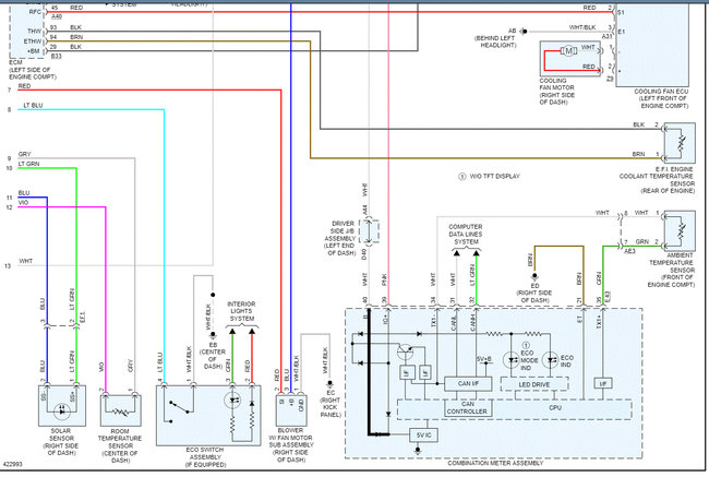
The first 4 pictures below show the wiring schematic for the HVAC. I'm adding all of them in case you need them.

Next, have you checked the low pressure switch? (see pic 5) Are you getting power to the compressor?

Here is a link you may find helpful as well:

https://www.2carpros.com/articles/car-air-conditioner-not-working-or-is-weak

Let me know what the static pressure reading is and the outside temp when checked.

Joe
Was this
answer
helpful?
Yes
No
Friday, March 27th, 2020 AT 5:04 PM
Tiny
LILLY2016
  • MEMBER
  • 7 POSTS
No, I did not check the pressure sensor do have a clip to jump it out. Will also check power to the compressor some guidance on how/where to check would be helpful. I do have a fluke to use. Static pressure when I checked it was around 90 psi 75 degrees outside. Will check again though and let you know.
Was this
answer
helpful?
Yes
No
Friday, March 27th, 2020 AT 5:55 PM
Tiny
JACOBANDNICKOLAS
  • MECHANIC
  • 110,192 POSTS
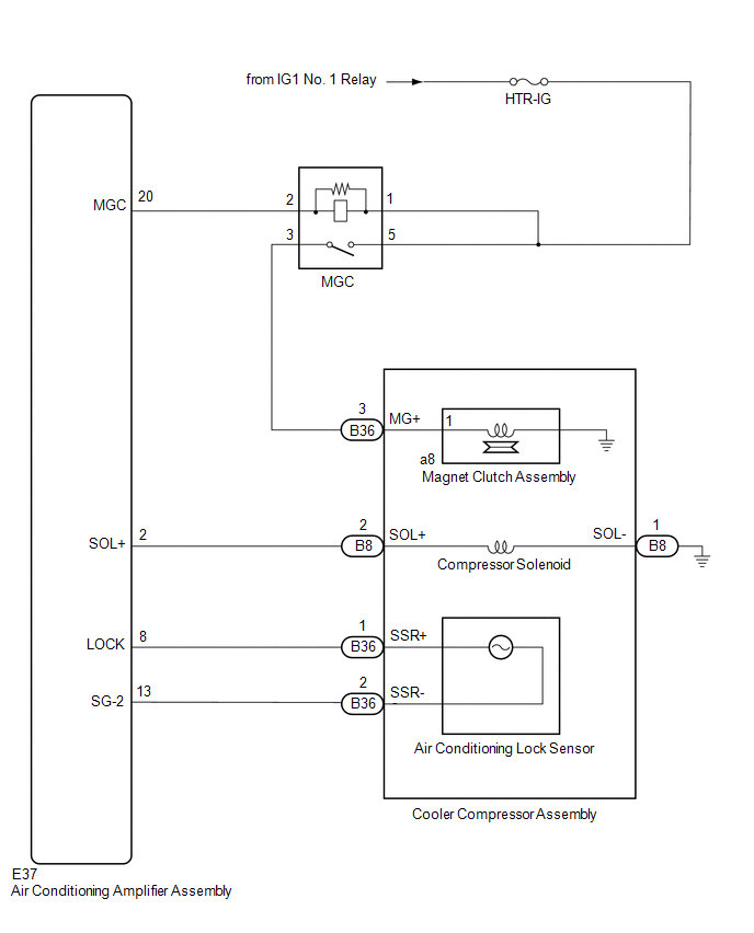
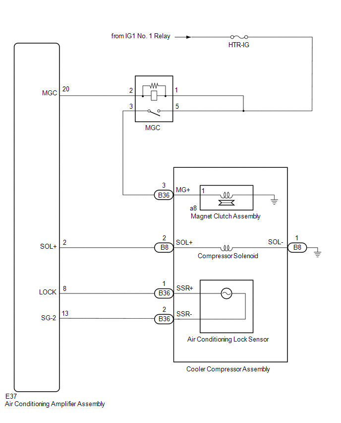
Okay. The static pressure sounds good. As far as where to check for power, I am going to provide a diagnostic flow chart. The attached pics correlate with the directions. Also, it explains what, how, and the specs for checking. The directions will refer to an MGC relay. That is basically the compressor relay which is powered by the ignition 1 relay in the under hood fuse/relay box.

________________________________

2014 Toyota Corolla L4-1.8L (2ZR-FAE)
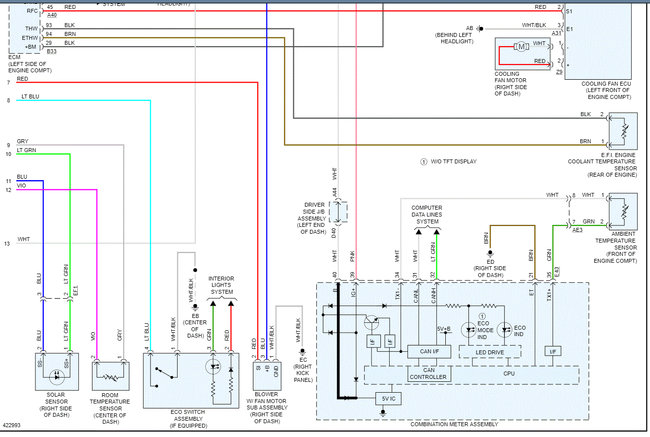
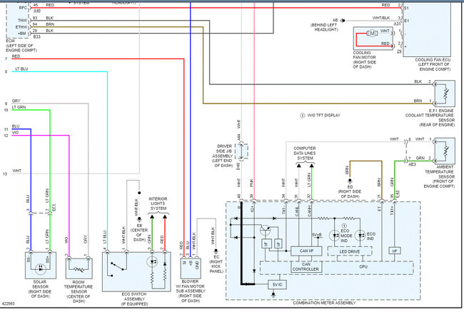
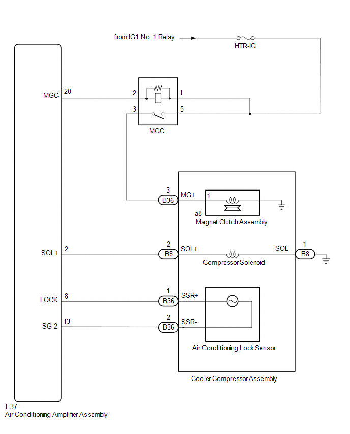
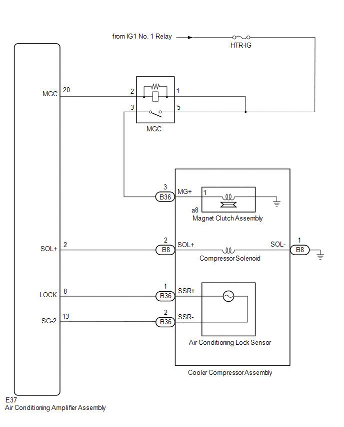
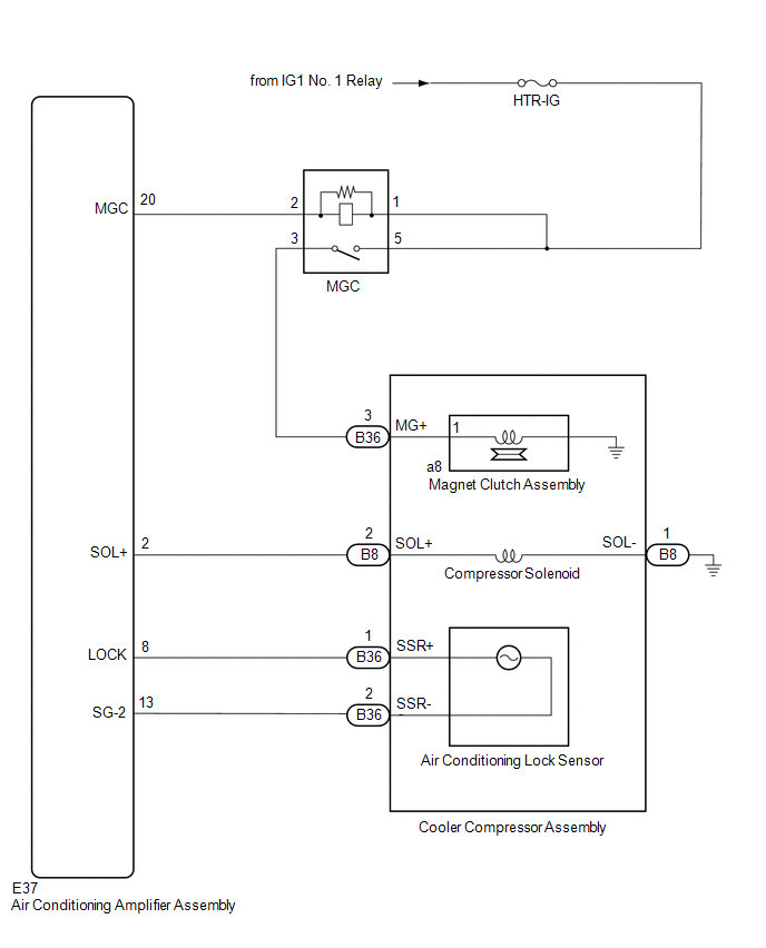
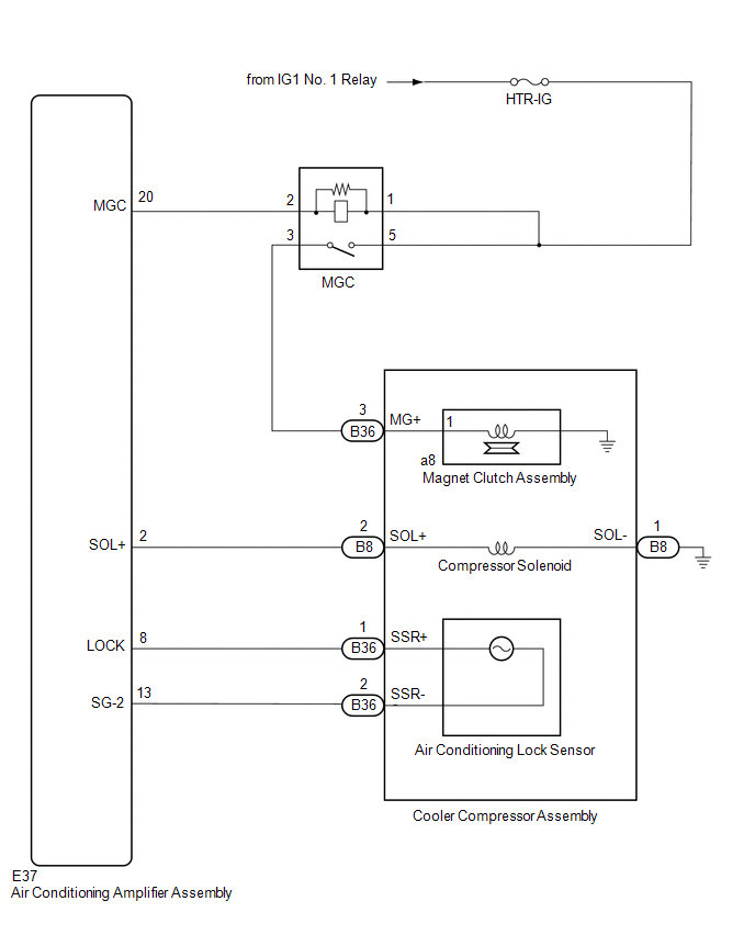
Air Conditioning System (Automatic Air Conditioning System) - Air Conditioning Compressor Magnetic Clutch Circuit [08/2013 - ]
Air Conditioning Compressor Magnetic Clutch Circuit
DESCRIPTION
When the air conditioning amplifier assembly is turned on, a magnet clutch on signal is sent from the MGC terminal of the air conditioning amplifier assembly. Then, the MGC relay turns on to operate the magnet clutch assembly.

WIRING DIAGRAM

pic 1

CAUTION / NOTICE / HINT
NOTICE:

ECM malfunctions can affect the storage of this DTC. Therefore, check all EFI system DTCs and confirm that the system is normal before performing the following inspection.
Click here [ 2ZR-FAE (ENGINE CONTROL): SFI SYSTEM: DTC CHECK / CLEAR ]
Inspect the fuses for circuits related to this system before performing the following procedure.
PROCEDURE
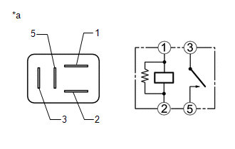
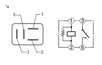
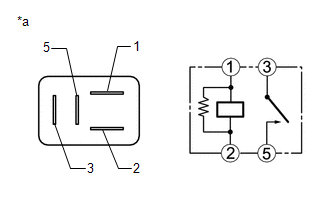
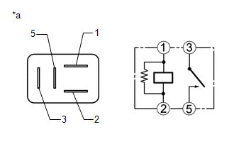
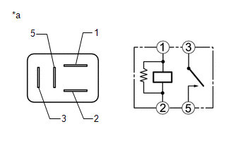
1. INSPECT MGC RELAY
Remove the MGC relay.
Measure the resistance according to the value(s) in the table below.
Standard Resistance:

Tester Connection Condition Specified Condition
3 - 5 Battery voltage not applied between terminals 1 and 2 10 or higher
3 - 5 Battery voltage applied between terminals 1 and 2 Below 1

pic 2

a Component without harness connected
(MGC Relay)

Result:

Proceed to
OK

NG

NG -- REPLACE MGC RELAY

OK -- Continue to next step.

2. CHECK HARNESS AND CONNECTOR (MGC RELAY - POWER SOURCE)
Measure the voltage according to the value(s) in the table below.
Standard Voltage:

Tester Connection Condition Specified Condition
Relay terminal 5 - Body ground Ignition switch off Below 1 V
Relay terminal 5 - Body ground Ignition switch ON 11 to 14 V
Relay terminal 1 - Body ground Ignition switch off Below 1 V
Relay terminal 1 - Body ground Ignition switch ON 11 to 14 V

Result:

Proceed to
OK

NG

NG -- REPAIR OR REPLACE HARNESS OR CONNECTOR

OK -- Continue to next step.

3. CHECK HARNESS AND CONNECTOR (MGC RELAY - COOLER COMPRESSOR ASSEMBLY)
Disconnect the B36 cooler compressor assembly connector.
Measure the resistance according to the value(s) in the table below.
Standard Resistance:

Tester Connection Condition Specified Condition
Relay terminal 3 - B36-3 (MG+) Always Below 1
Relay terminal 3 - Body ground Always 10 k or higher

Result:

Proceed to
OK

NG

NG -- REPAIR OR REPLACE HARNESS OR CONNECTOR

OK -- Continue to next step.

4. CHECK HARNESS AND CONNECTOR (MGC RELAY - AIR CONDITIONING AMPLIFIER ASSEMBLY)
Disconnect the E37 air conditioning amplifier assembly connector.
Measure the resistance according to the value(s) in the table below.
Standard Resistance:

Tester Connection Condition Specified Condition
Relay terminal 2 - E37-20 (MGC) Always Below 1
Relay terminal 2 - Body ground Always 10 k or higher

Result:

Proceed to
OK

NG

NG -- REPAIR OR REPLACE HARNESS OR CONNECTOR

OK -- Continue to next step.

5. CHECK MAGNET CLUTCH ASSEMBLY
Disconnect the B36 cooler compressor assembly connector.
Measure the resistance according to the value(s) in the table below.

Pic 3

a Component without harness connected
(Cooler Compressor Assembly) - -

Standard Resistance:

Tester Connection Condition Specified Condition
3 (MG+) - Body ground 20°C (68°F) 3.8 to 4.2

Connect a positive (+) lead from the battery to terminal 3 (MG+) and check that the following occurs: 1) the magnet clutch assembly operating sound can be heard, and 2) the magnet clutch hub and rotor lock.
OK:

1) The magnet clutch assembly operating sound can be heard, and 2) the magnet clutch hub and rotor lock.

Result:

Proceed to
OK

NG

OK -- PROCEED TO NEXT SUSPECTED AREA SHOWN IN PROBLEM SYMPTOMS TABLE [ HEATING / AIR CONDITIONING: AIR CONDITIONING SYSTEM(for Automatic Air Conditioning System): PROBLEM SYMPTOMS TABLE ]

NG -- REPLACE MAGNET CLUTCH ASSEMBLY [ HEATING / AIR CONDITIONING: COMPRESSOR(for 2ZR-FAE): DISASSEMBLY ]

_____________________

If you look at pic 4, it shows the location of the AC pressure sensor.

Let me know if this helps.
Joe
Was this
answer
helpful?
Yes
No
Friday, March 27th, 2020 AT 8:46 PM
Tiny
LILLY2016
  • MEMBER
  • 7 POSTS
Okay not seeing an MGC relay cover for fuse box shows it nothing in that spot. See attached pictures.
Was this
answer
helpful?
Yes
No
Saturday, March 28th, 2020 AT 7:10 AM
Tiny
JACOBANDNICKOLAS
  • MECHANIC
  • 110,192 POSTS
That's interesting. Take a look at the two pics I attached. That's where it should be.

The only other thing I can think to check would be what is called an AC amplifier. This is part of the can bus system signal to the compressor as well. That should have set a trouble code. It would require a scanner that can communicate with the can bus system on the vehicle to determine if there is a signal from the amplifier on the can bus line.

The amplifier is located under the dash. Here are the removal directions so you can locate it. Note these directions are for either manual or automatic systems. Both are included.
I separated them with a line.

2014 Toyota Corolla L4-1.8L (2ZR-FE)
Air Conditioning Amplifier - Removal [08/2013 - ]
Vehicle Heating and Air Conditioning Relays and Modules - HVAC Control Module HVAC Service and Repair Removal and Replacement Air Conditioning Amplifier - Removal [08/2013 - ]
AIR CONDITIONING AMPLIFIER - REMOVAL [08/2013 - ]
HEATING / AIR CONDITIONING: AIR CONDITIONING AMPLIFIER: REMOVAL; 2014 - 2019 MY Corolla [08/2013 - ]
PROCEDURE
REMOVE FRONT NO. 1 CONSOLE BOX INSERT
Click here [ INTERIOR PANELS / TRIM: FRONT CONSOLE BOX: REMOVAL+ ] [ INTERIOR PANELS / TRIM: FRONT CONSOLE BOX: REMOVAL+ ]

REMOVE AIR CONDITIONING AMPLIFIER ASSEMBLY (for Manual Air Conditioning System)
Turn back the front floor carpet assembly as shown in the illustration.

Pic 3

Disconnect the connector.

Pic 4

Remove the screw.
Remove the air conditioning amplifier assembly as shown in the illustration.

Pic 5

_______________________________________________________________

REMOVE AIR CONDITIONING AMPLIFIER ASSEMBLY (for Automatic Air Conditioning System)
Turn back the front floor carpet assembly as shown in the illustration.

Pic 6

Disconnect the 2 connectors.

Pic 7

Remove the screw.
Remove the air conditioning amplifier assembly as shown in the illustration.

Pic 8
___________________________

Can you let me know what the production date of the vehicle is? It should be on a label either on the door or door frame. Also, is it automatic AC or manual? The vehicle may have been made late enough in the model year that there was a change. I will have to research that for you. Let me know if you locate the amplifier and if everything appears okay with it.

Joe
Was this
answer
helpful?
Yes
No
+1
Saturday, March 28th, 2020 AT 6:19 PM
Tiny
LILLY2016
  • MEMBER
  • 7 POSTS
Manufacture date is 04/14 located amplifier easy to remove everything appears okay with it. Do I need to take the cover off of it? Diagram shows a MGC relay where is it located?
Was this
answer
helpful?
Yes
No
+1
Sunday, March 29th, 2020 AT 7:35 AM
Tiny
LILLY2016
  • MEMBER
  • 7 POSTS
See picture of amplifier no dark or burn spots that I notice.
Was this
answer
helpful?
Yes
No
Sunday, March 29th, 2020 AT 7:40 AM
Tiny
JACOBANDNICKOLAS
  • MECHANIC
  • 110,192 POSTS
It does look fine. Tell me. Do you have automatic AC or manual? I ask because the MGC relay is identified in both systems where I indicated. However, when I look through schematics, it takes me to the amplifier in place of the MGC. Ugh!

Thanks,
Joe
Was this
answer
helpful?
Yes
No
+1
Sunday, March 29th, 2020 AT 5:52 PM
Tiny
LILLY2016
  • MEMBER
  • 7 POSTS
Manual.
Was this
answer
helpful?
Yes
No
Sunday, March 29th, 2020 AT 6:14 PM
Tiny
JACOBANDNICKOLAS
  • MECHANIC
  • 110,192 POSTS
That is where it is leading me to then. Ugh! And you have confirmed there is no power at the compressor, correct?
Was this
answer
helpful?
Yes
No
+1
Sunday, March 29th, 2020 AT 6:20 PM
Tiny
LILLY2016
  • MEMBER
  • 7 POSTS
Yes, no power at the compressor.
Was this
answer
helpful?
Yes
No
Sunday, March 29th, 2020 AT 6:22 PM
Tiny
JACOBANDNICKOLAS
  • MECHANIC
  • 110,192 POSTS
Are there 4 wires that go to the amplifier? If so, I need you to check for power at the (aledged) MGC wire shown in the attached pic. I am so sorry. The schematics seem to contradict themselves. If there is power to that wire, there should be power to the compressor clutch. You said there isn't, so if there is power at the amp and not the clutch, there has to be a break in the wire.

Let me know.
Joe
Was this
answer
helpful?
Yes
No
Sunday, March 29th, 2020 AT 8:07 PM

Please login or register to post a reply.