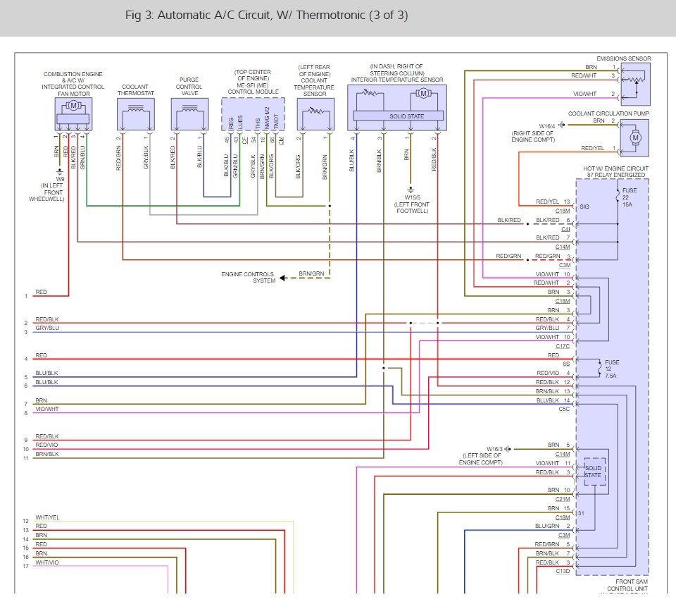
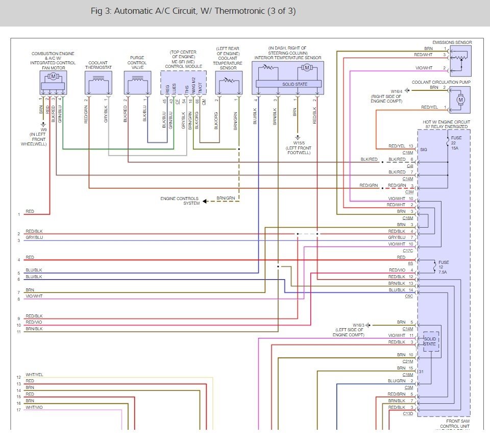
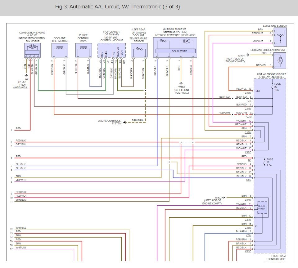
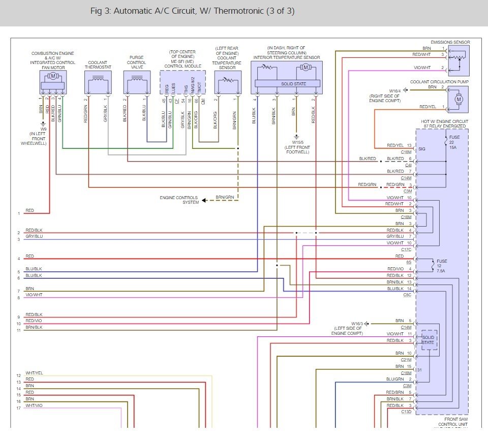
Monday, July 3rd, 2017 AT 9:55 AM
Hello, I have a C 300. A/C is not working, blower motor is not working and lines under the hood are not working. I need same help please. Thank you.










