The controls for the heater and A/C do not work all the time

2011 CHEVROLET CAMARO
112,000 MILES • 4.2L • 6 CYL • 2WD • AUTOMATIC
Avatar
THERON99M
  • MEMBER
  • 4 POSTS
Sometimes it will just blow on defrost and on high fan and you can't turn it off. sometimes it doesn't work at all. Can you help me with this?
Apr 24, 2022 at 11:34 AM
Advertisement
Avatar
JACOBANDNICKOLAS
  • CAR REPAIR CONTRIBUTOR
  • 110,190 POSTS
Hi,

Does it only come out from the defroster, or can the blower motor turn on and come from a different area?

I ask because there are two different possibilities. First is the HVAC control module. If this is the issue, I feel it wouldn't be limited to one area, in this case, defrost. If it is limited, then I question the blower motor control module.

The blower motor control module receives a signal from the HVAC module to identify when to turn the fan on and speed. This blower motor module only controls the on/off and the fan speed. So, if it is faulty, it could turn the fan on, but it can't control the air flow direction.
The HVAC module controls everything other.

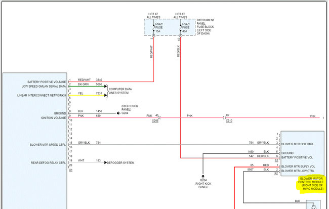
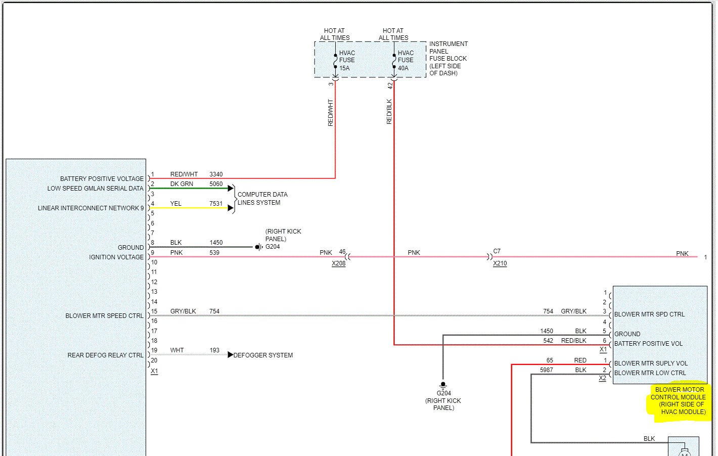
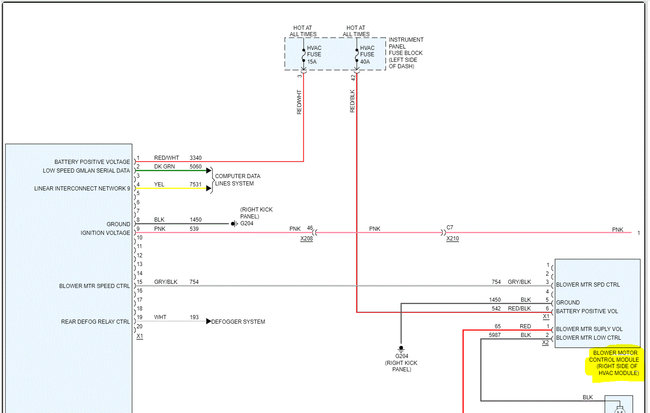
I attached the wiring schematic, so you have a reference.

Here is what I recommend: This is a newer vehicle. What I suggest is to have the can-bus scanned. CAN stands for controller area network. Basically, all the computers and modules are tied together via a few wires. This type of scan should identify diagnostic trouble codes regardless of the module storing them

Here is a link that shows how it's done:

https://www.2carpros.com/articles/can-scan-controller-area-network-easy

Let me know if that is something you can have done. Also, let me know if you have other questions.

Take care,

Joe

See pics below.
Apr 24, 2022 at 8:51 PM
Advertisement
Avatar
THERON99M
  • MEMBER
  • 4 POSTS
Usually when it comes on it usually is in the default position the blower motor is always on high when it happens, and you can't control it, it will stay that way for a day or two or sometimes shorter and then just go off and nothing works again. When it is not working there is no way to turn it on or off there seems to be no power to that area, I have checked all the fuses and relays everything seems to be normal.
Apr 25, 2022 at 6:13 AM
Avatar
THERON99M
  • MEMBER
  • 4 POSTS
Also, when this happens you can't control the fan speed or the direction of air flow.
Apr 25, 2022 at 6:34 AM
Avatar
JACOBANDNICKOLAS
  • CAR REPAIR CONTRIBUTOR
  • 110,190 POSTS
Hi,

If you are unable to control airflow direction either, I have a feeling it is a problem within the HVAC control module. By chance, could you have the can-bus scanned to confirm? It isn't a cheap part and I don't want to be wrong.

Let me know.

Joe
Apr 25, 2022 at 5:55 PM
Avatar
THERON99M
  • MEMBER
  • 4 POSTS
Yes, I can as soon as I can and see.
Apr 25, 2022 at 7:02 PM
Avatar
JACOBANDNICKOLAS
  • CAR REPAIR CONTRIBUTOR
  • 110,190 POSTS
Hi,

Sounds like a plan. Let me know what you find. I'm interested in knowing.

Take care,

Joe
Apr 26, 2022 at 5:23 PM
Repair Safety Notice: This information is for general instructional purposes only. Vehicle repair can be dangerous. Verify all information, follow manufacturer service procedures, use proper tools and safety equipment, and consult a qualified repair shop when needed.