Climate control not working properly

2001 BUICK PARK AVENUE
200,000 MILES • 3.8L • V6 • 2WD • AUTOMATIC
Avatar
KREAMER8
  • MEMBER
  • 3 POSTS
Blows cold air on driver side and warm air on passenger side with max temperature setting.
Dec 15, 2020 at 5:15 PM
Repair Safety Notice: This information is for general instructional purposes only. Vehicle repair can be dangerous. Verify all information, follow manufacturer service procedures, use proper tools and safety equipment, and consult a qualified repair shop when needed.
Advertisement
Avatar
JACOBANDNICKOLAS
  • CAR REPAIR CONTRIBUTOR
  • 110,190 POSTS
Hi,

This vehicle has two blend air door actuators. These are what determine what temp the air is when it enters the vehicle. Since you have cold air on the left side (driver's side), chances are the blend air door is bad which controls that side. What I would suggest is to simply remove it and check it for movement when you change the air temp request. If it doesn't move or you notice a clicking sound, replace the actuator.

Here is a link that shows in general how one is replaced:

https://www.2carpros.com/articles/replace-blend-door-motor

_______________

Here are the directions specific to your vehicle and the left side. The attached pics correlate with the directions.

_______________

2001 Buick Park Avenue V6-3.8L VIN K
Air Temperature Actuator Replacement - Left
Vehicle Heating and Air Conditioning Air Door Actuator / Motor Service and Repair Procedures HVAC System - Automatic Air Temperature Actuator Replacement - Left
AIR TEMPERATURE ACTUATOR REPLACEMENT - LEFT
REMOVAL PROCEDURE


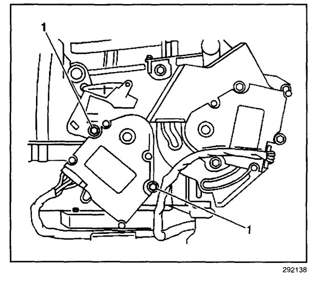
pic 1

1. Remove the left side sound insulator. Refer to Closeout/Insulator Panel Replacement - Left in Instrument Panel, Gauges and Warning Indicators.
2. Remove the aspirator muffler.
3. Remove the electrical connector from the left air temperature actuator.
4. Remove the left air temperature actuator retaining screws (1).


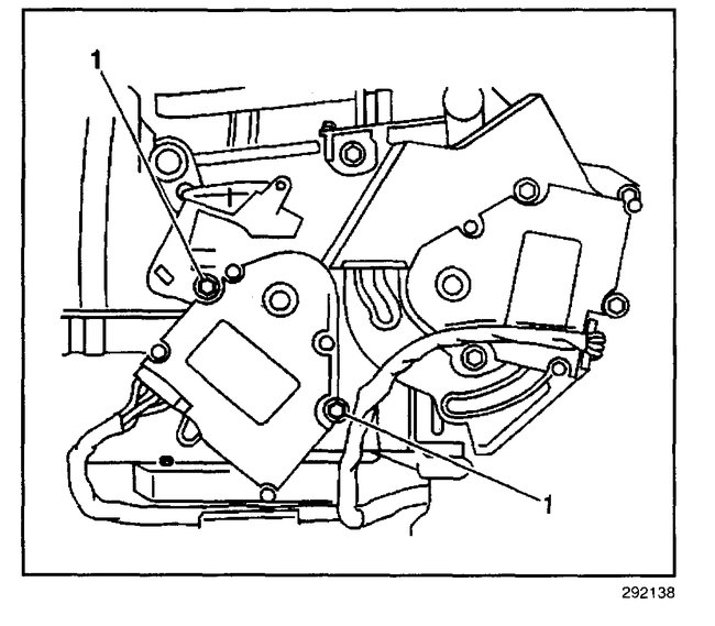
pic 2

5. Remove the left air temperature actuator.

INSTALLATION PROCEDURE


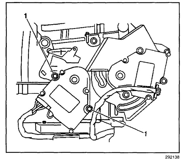
pic 3

1. Install the left air temperature actuator.

NOTE: Refer to Fastener Notice in Service Precautions.


pic 4

2. Install the left air temperature actuator retaining screws (1).

Tighten
Tighten the screws to 1.4 N.m (12 lb in).

3. Install the electrical connector to the left air temperature actuator.
4. Install the aspirator muffler.
5. Install the left side sound insulator. Refer to Closeout/Insulator Panel Replacement - Left in Instrument Panel, Gauges and Warning Indicators.
6. Recalibrate the actuators. Refer to Re-Calibrating Actuators.

____________________

Here are the re-calibration procedures without a scan tool.

___________________

2001 Buick Park Avenue V6-3.8L VIN K
Without A Scan Tool
Vehicle Heating and Air Conditioning Testing and Inspection Programming and Relearning Re-Calibrating Actuators - HVAC System - Automatic Without A Scan Tool
WITHOUT A SCAN TOOL
1. Turn OFF the ignition.
2. Remove the battery positive voltage circuit fuse of the Instrument Panel Control Module.

IMPORTANT: The module memory will not clear if the battery positive voltage circuit fuse is installed in less than 60 seconds.

3. Wait 60 seconds.
4. Install the fuse.

_____________________

Let me know if this helps or if you have other questions.

Joe
Dec 15, 2020 at 6:11 PM
Advertisement