Wednesday, August 30th, 2017 AT 8:18 PM
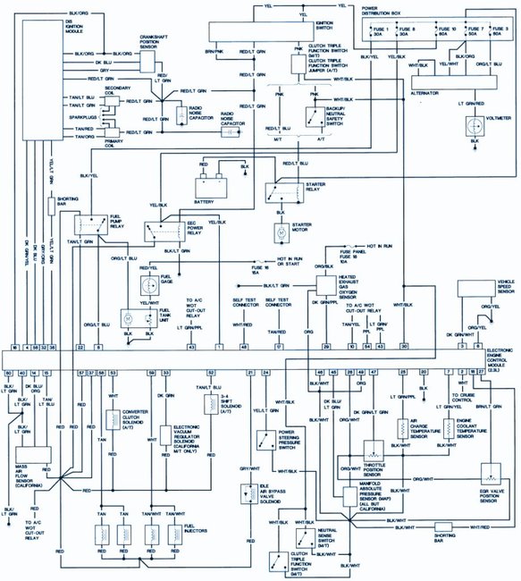
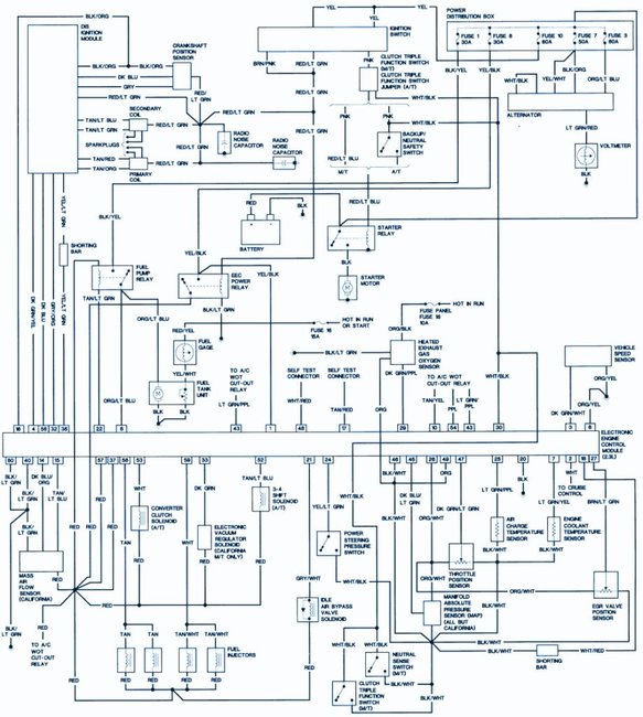
For two weeks I have worked on my car. My problem started after buying the car and working to replace the old oil in it from the previous owners. When I released the drain plug a spring like coil came out; the bore was stripped. I raised the car up, dropped the sub-frame along with the front suspension and raised the engine a bit as per Ford 1998 mustang mechanics manual. I also removed the starter motor and busted a stud off of the solenoid so I purchased a new solidi and slapped it on. I was not sure exactly where the wires went, but after reading and looking at what I could I attached the negative terminal and starter motor to the lower large stud, attached the positive terminal to the upper large stud and attached the switch to the S terminal (smaller side stud), but the new solenoid did not come with a stud and instead came with a male slide connector (I am not sure of the technical name). I cut and stripped as little amount of wire from the starter that I could muster to add a female connector to the end in place of the circular bolt connector that came with the car. After fastening the motor and finishing with the oil pan and suspension I plugged in the battery and placed the breaks with rotors on before realizing there was smoke coming out from my transmission areas and the top of the starter motor. I disconnected the battery and took the starter out without dropping the sub frame. Once I laid eyes on the solenoid I saw that my new female slide connector had been pulled free from the ignition cable. I am not sure if it happened while pulling the starter out or if it happened during installation and is a result of my ignorance. I stripped a little more insulation from the ignition wire and placed a new connector into the ignition cable. I secured the connector with tape and reattached the battery back to the cables and observed the starter for about forty five minutes without and smoke. I continued with my work and once everything was finished I lowered my car and tried to turn it on. The engine would not crank. There were lights, I could hear the fuel pump priming and other little ticks and clicks that are normally present, but there was zero sound of engine crank. There was a chance my anti theft was causing a problem so I used the key fob to unlock the car, but there was no success. In defeat after two weeks of work I walked away. Tomorrow I will reset the anti theft, try a jump, and try with my foot on the brake. I would like answers soon please as I have run out of almost all my money and need to get back to work soon. Please please please help. O'Riley's is offering me a $110.00 re-manufactured starter motor with solenoid, but I would like to avoid that debt or at the least learn if I wired this properly.












