Would not start changed ignition switch worked for a while now wont start problem is back

Tiny
JOHNSMITH24
  • MEMBER
  • 1990 GMC C1500
  • 3.5L
  • V6
  • 2WD
  • MANUAL
  • 200,000 MILES
My truck wont start. I changed the ignition switch it started for a while, but nothing now?
Tuesday, December 6th, 2016 AT 7:29 AM

1 Reply

Tiny
KASEKENNY
  • MECHANIC
  • 18,907 POSTS
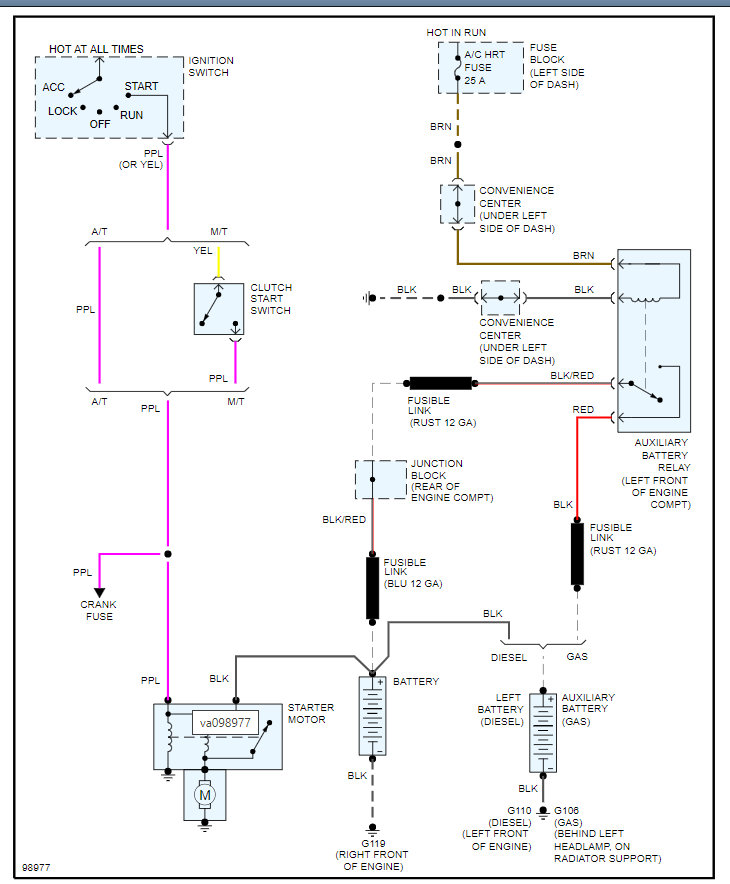
There are many reasons that a vehicle will not start so it is unlikely that this is an ignition switch again.

When you turn the key I am going to assume that you get a click or the starter does not turn over.

If that is the case then we need to follow this guide:

https://www.2carpros.com/articles/starter-not-working-repair

Basically we need to go to the starter and check for voltage on both wires.

https://www.2carpros.com/articles/how-to-check-wiring

Please see the wiring diagram below for more detail on this but this may just be a simple starter solenoid that failed or even a clutch position switch.

So let me know what you find with this and we can go from there.

Thanks
Was this
answer
helpful?
Yes
No
Sunday, September 12th, 2021 AT 3:02 PM

Please login or register to post a reply.