Cleaned throttle bottle, now it will not start?

Tiny
KAYLA1991
  • MEMBER
  • 2011 CHEVROLET MALIBU
  • 2.4L
  • 4 CYL
  • 2WD
  • AUTOMATIC
  • 165,000 MILES
I was having stalling issues. I decided to clean the throttle body on the car. I cleaned the throttle body with throttle body cleaner still on the car. I plugged everything back in and the car idled in part at 3,500 RPMs and would rev higher shifting into a gear and slam into the gear, then drop to 1,500 RPMs. I drove the car 3-4 times in an attempt to complete the drive cycle. Yesterday I went out to start it and it will not run. It turns over and tries to start but will not and drains the battery.
Saturday, August 5th, 2023 AT 6:38 AM

10 Replies

Tiny
AL514
  • MECHANIC
  • 5,596 POSTS
Hello, there are a couple ways to do the throttle relearn procedure, I'll post both of them, but do you have a scan tool to check for any diagnostic trouble codes? And you didn't spray cleaner directly into the throttle plates? You should use a rag and spray cleaner on it and then wipe the throttle bore and plates down. But I will post the relearn process, but you might need to see if there are any codes stored in the engine computer. Some of these throttle bodies are not supposed to be forced open by hand, and some you can.
Since this is now a crank no start, you're going to have use a scan tool to do the Idle relearn procedure, but I will check really quick and see if a battery disconnect is doable and if so, what procedure that requires, everything seems to have a process and procedure now, even just disconnecting a battery can cause problems, so give me a couple minutes here.

With the key in the on/run position, engine off, can you press the gas pedal and see the throttle plates move? You'll need someone to help you check this. Also notice if the throttle plates are slightly open before trying to move them with the key On. The high idle suggests the plates are partially stuck open.

Also, I came across a Bulletin on the throttle body, are you getting any type of reduced power mode messages on the dash?
And you mentioned the battery going dead, did you jump start the vehicle at all?

The Technical service bulletin for the throttle position sensor is over 20 pages long, so I just posted the needed info for you, the new part numbers, diagram7 is the customer letter and the 8th is the contact info, but your vehicle is passed the warranty mileage for the repair, but there is obviously an issue with the throttle position sensor inside the throttle body. This would need to be a dealership repair since they seem to have some updated parts for the issue.
But I don't think your no start problem is not related to the TSB, but it could have been the cause of the original rough idle issue.
read through this guide about forcing the throttle plates open, it looks like on a 2011 it can damage the throttle actuator motor inside.

https://www.2carpros.com/articles/throttle-actuator-service
Was this
answer
helpful?
Yes
No
Saturday, August 5th, 2023 AT 9:06 AM
Tiny
KAYLA1991
  • MEMBER
  • 5 POSTS
I used a rag and throttle body cleaner to clean it. The two codes I have currently are P0507 as well as P1400. The valve is in fact opening and closing when I press the gas. I did get the car started to attempt the idle re-learn (3 minutes on, 60 seconds off, 3 minutes on) with the rpm's steady at 3,000. The car shut off before the 3 minutes was up and will not re-start. I unplugged the battery for a few minutes to no avail starting. The check engine light is immediately on. There are no other warnings lights on the dash.
Was this
answer
helpful?
Yes
No
Saturday, August 5th, 2023 AT 12:14 PM
Tiny
AL514
  • MECHANIC
  • 5,596 POSTS
Are you running the vehicle without the mass air flow sensor and air intake tube installed? And this picture is with the key off?
That throttle plate looks pretty open in the picture, but any other possible vacuum leaks or air entering the system right now, is going to really make the idle relearn difficult. So, verify that all the hose clamps and any other hoses are in place and not allowing false air in, the idle shouldn't be at 3,000 RPMs like that, you may have 2 issues here.
Was this
answer
helpful?
Yes
No
Saturday, August 5th, 2023 AT 1:10 PM
Tiny
KAYLA1991
  • MEMBER
  • 5 POSTS
The vehicle has the mass air flow sensor and intake tube installed, yes. The picture is with the key off and brake pedal not depressed.
Was this
answer
helpful?
Yes
No
Saturday, August 5th, 2023 AT 1:14 PM
Tiny
AL514
  • MECHANIC
  • 5,596 POSTS
That throttle plate is still too open in that picture. I did some reading and vehicles after 2009 needed to have the throttle plates opened by the pedal for cleaning and can't be pushed open by hand. The gear under that black cover on the top of the throttle body is made of plastic. If you did push the throttle plate open by hand, that might be the reason it's not closing all the way.
You have a scan tool I take it; can you see what the mass air flow grams per second (g/s) is while cranking? I think the codes setting is probably putting it into reduced low power mode. I can't see any other reason for it not starting, did you happen to move or push any of the wiring harness around to get the air intake boot off or anything like that?
This section of the harness looks concerning, next to the TB.
Was this
answer
helpful?
Yes
No
Saturday, August 5th, 2023 AT 1:25 PM
Tiny
AL514
  • MECHANIC
  • 5,596 POSTS
One of the issues here is that the Idle relearn won't happen with any codes set, and a DTC is setting because the already learned airflow value is too high compared with the actual air flow,
Some of the other fixes I've come across with having trouble getting the relearn to take was battery voltage, so a battery failing a load test prevented the idle relearn from happening. The ECM was not able to process intake air temperature readings correctly.
Another factor might be that the throttle plate is not able to close fully, and that is keeping the idle too high, to me that picture doesn't look right, those throttle plates should be closed more with the key off.
If you can with your scan tool, resetting the KAM (Keep Alive memory) can help with getting the relearn to go through.
Was this
answer
helpful?
Yes
No
Saturday, August 5th, 2023 AT 1:52 PM
Tiny
KAYLA1991
  • MEMBER
  • 5 POSTS
I went ahead and replaced the throttle body assuming that was my issue and problem solved. Code cleared as well as the other. The car turns over but still will not start. I retrieved one code which is P0113 intake air temperature sensor 1 circuit high bank 1. Is the IAT in the MAF sensor? I cannot find this information online. Scanner showed IAT values -40 c.
Was this
answer
helpful?
Yes
No
Sunday, August 6th, 2023 AT 11:18 PM
Tiny
AL514
  • MECHANIC
  • 5,596 POSTS
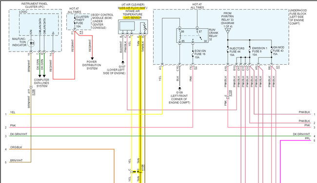
Okay, whenever a temperature sensor shows -40 degrees on a scan tool, which means it is an open circuit. This applies to basically any thermistor type sensor. Yes, it is part of the MAF, if you unplug the MAF connector the Tan wire labelled E on the diagram below should read 5volts with the key On, the Tan/Black wire is the sensor Ground for IAT. Make sure the MAF connector doesn't have a pin fitment issue, I'd re-check any connectors you had apart as well.

I'm surprised it didn't start with only that code. Have you gone through and checked all the fuses with a test light? The 5vRef comes from the ECM connector X1 pin 58. There is a connector in the series from the ECM as well, X108. But go through all your fuses just to be sure something else isn't going on here.
Can you pull up live engine data and see if that MAF is reading anything during cranking, and did you do the Idle Relearn procedure for the throttle body? That still needs to be done with a new throttle body.
that old throttle body has two TPS sensors in it, and they work on a 5vRef as well. But not the same as the IAT externally, The IAT sensor will read a high code like that if it has a no Ground, so you could actually back probe the Tan wire and if it reads 5volts then you know the issue is with the sensor ground (tan/black wire) P0113 is a high code
Let me know what you find,

With the no start now, check the basics, if you have spark, check for fuel injector control, if a sensor with a 5vRef has shorted out pulling the 5volts down it can cause a no start.

https://www.2carpros.com/articles/how-to-check-for-ignition-spark

https://www.2carpros.com/articles/how-to-test-a-fuel-injector
Was this
answer
helpful?
Yes
No
Monday, August 7th, 2023 AT 10:28 AM
Tiny
KAYLA1991
  • MEMBER
  • 5 POSTS
I got the car started after plentiful jumps. I cleared the dtc and followed the re-learn for the throttle body. The rpms did not drop while doing the re-learn. The rpms are in the 2700 to 3000 range from first start and idling in park until I put it in another gear, and it drops to 780 rpms range. The idle jumps back and forth when changing gears, revs very high around 3,000-3,500 and then drops and jerks. MAF is reading 12.40 when the RPMs are 3,000 or so and when I put it in drive and the rpms are sitting at 780 MAF is reading 4.65. Does the A/C need to be off while attempting the re-learn procedure?
Was this
answer
helpful?
Yes
No
Tuesday, August 8th, 2023 AT 10:02 AM
Tiny
AL514
  • MECHANIC
  • 5,596 POSTS
Hello, sorry I have not been on the site in a few days, we were hit by a huge storm, and I just got my electricity back on last evening and the internet today.
And yes keep the A/C off while doing the idle relearn, it sounds like low battery voltage is probably preventing the relearn from going through, If you're having to jump the battery over and over, each time the battery goes dead you're losing the PCM memory, I wouldn't be shifting it into gear at 3000 RPMs, you're going to damage the transmission. But battery voltage sounds like it's an issue here. I would also check that the throttle plates are closed with the key off. If they are closed, then there is a vacuum leak somewhere that is keeping the idle that high, and smoke testing for any leaks would help. Just to at least know that's not interfering with the process. Load tests the battery as well. It shouldn't be this difficult to do an idle relearn. Something else is going on. What brand throttle body or where did you get it from?
Was this
answer
helpful?
Yes
No
Wednesday, August 9th, 2023 AT 11:04 AM

Please login or register to post a reply.