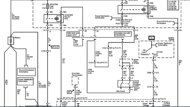
Now, it started for about five minutes then tried to stall. Will not turn over, but does have instrument lights (which do not dim when you try to start it), radio, AC, etc, all working however, it is making a constant clicking noise. Reset the anti theft as well. No change. Also, I pulled the battery cables and checked them, made sure the battery had the correct load, no change. Checked starter relay and it looks fine. Put starter on live battery, no change.
Does this sound like a starter issue?
Also, worth noting that it has not been driven in about six weeks due to Bank 1. When it was starting, prior to the above issue, there was a loud “clunk” noise, right at start up, but then it went right away. Can sounded fine. No clanking, clunking, whooshing, etc.
I am out of my league now could really use some ideas. Single mom, only car. Any assistance is much appreciated.
Saturday, July 14th, 2018 AT 1:25 AM



