Wednesday, September 8th, 2021 AT 9:28 AM
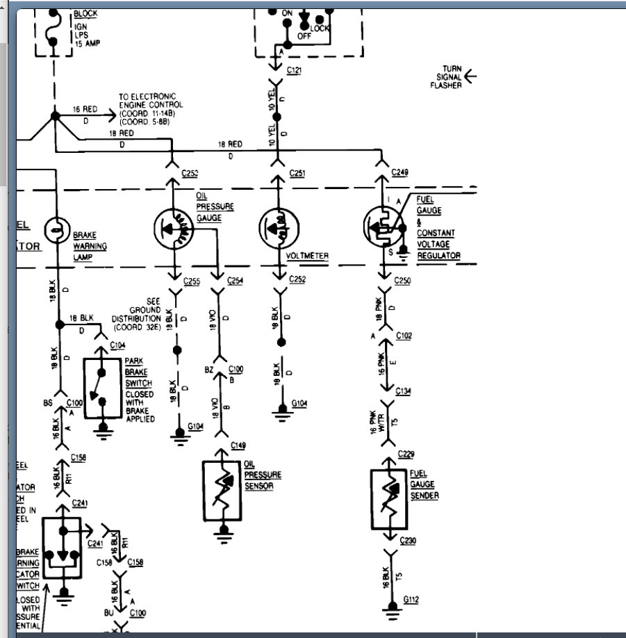
Hey there, my vehicle's fuel gauge is consistently inaccurate. It started a couple years ago when I hit a pretty big bump and the fuel gauge pinned all the way down to empty. So I assumed it was the sending unit and replaced it (20gal tank) and now it doesn't read correctly. When it's full, it pins at full. But any other readings seem to be incorrect, though consistent. It stays at full then jumps to half, and back up to full while I'm driving. Then pops down to half when there's really a quarter left. And then I'm suddenly out of gas on the highway haha. Any ideas?



