Monday, March 15th, 2010 AT 2:42 PM
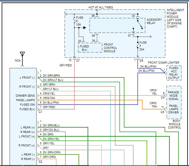
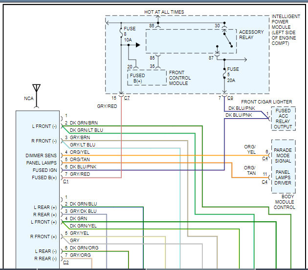
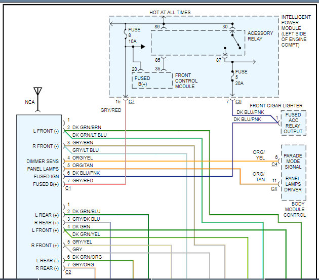
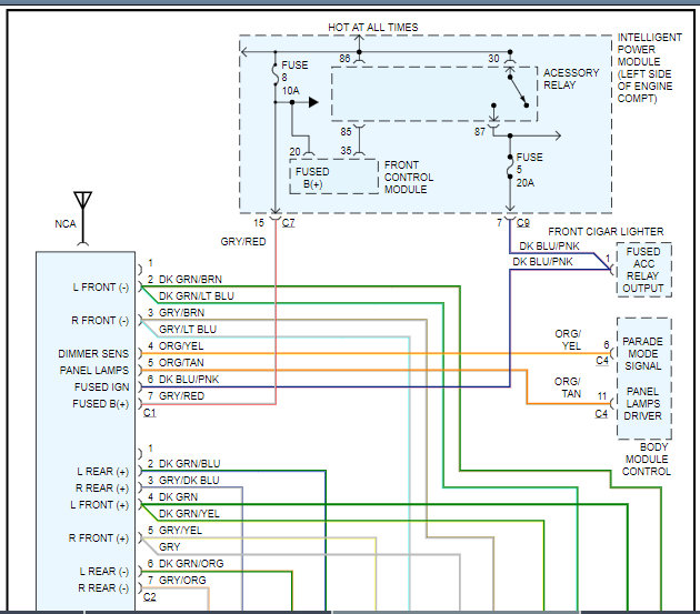
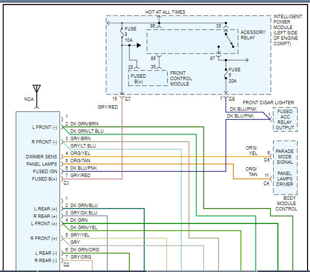
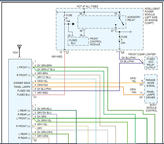
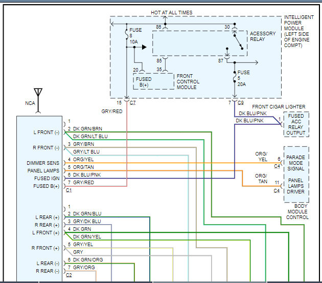
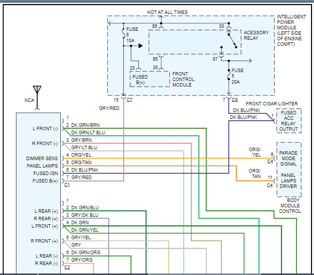
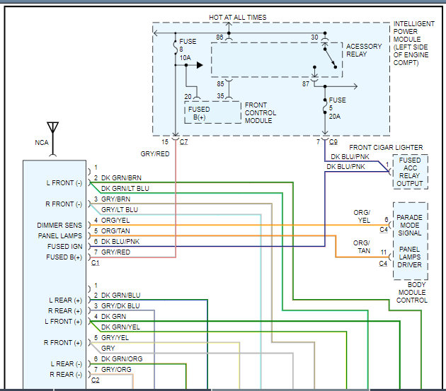
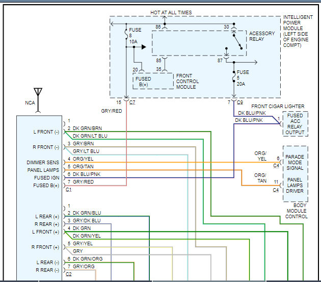
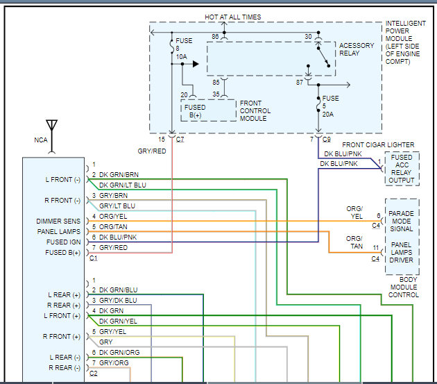
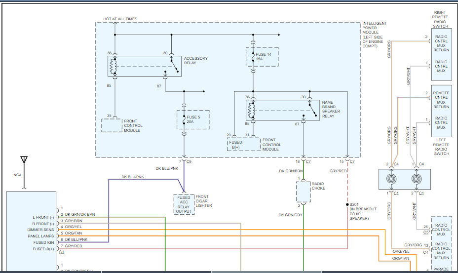
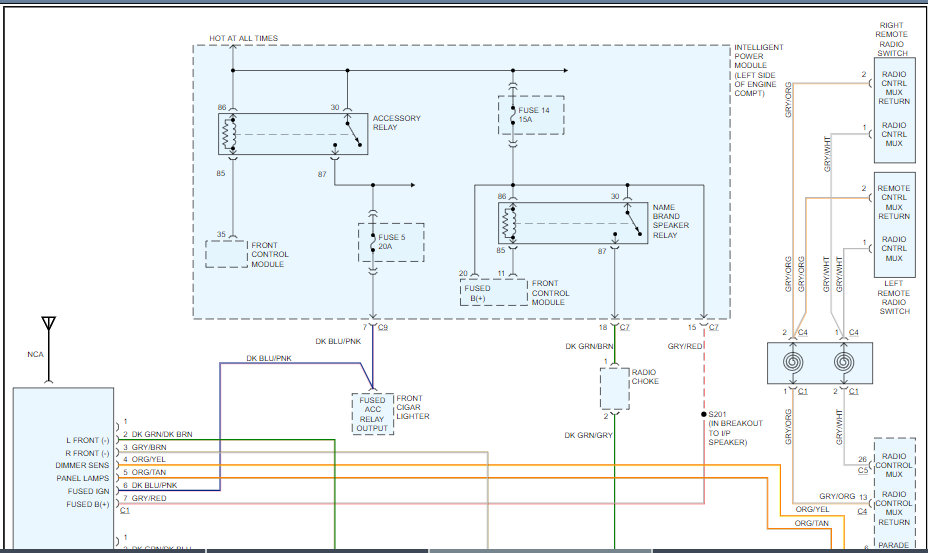
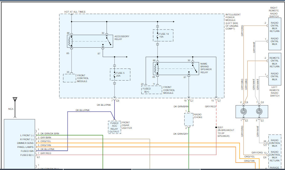
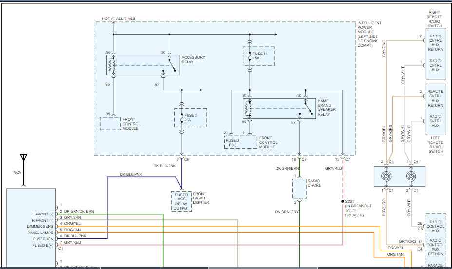
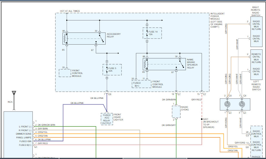
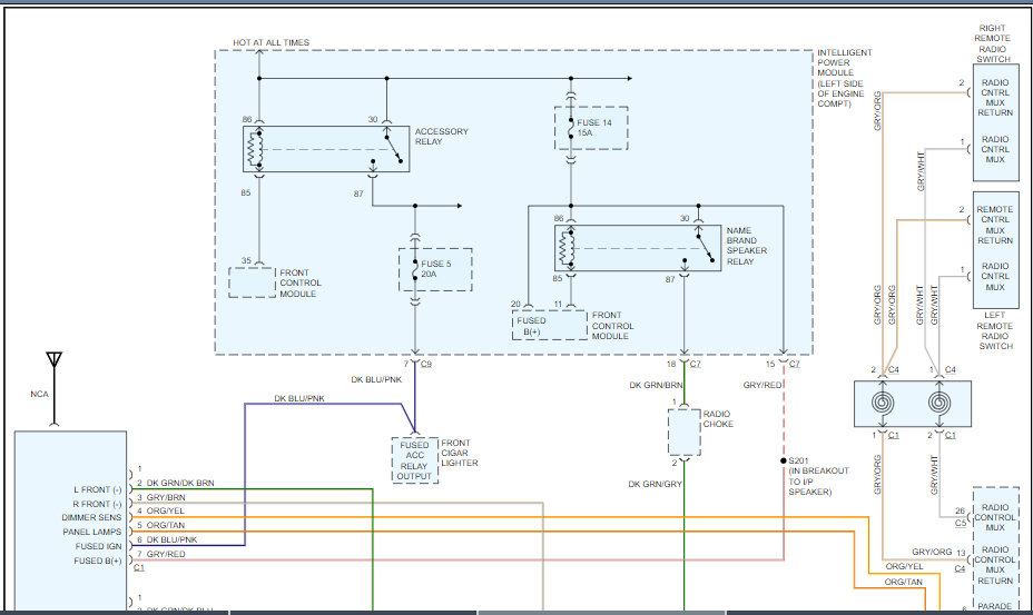
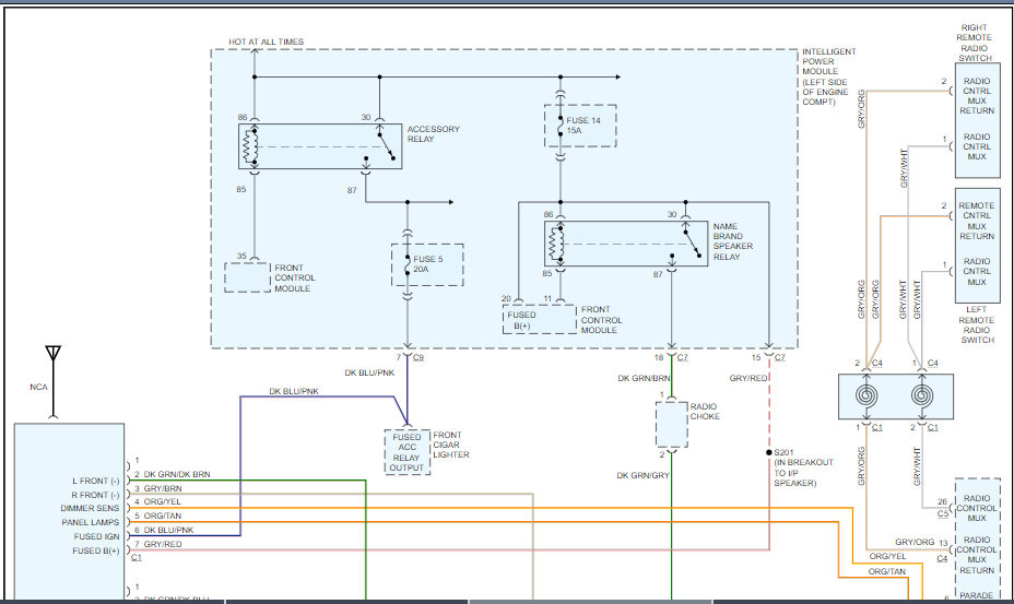
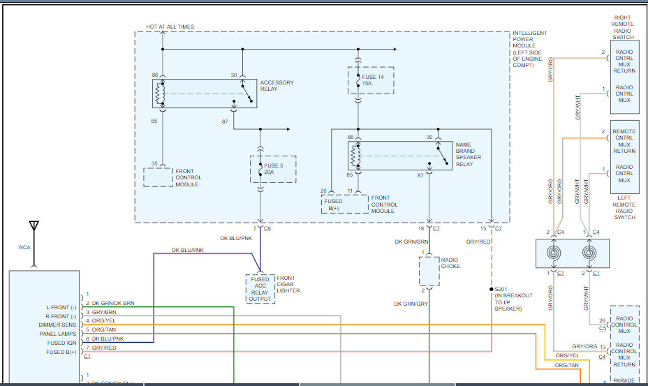
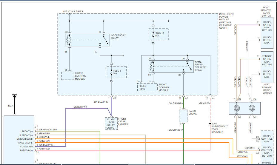
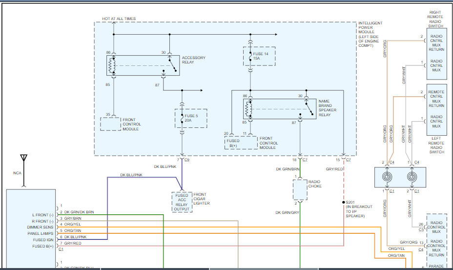
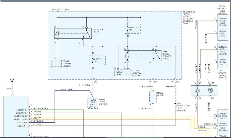
I am looking for a radio wiring diagram for my rear driver side tail light, which is causing a short to my instrument cluster every time I place my turn signals. My car was recently crashed in the rear and that light was replaced. After I opened the rear light and exposed the wiring there was a new but used wiring harness but 5 out of the 6 wires coming from the inside of the car were spliced together leaving 1 wire where no where to go and I am trying to find out which wire is what by their color codes. Can someone provide me with a diagram for my vehicle?





