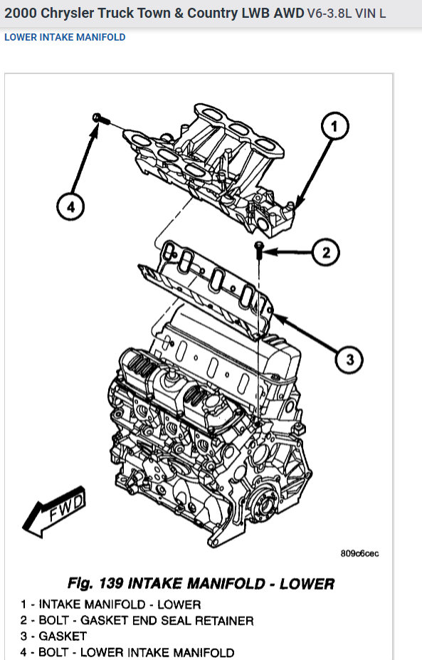
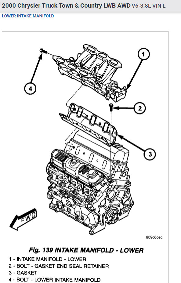
Lower intake manifold torque sequence

Tiny
2STROKEKILLS4STROKE
  • MEMBER
  • 2000 CHRYSLER TOWN AND COUNTRY
  • 6 CYL
  • FWD
  • AUTOMATIC
  • 108,000 MILES
Intake manifold torque specs. How do I change out the intake manifold gaskets?
Saturday, January 17th, 2009 AT 8:14 PM

1 Reply

Tiny
SQM
  • MECHANIC
  • 6,383 POSTS
Hello,

In order to access the intake manifold you will have to remove few items. You will have to remove the throttle body, the wiper arm/motor assembly and few other items.

As you know it is crucial to have the correct torque and torque sequence for a successful intake gasket replacement.

https://www.2carpros.com/articles/replace-intake-manifold-gasket

See below for the complete intake manifold replacement procedure, including the torque specifications and sequence.

Please let me know of any questions.

Thank you.
Was this
answer
helpful?
Yes
No
Friday, July 30th, 2021 AT 3:49 PM

Please login or register to post a reply.