Need help to disable alarm

Tiny
AHJP
  • MEMBER
  • 1997 CHRYSLER SEBRING
I have a 97 Chrylser Sebring JXI, 133,000, 6 cylinder convertible and have set off the alarm and can not get it to disarm. The power door locks have completely gone out (as well as the convertible top power), I have been having electrical problems, interior lights flashing, locks going up and down, etc until the locks no longer work. So when I locked my door yesterday, the key no longer works to unlock the doors. I had to use a coat hanger to get the door open which set off the alarm, horn honking lights flashing. I tried to start the car but since the car "thinks" it is stolen the alarm immediately "cuts" the engine. I tried replacing all the fuses, disconnecting the battery and reconnecting it, anything to reset or disarm the alarm and everything has failed.

I am unable to turn my key to disable my alarm so I decided to remove the fuse (located on the left side near steering wheel)to turn it off which worked. However, when I start my car the alarm still goes off and the car shuts off. Im not sure what to do.

I called Chrysler, they say bring it in, it may need a new computer. I don't have the money to do anything like that. I had the car towed to my house and am desperately looking for a solution. Since the alarm is a factory alarm, I believe it is a transponder system. I am hoping there is some sort of alarm/disarm wire I can cut/ground, etc. I am at a loss and need an expert!
Monday, September 24th, 2007 AT 3:08 PM

1 Reply

Tiny
KEN L
  • MASTER CERTIFIED MECHANIC
  • 55,291 POSTS
Hey guys,

I found the problem with this car, the BCM ties into the ECM which is being cut by the alarm. I would try a used BCM but you will need s ahsop to program it for you.

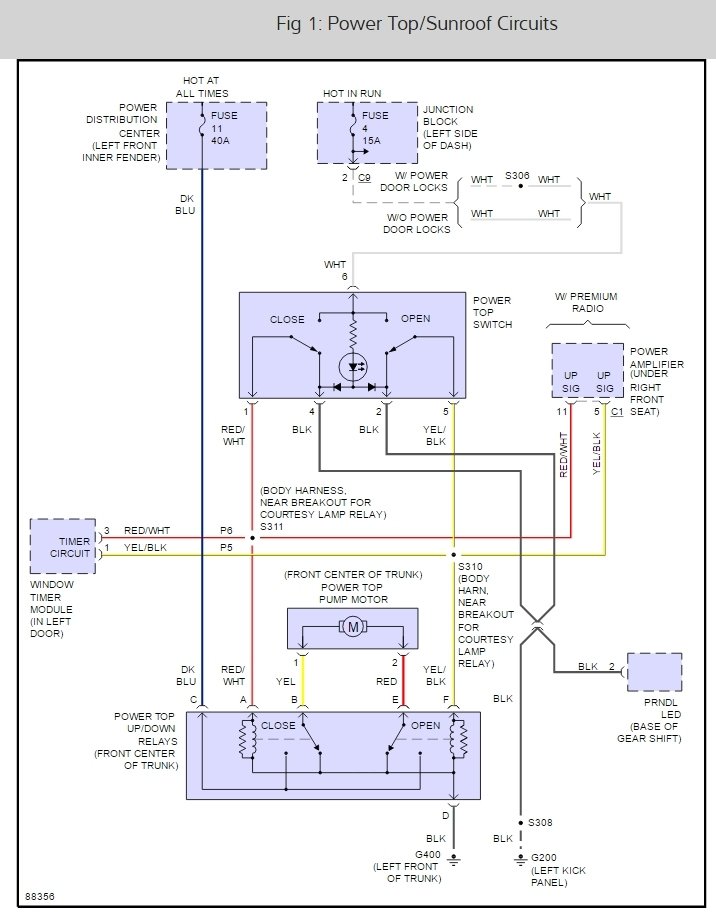
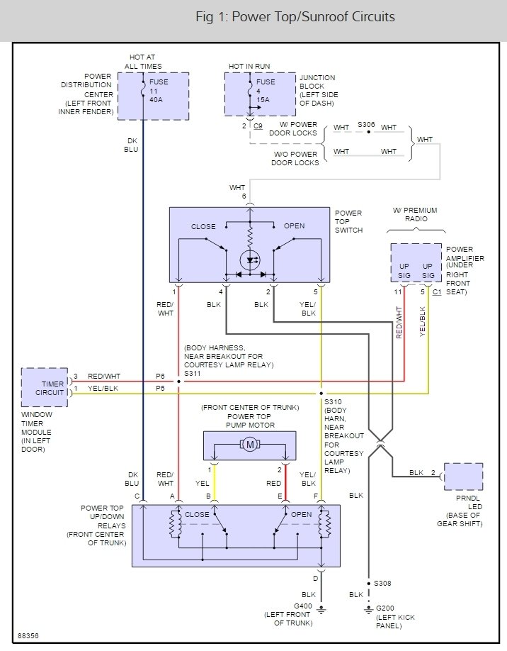
I did notice the window power module in the driver's door, it ties in with the convertible top and the alarm.

Here is a wiring diagram so you can see for yourself. I would try and change out the module and give it a try.

To disarm the security system open the hood and remove the negative battery cable and hold it to the positive terminal which will discharge the capacitors and reset the system (hard reboot) recommend the battery and you should ready to go

https://www.2carpros.com/articles/how-to-reset-a-security-system

Check out the diagrams (Below) Please let us know what happens
Was this
answer
helpful?
Yes
No
+6
Wednesday, December 14th, 2016 AT 6:47 PM

Please login or register to post a reply.