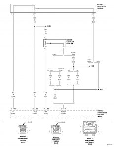
I changed the Camshaft Position Sensor and now I get P0344. I have had the error codes reset with an OBDII and get 0 errors returned but as soon as I start the vehicle I get the P0344 error back and the car goes into limp mode. I even put the old sensor back on, with the same results. Thanks for you help!
Thursday, May 13th, 2010 AT 4:56 PM



