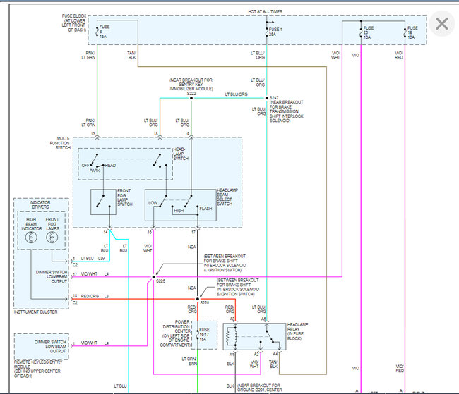
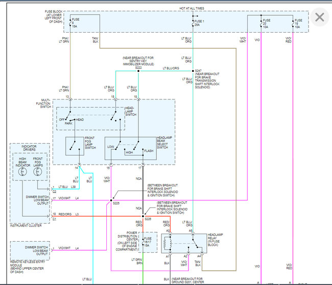
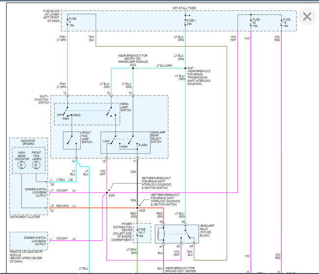
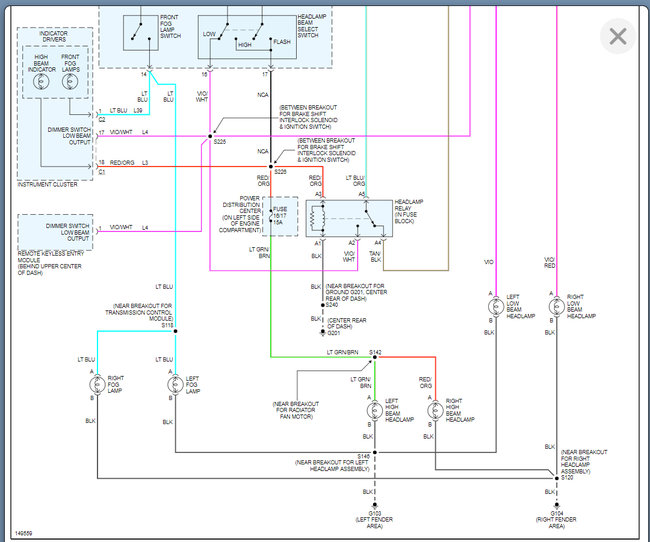
Monday, May 19th, 2008 AT 8:32 PM
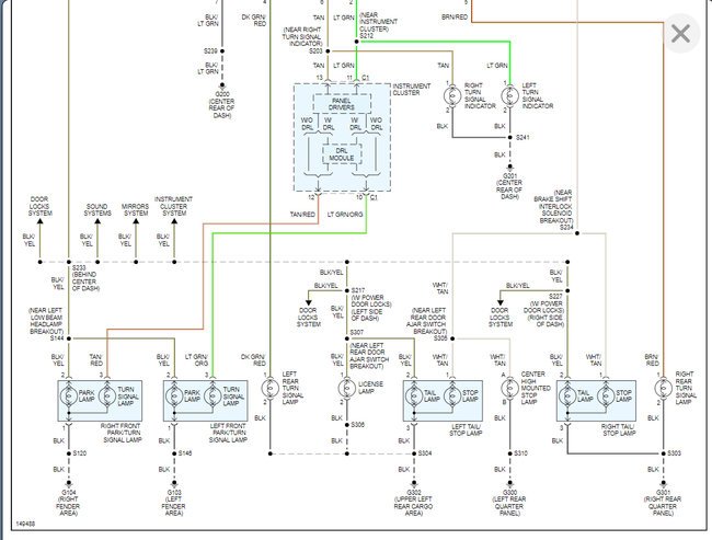
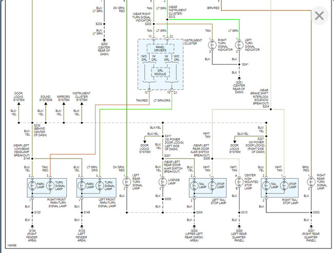
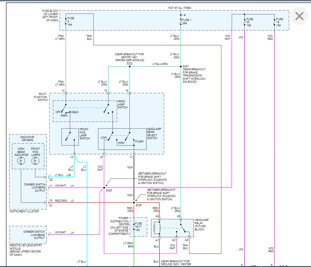
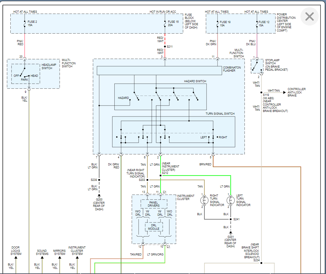
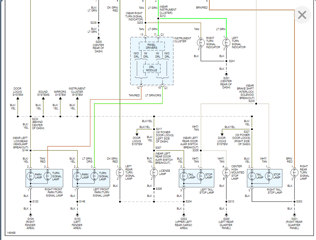
Last night all my light were working. Tried to go to work. I hit the switch to unlock the car. I get nothing. The head lights and tail light does not work. I have to unlock the door with my key. Car runs fine. Just can lock or unlock with remote.








