Running lights will not work?

Tiny
BUGBURR
  • MEMBER
  • 1985 CHRYSLER NEW YORKER
  • 4 CYL
  • FWD
  • AUTOMATIC
  • 100,000 MILES
The running lights will not work. But the turn singles, brake lights all work?
Saturday, December 15th, 2007 AT 12:08 PM

2 Replies

Tiny
MERLIN2021
  • MECHANIC
  • 17,250 POSTS
Have you checked the fuse, and bulbs? If yes, check your switch.
Was this
answer
helpful?
Yes
No
Saturday, December 15th, 2007 AT 12:12 PM
Tiny
KEN L
  • MASTER CERTIFIED MECHANIC
  • 55,512 POSTS
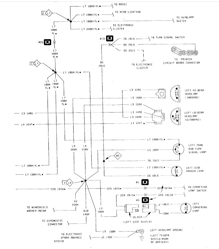
It sounds like a fuse or the system has a bad ground. Here is a guide to help fix it and I have included the wiring diagrams so you can see how the system works.

https://www.2carpros.com/articles/no-tail-lights-exterior-running-lights-tail-lights-out

Check out the images (below). Please let us know what happens.

Was this
answer
helpful?
Yes
No
Thursday, October 17th, 2024 AT 5:53 PM

Please login or register to post a reply.