Friday, July 9th, 2010 AT 9:46 AM
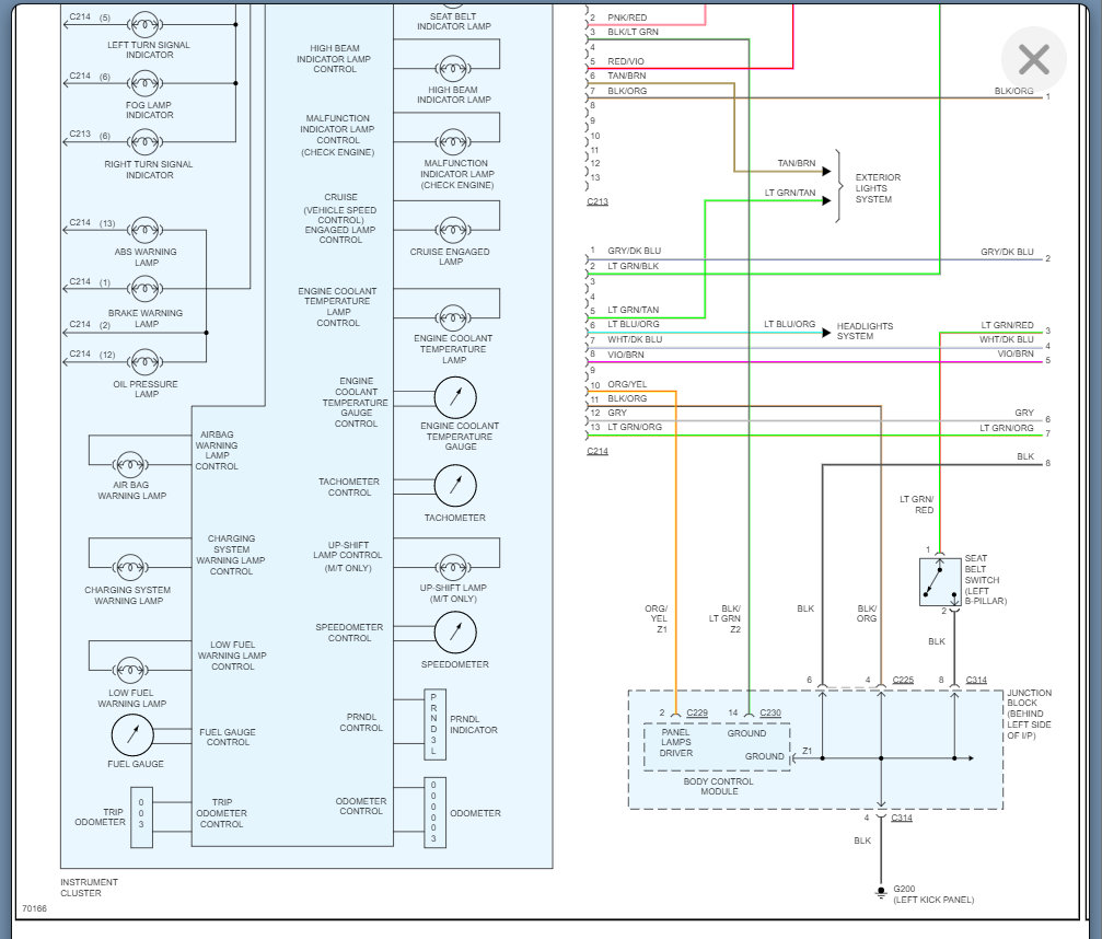
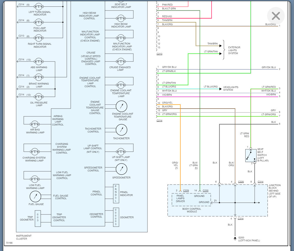
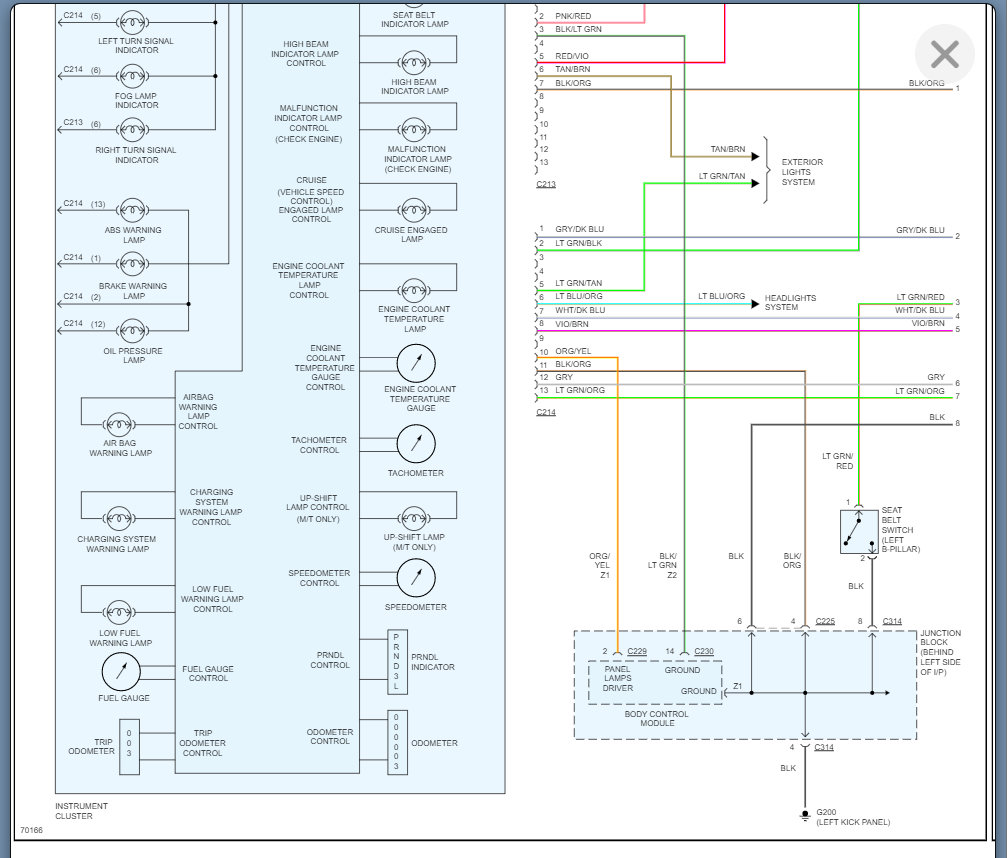
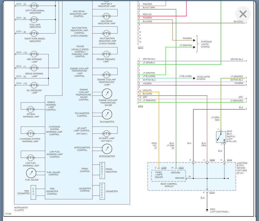
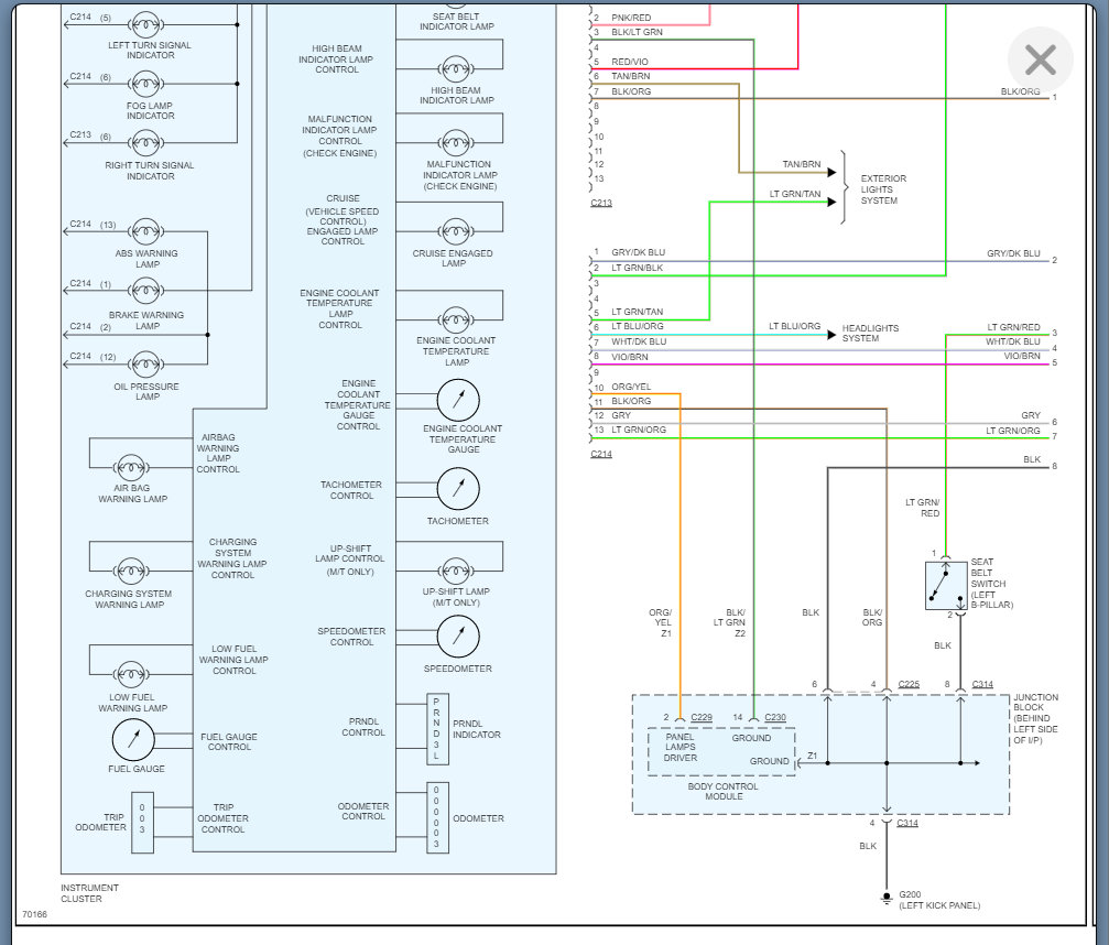
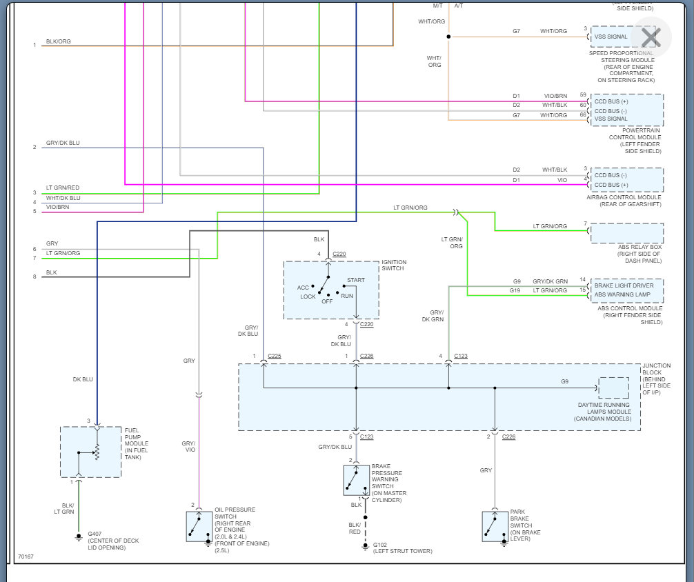
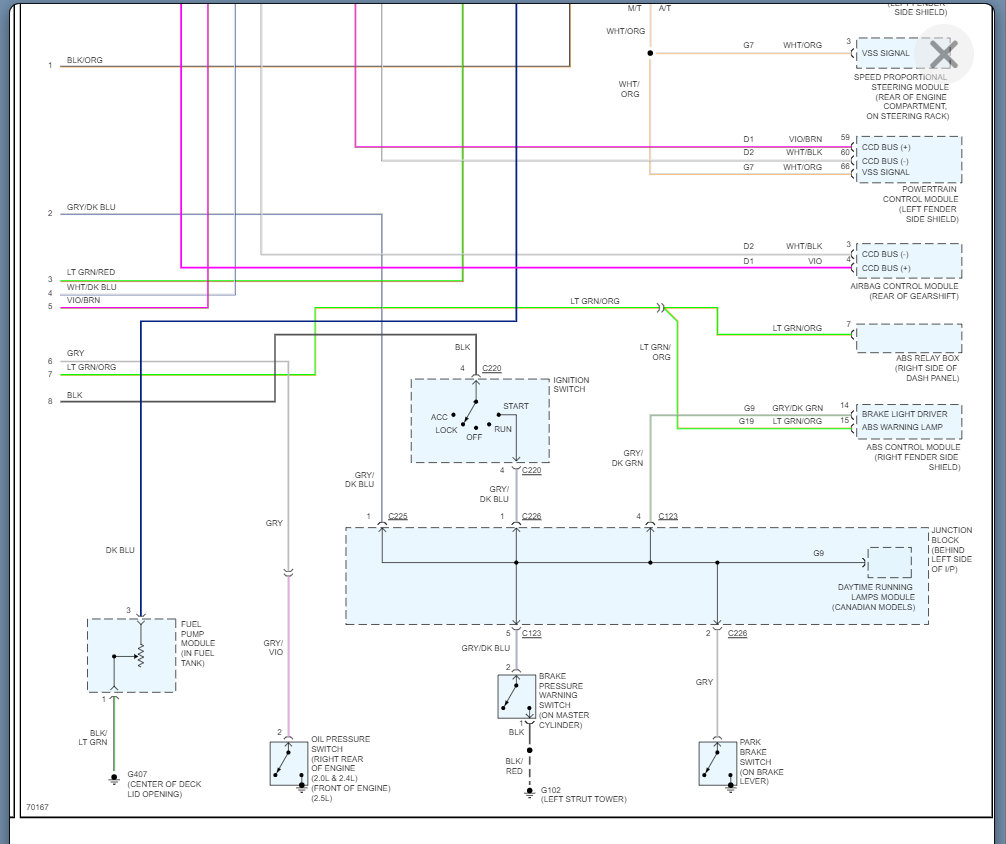
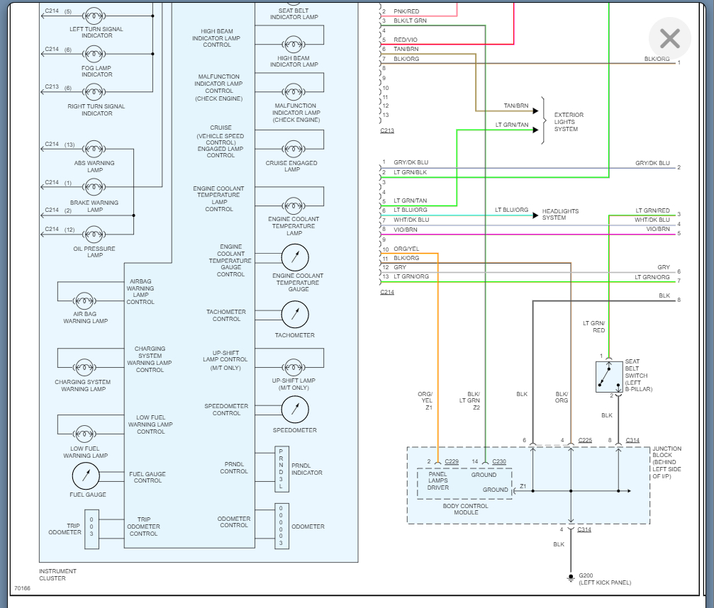
The problem that I am having is that the instrument cluster was working intermittently. The gauges worked and then stopped working. When the instrument cluster showed the mileage the car would start up and stay running. When the instrument cluster showed that 0 miles on the cluster and no gauges the car would start up and then stall out again. Now the car is saying 0 miles and will stay running. I have check the fuses and also tried retrieving the trouble codes. When trying to retrieve the trouble codes it says no communication. What should I do from here?







