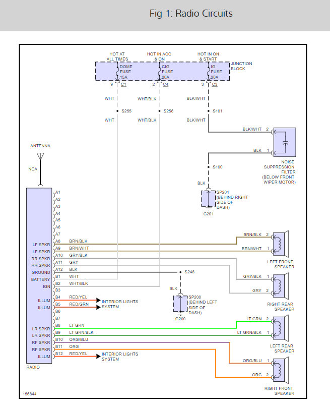
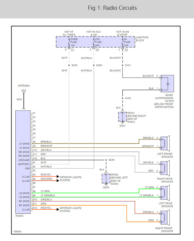
Tuesday, September 25th, 2018 AT 5:28 AM
Everything worked fine and I could hear the music until I went to install the back up camera. The speakers made a pop sound and now do not work.




