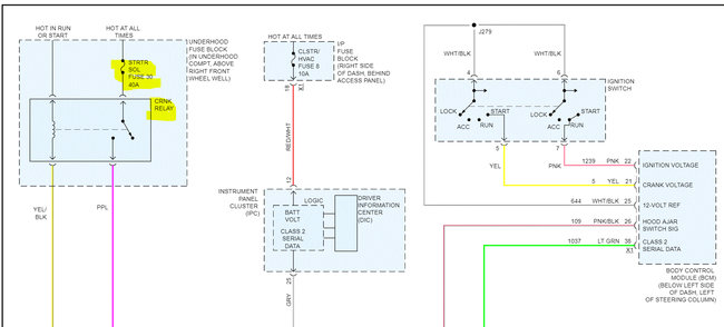
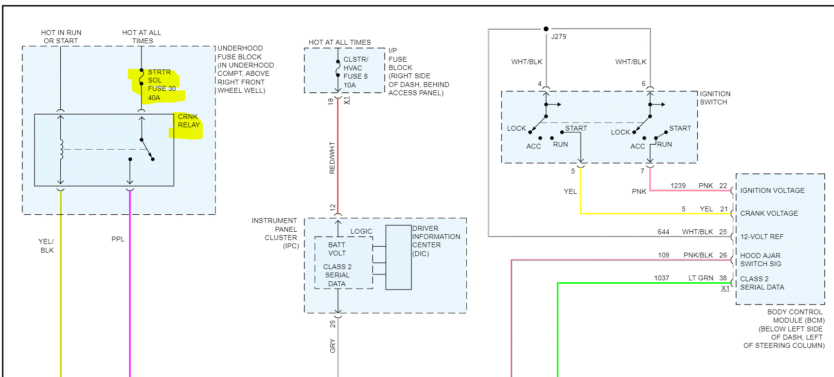
Monday, September 28th, 2020 AT 10:41 AM
Hello, I replaced that starter that went out, then I found out alternator was bad so then that got rebuilt same as starter. After that I also got a new battery to ensure that would eliminate all of the issue. Got it all back together. It cranked over and ran for about 10 minutes during this time the "battery saver active" came on, then went off again a few minutes later. Short after van just completely shut off and will not even crank back over now. I have full power it shows but not doing anything. Any suggestions? I'm going nuts.




