2000 Chevy Venture 6 cyl Front Wheel Drive Automatic 90k miles
This is complictaed, for me at least.
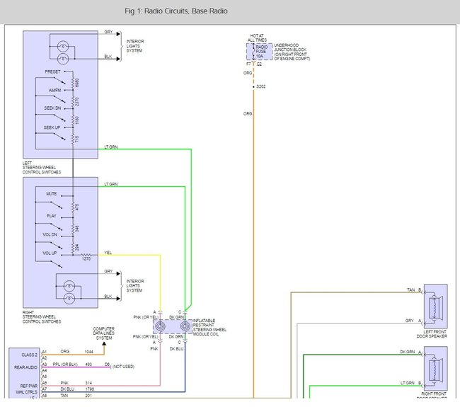
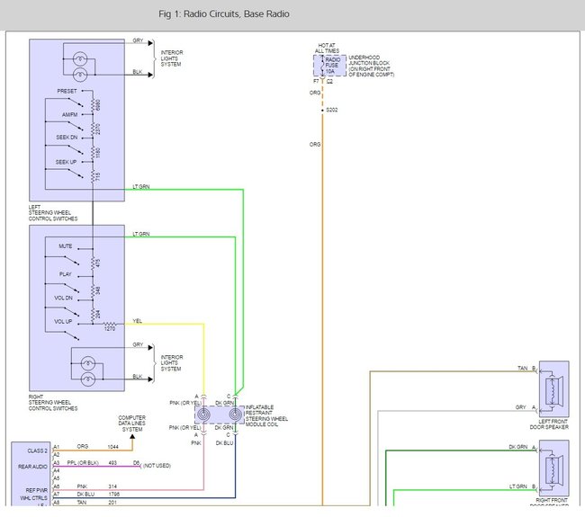
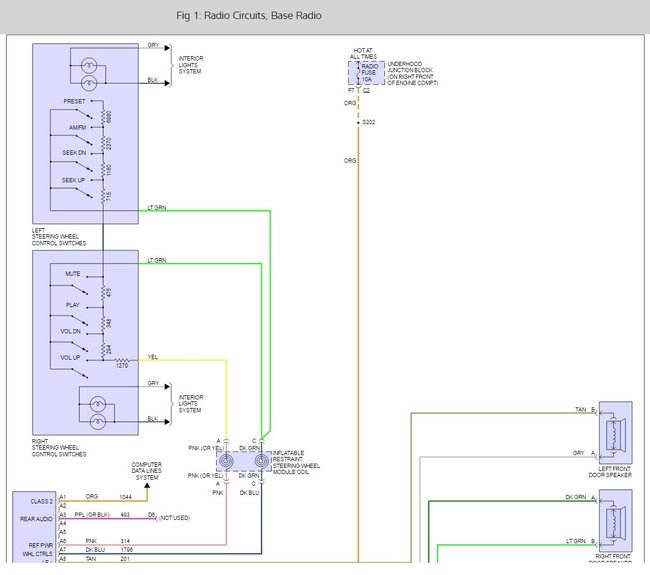
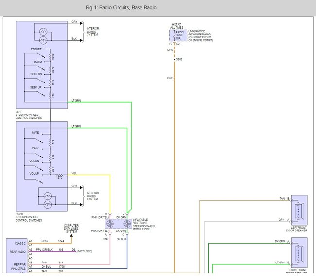
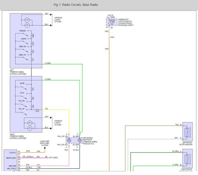
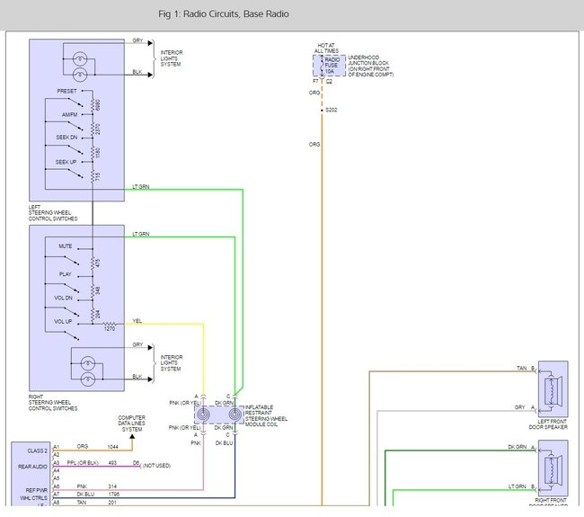
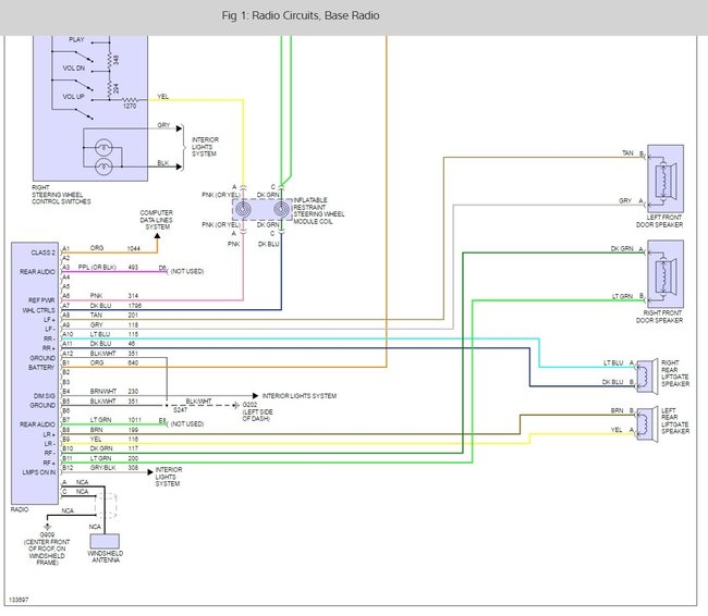
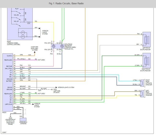
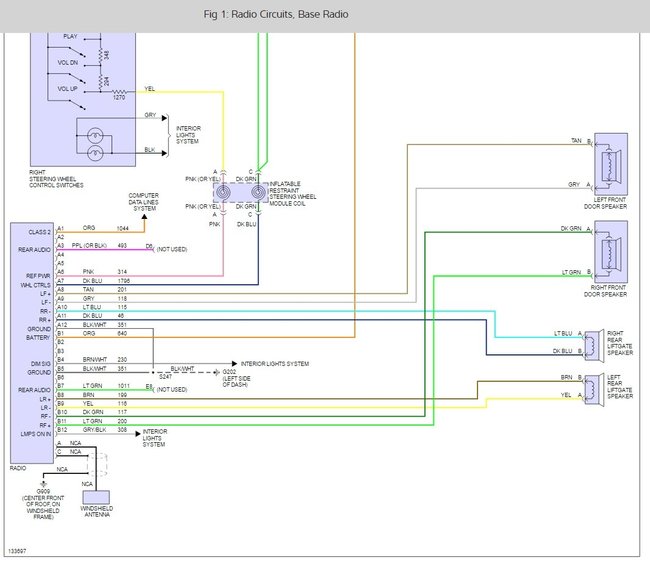
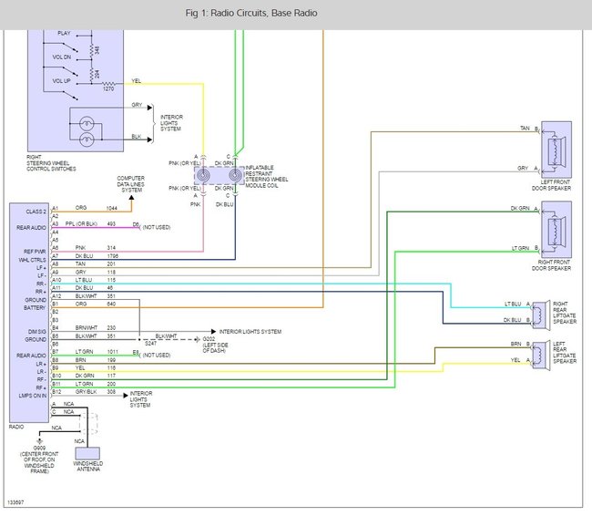
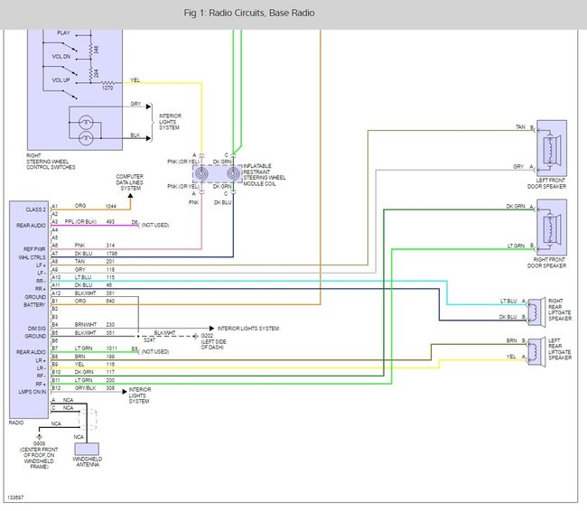
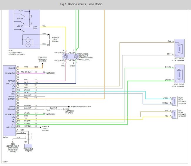
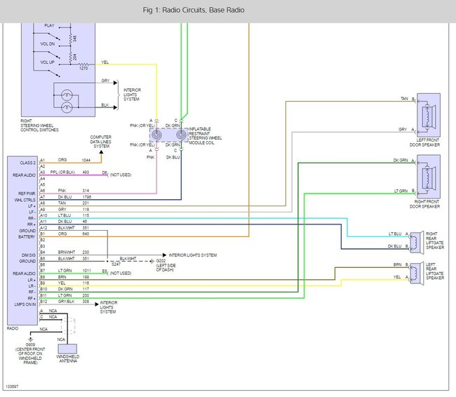
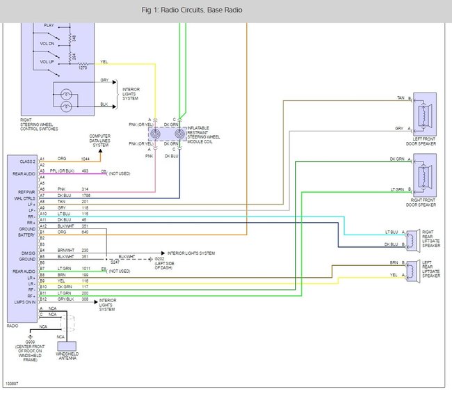
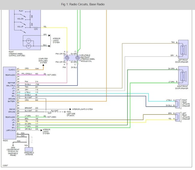
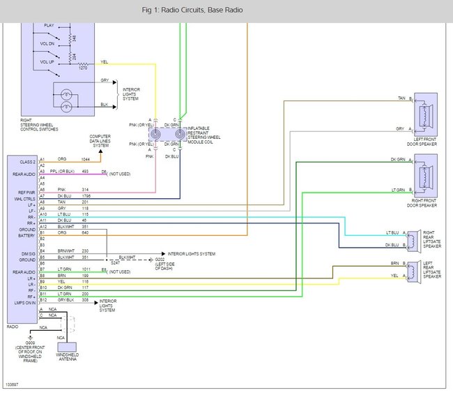
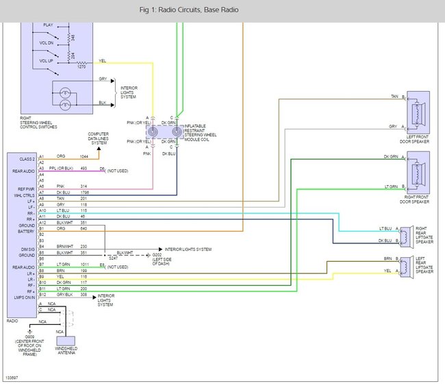
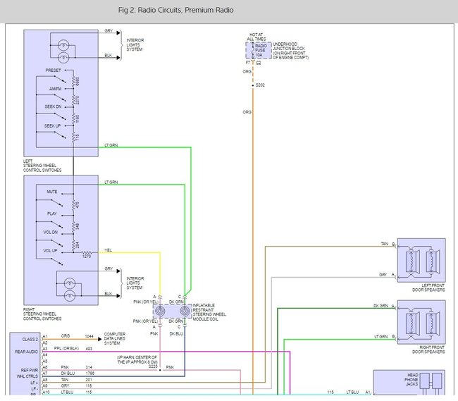
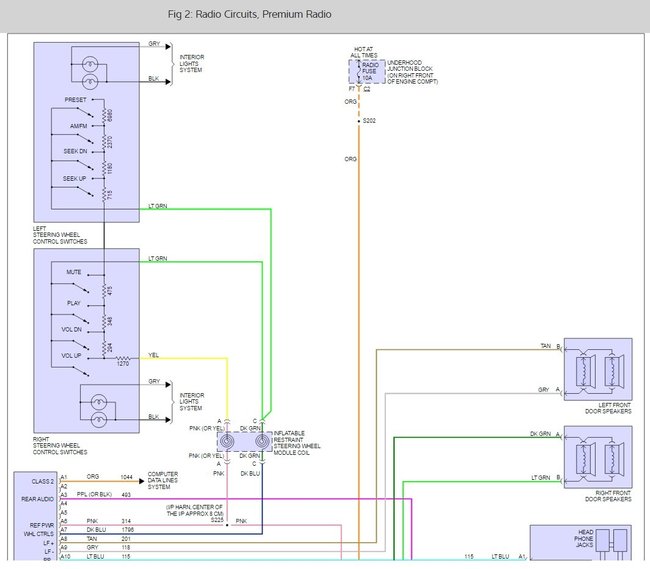
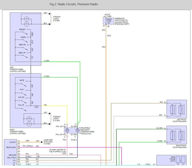
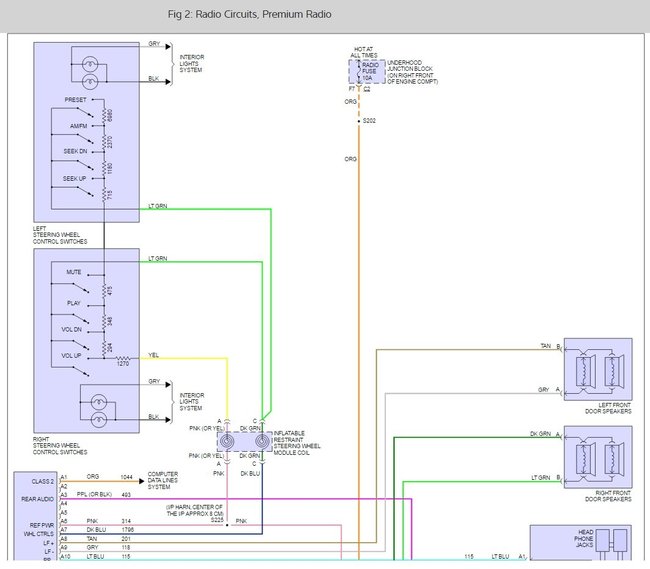
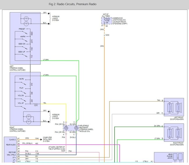
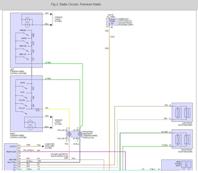
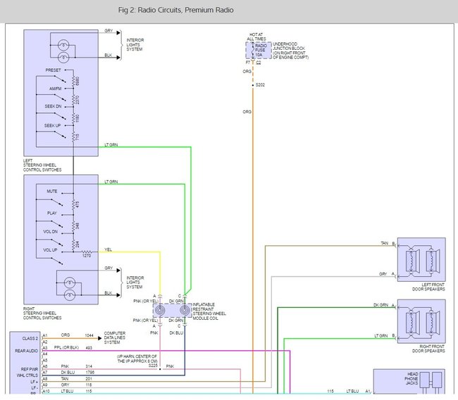
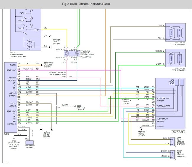
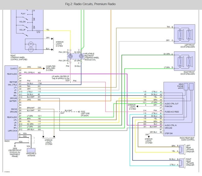
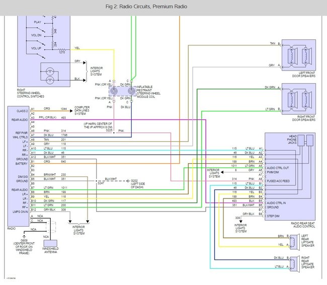
I have a 2000 Chevy Venture with a factory AM/FM CD player, no OnStar, no Bose, no Alarm.
I need to supply switched 12v power to an aftermarket stereo that I want to install. I tried using several different aftermarket modules (Metra, Scoshe, etc.) For this, and none have worked. One even caused my DIC to display erroneous messages, such as "security" and "low fuel", and caused my fuel gauge to read empty.
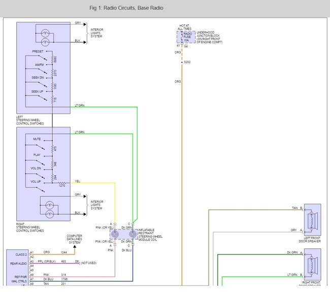
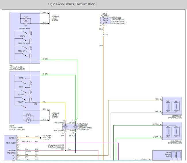
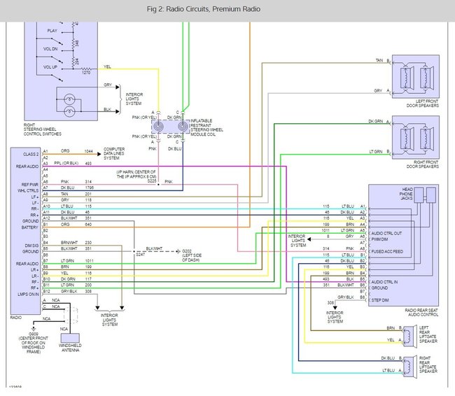
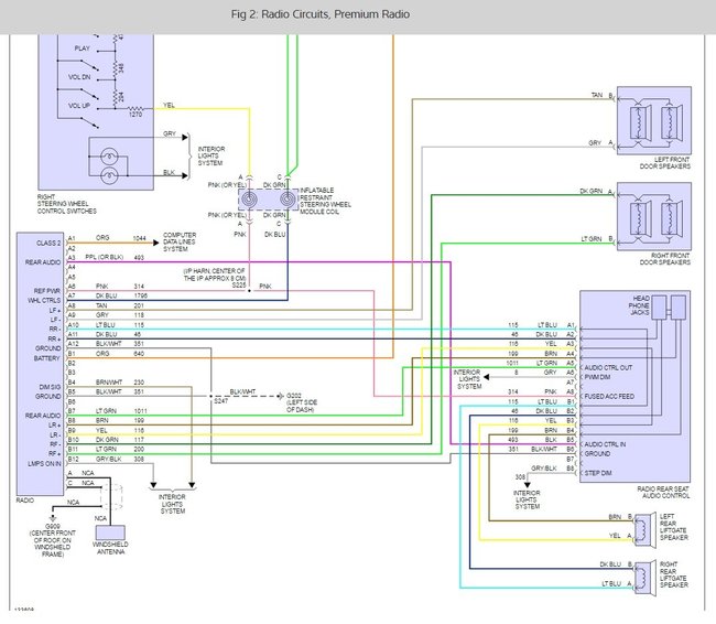
Apparently some computer lines were routed through the factory radio. There is a 24pin connector on the harness with eighteen wires, I only need twelve: eight for speakers, one for 12v constant, one switched 12v, ground, and illumination. I know there is no connection for a "switched" 12v source (accessory) in this vehicle.
My chimes all work even with the radio removed. I tested the grounds in the radio harness (two b/w wires), and I have fluctuating resistance readings in them, which suggests to me that these don't go directly to a chassis ground. There doesn't appear to be any problems with the factory radio removed and the harness disconnected.
Is it possible to wire directly to the RAP relay to get my switched 12v power, and can you tell me where the realy is located? I also want to try going direct from the radio ground to the chassis. I have tried finding a wiring diagram that shows something other than the generic twelve wires I listed above, but no luck.
Saturday, February 28th, 2009 AT 11:12 AM







