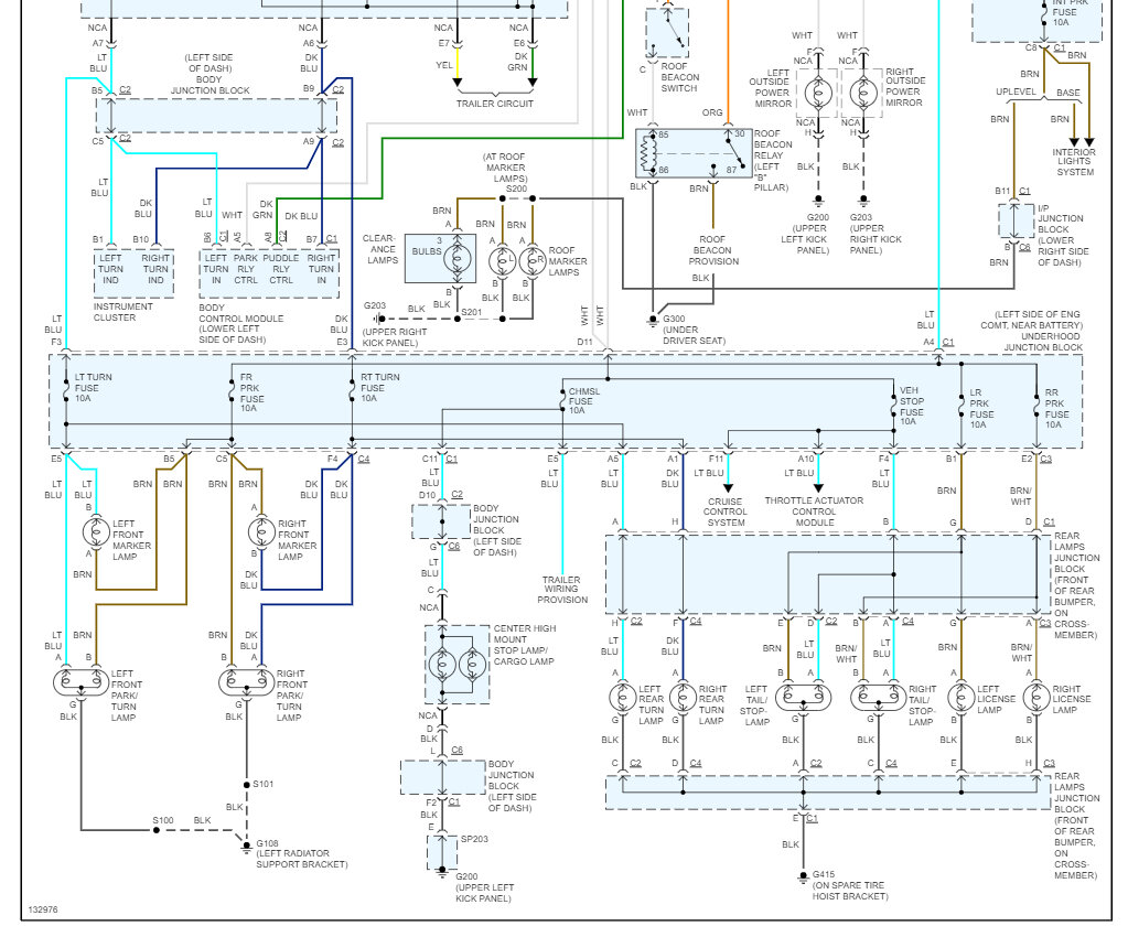
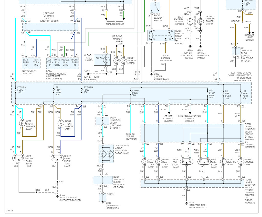
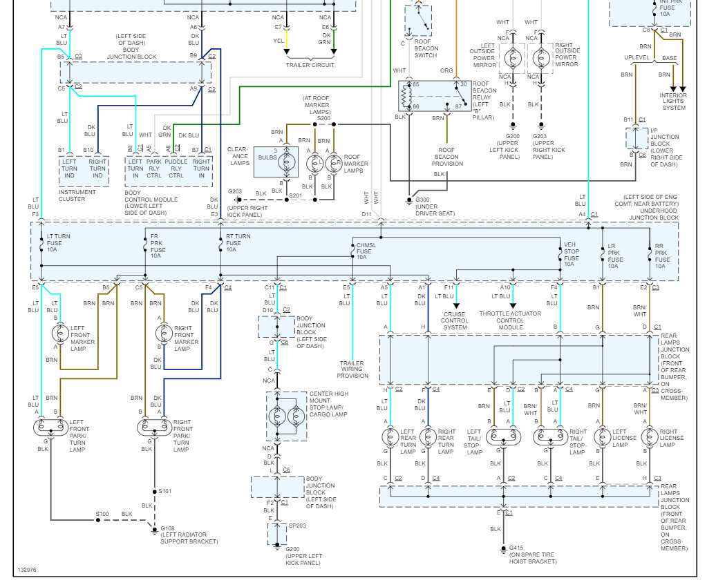
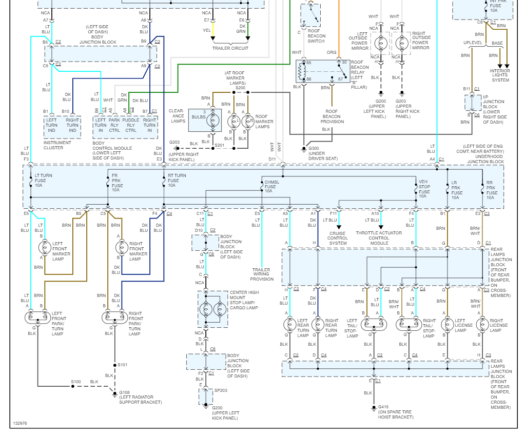
All bulbs are good, replaced flasher. Replaced blinker switch ($150.00). Replaced stop/hazard relay. Checked ground to frame coming out of wiring harness towards back. Still no worky!
With hazards on. Push brake, hazards come on in dash and in front. Dose not blink. Let brake lever up they go off.
Saturday, October 23rd, 2010 AT 5:26 PM


