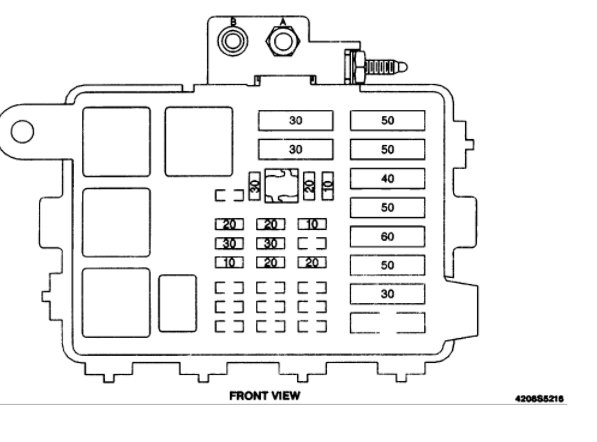
Instrument panel fuse block. The instrument panel fuse block is located under driver's side of the instrument panel to the left of the steering column, behind a cover. To identify instrument panel fuse block components, refer to illustration. (See the diagrams below)
Here is a guide on how to check the fuses
https://www.2carpros.com/articles/how-to-check-a-car-fuse
1- Fuse and Circuit Breaker Identification - Stop/Haz 20 Amp (Yellow):
Stop/TCC Switch, Hazard Flasher, Seat Belt Reminder, Stoplights, CHMSL (Center High Mounted Stop Light)
2 - T Case (Not Used): Transfer Case
3 - CTSY 20 Amp (Yellow): Courtesy Lamps, Cargo Lamp, Glove Box Light, Power Mirrors, Dome/Reading Lamps, Vanity Mirrors
4 - Gauges 10 Amp (Red): DRL Relay, DRL Module Buzzer, Headlamp Switch, Keyless Entry, Cluster/Gauges, Low Coolant Module, Convenience Center Electromagnetic Rear-view Mirror with Compass
5 - RR HVAC 10 Amp (Red): RR HVAC Controls
6 - Cruise 10 Amp (Red): Cruise Module, Cruise Activator Switch
7 - AUX PWR 25 Amp (Clear): Power Outlets (2)
8 - Crank 10 Amp (Red): Diesel Fuel Pump, DERM ECM (Air Bag), PCM
9 - Park Lamps 20 Amp (Yellow): License Plate Light, Park Lamps, Tail Lamps, Ashtray Lamp, Door Switch Illumination, Headlight ON Warning, Side Marker Fog Lamp Relay, Clearance Lights, Heater & A/C Illumination
10 - Air Bag 10 Amp (Red): DERM (Air Bag)
11 - Wiper 25 Amp (Clear): Windshield Washer/Wiper
12 - HTR-A/C 25 Amp (Clear): L, Ml, M2 Blower, HVAC Indicator Lamp, A/C Compressor, Mode/Temp/Air In Actuator, High Blower Relay, Transfer Case
13 - CIG LTR 20 Amp (Yellow): Cigar Lighter, Power Amplifier, Door Lock Relay, Power Lumbar Seat, Rear Lift-glass
14 - ILLUM 10 Amp (Red): 4WD Indicator Lamp, Cluster, HVAC Controls, Chime Module, Radio Illumination, Instrument Panel Switches, RR HVAC Controls
15 - DRL-FOG 20 Amp (Yellow): DRL Relay, Fog Lamps
16 - Turn B/U 20 Amp (Yellow): Front Turn, RR Turn, Trailer Turn, Back-up Lamps, BTSI (Brake/Transmission Shift Interlock) Solenoid
17 - Radio 10 Amp (Red): Radio (IGN)
18 - Brake 10 Amp (Red): DRAG, 4WAL/PCM, ABS, Cruise
19 - Radio 10 Amp (Red): Radio (BATT)
20 - Acc/Ign 10 Amp (Red): PRNDL, Auto Transmission, Speedometer, Check Gauges, Tell Tale
21 - Not Used
22 - Not Used
23 - Not Used
24 - 4WD 25 Amp (Clear): 4X4 Models - Front Axle Actuator, 4WD Indicator Lamp, TP2 Relay, Hour Meter (7Y4 Option) A - PWR AGCY 20 Amp - C/K Reg. & Ext. Cab (Circuit Breaker): Power Door Lock, 6 Way Power Seat, Keyless Entry Module 30 Amp - C/K Crew Cab (Circuit Breaker): Power Door Lock, 6 Way Power Seat, Keyless Entry Module B - PWR WDOS: 20 Amp - C/K Reg. & Ext. Cab (Circuit Breaker): Power Windows 30 Amp - C/K Crew Cab (Circuit Breaker): Power Windows

UNDER-HOOD FUSE/RELAY CENTER WARNING:Always disconnect battery ground cable before servicing "high-current fuses. It is recommended that "high-current" fuses be replaced by a qualified technician.To identify instrument panel fuse block components, refer to illustration. See Fig. 2 .Fig. 2: Under hood Fuse/Relay Center Identification Courtesy of GENERAL MOTORS CORP.
Fuse & Relay Identification - Spare
2 - STOP 30 Amp Maxi-fuse (Green) Stop Lamps
3 - A/C 50 Amp Maxi-fuse (Red) High Blower Relay, Rear Blower Relay
4 - ABS 60 Amp Maxi-fuse (Blue) ABS Module
5 - IGN B 50 Amp Maxi-fuse (Red) 50 Amp IGN B Switch, Go To Fuse Block Busbar
6 - IGN A 40 Amp Maxi-fuse (Amber) IGN A Switch, Go To Fuse Block Busbar
7 - BATTERY 50 Amp Maxi-fuse (Red) Battery, Fuse Block Busbar
8 - LIGHTING 50 Amp Maxi-fuse (Red) Headlamp & Panel Dimmer Switch, Fog Lights, Courtesy Lights
9 - 30 Amp (Green)
10 - 30 Amp (Green)
11 - 10 Amp (Red) Spare
12 - 20 Amp (Yellow) Spare
13 - 30 Amp (Green) Spare
14 - Not Used
15 - A/C COMP 10 Amp (Red) SW A/C Pressure to A/C Clutch
16 - HORN 20 Amp (Yellow) Horn, Under-hood Lamps
17 - ECM B 20 Amp (Yellow) Fuel Pump, PCM
18 - Not Used
19 - AUX FAN 30 Amp (Green) Aux. Fan
20 - RR- DEFOG 30 Amp (Green) RR DEFOG
21 - ENG 120 Amp (Yellow) IGN A Switch to Engine Loads, EGR, Canister Purge EVRV Idle Coast Solenoid, Heated 02 Sensor, Fuel Heater, Water Sensor
22 - ECM 120 Amp (Yellow) Injector #l, Injector #2, PCM
23 - FUEL SOL 20 Amp (Yellow) Fuel Solenoid (Diesel Engine Only)
24 - Not Used
25 - Not Used
26 - IGN E 10 Amp (Red) Aux Fan Relay Coil, Hot Fuel Module
27 - Not Used
28 - Not Used
29 - GLOW PLUGS 10 Amp (Red) Glow Plugs (Diesel Engine Only)
30 - Not Used
31 - Not Used
32 - Not Used A - 30 Amp B - 30 Amp UY1, UY7 Camper/Trailer Wiring C - Brake Lamp Relay D - Horn Relay E - Auxiliary Fan Relay F - A/C Relay G - Fuel Pump Relay

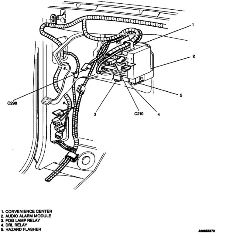
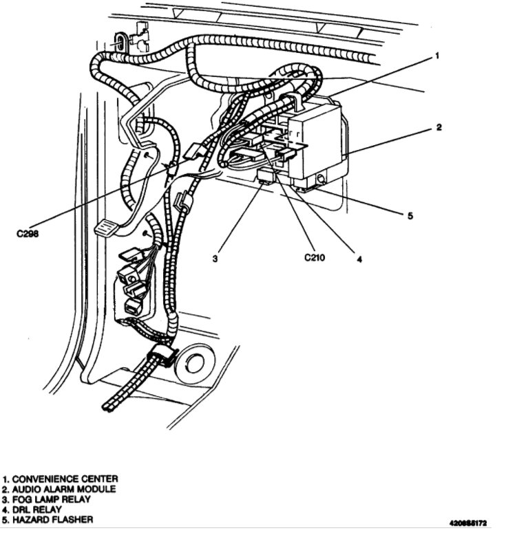
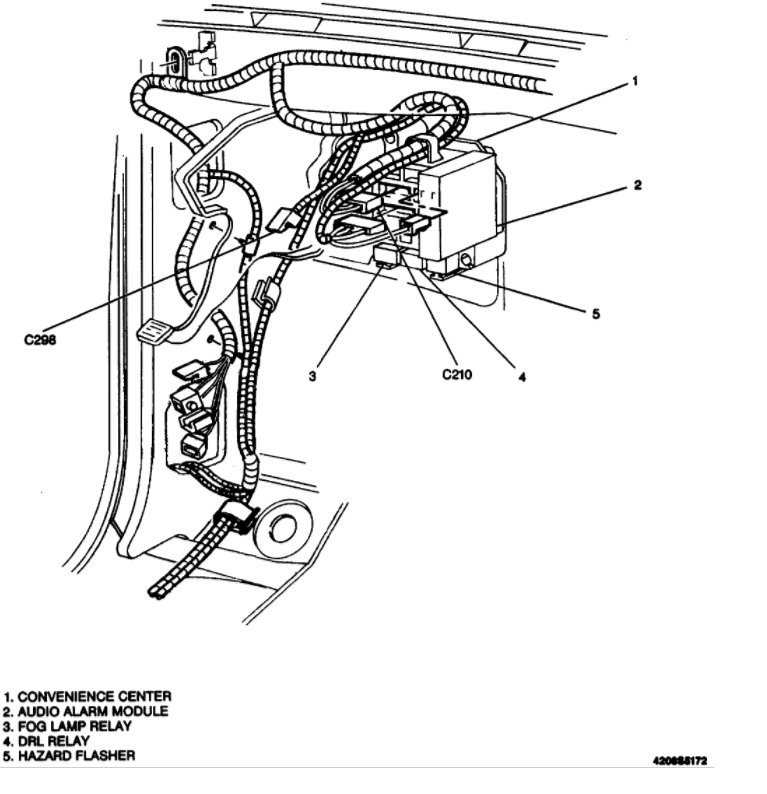
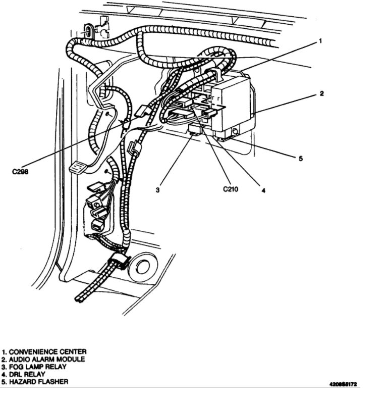
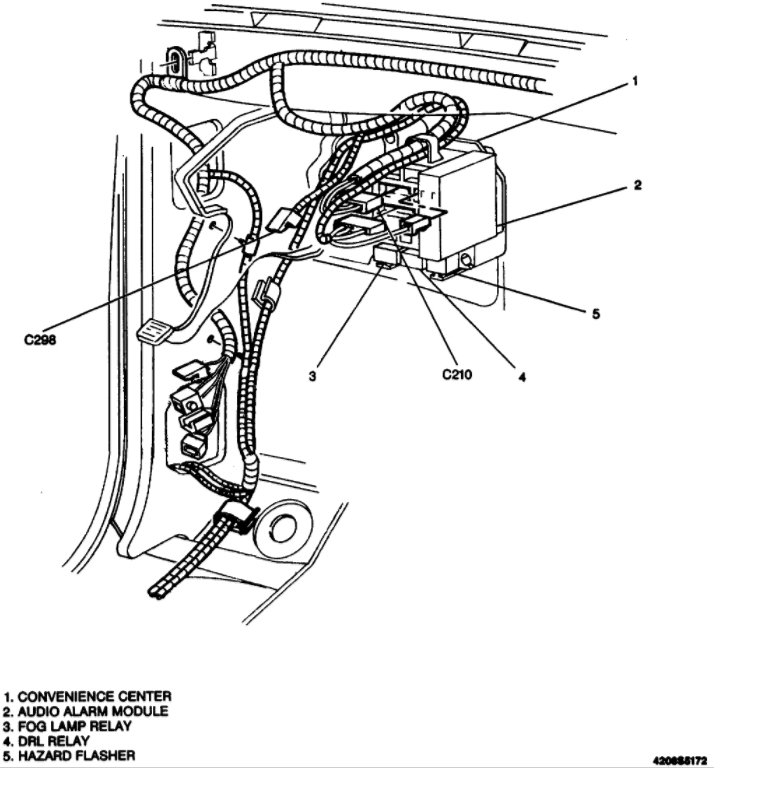
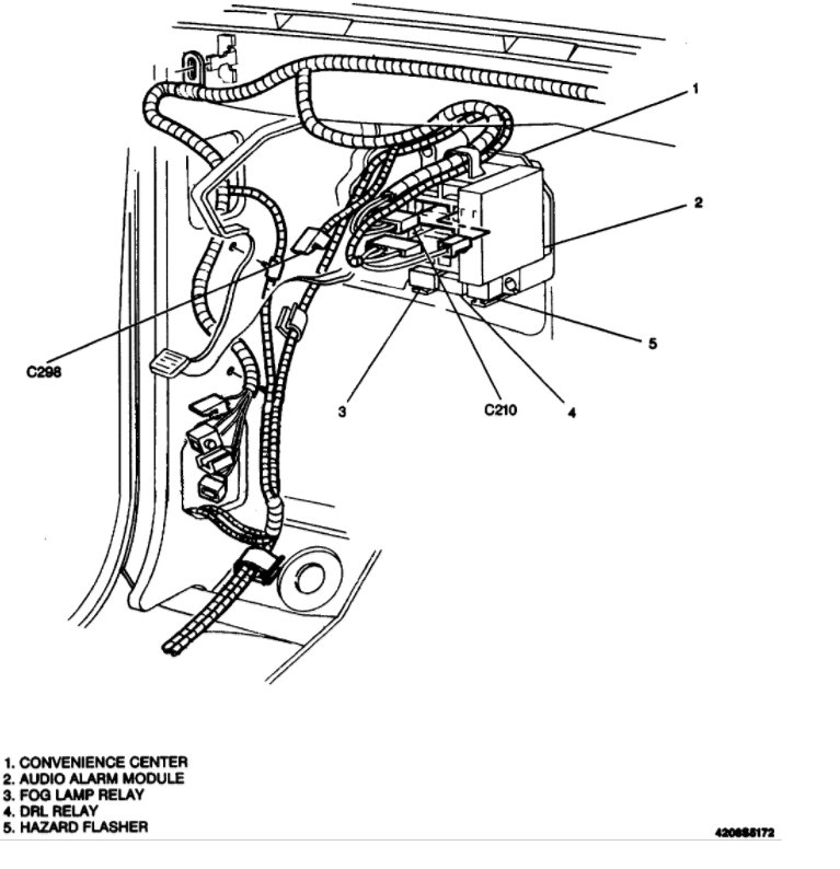
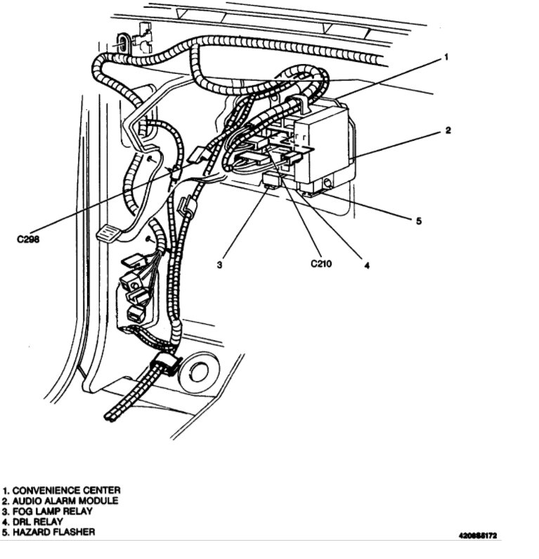
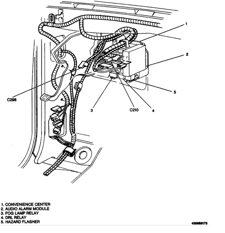
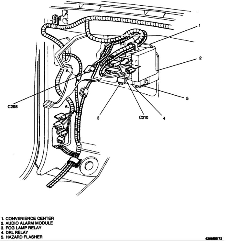
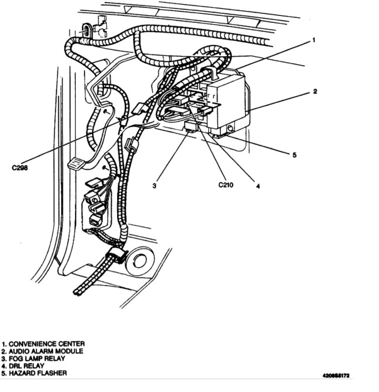
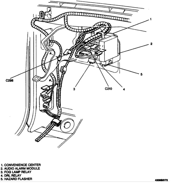
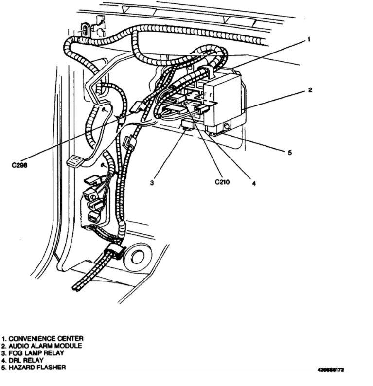
CONVENIENCE CENTERFig. 3: Convenience CenterCourtesy of GENERAL MOTORS CORP.Fuse & Circuit Breaker IdentificationA - Fog Lamp Relay B - DRL (Daytime Running Lights) Relay C - Hazard Flasher D - Chime

Images (Click to make bigger)
Wednesday, February 17th, 2010 AT 10:34 AM