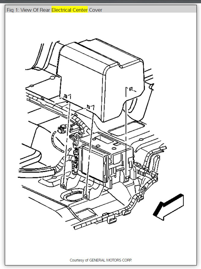
Fold seat to Move in order to get to the fusebox with ID

Tiny
KARLACTIONBOWMAN
  • MEMBER
  • 2008 CHEVROLET TRAILBLAZER
  • 6 CYL
  • 4WD
  • AUTOMATIC
  • 20,000 MILES
We cannot figure out to get the flip/fold seat to move in order to get to the fusebox. The car was bought used.
Friday, June 26th, 2009 AT 1:18 PM

13 Replies

Tiny
JDL
  • MECHANIC
  • 16,098 POSTS
Hello, here is help with the rear seat and the fuse panel location and identifications (below) as well with a guide to help you with the testing.

https://www.2carpros.com/articles/how-to-check-a-car-fuse


https://www.2carpros.com/forum/automotive_pictures/170934_chevy_trailblazer_2.jpg



Check out the diagrams (Below). Please let us know what happens.
Was this
answer
helpful?
Yes
No
Friday, June 26th, 2009 AT 3:01 PM
Tiny
2CP-ARCHIVES
  • MEMBER
  • 4,540 POSTS
  • 2008 CHEVROLET TRAILBLAZER
  • 85,000 MILES
How do you find the under hood fuse box
Was this
answer
helpful?
Yes
No
-1
Saturday, May 8th, 2021 AT 5:44 PM (Merged)
Tiny
KEN L
  • MASTER CERTIFIED MECHANIC
  • 55,112 POSTS
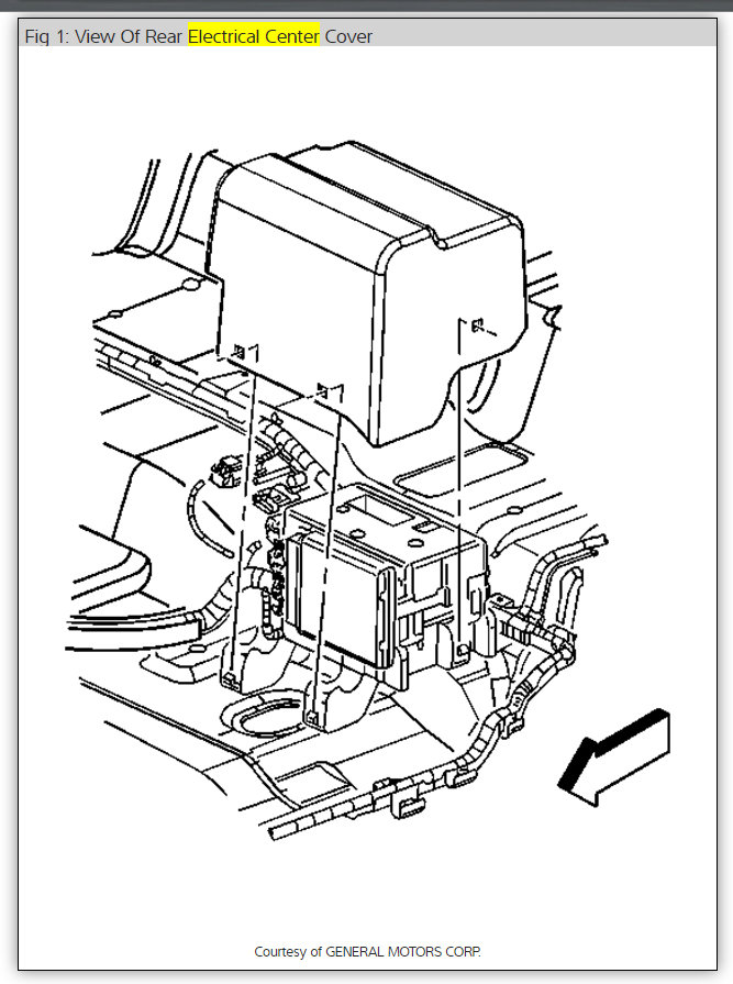
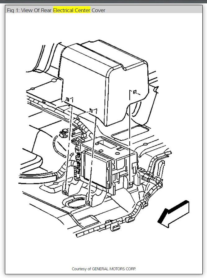
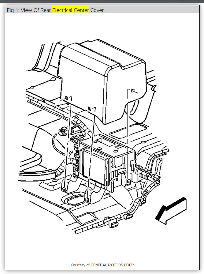
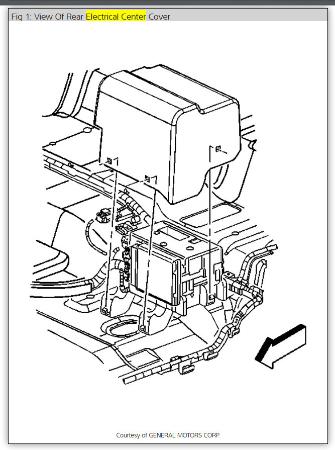
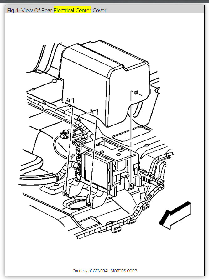
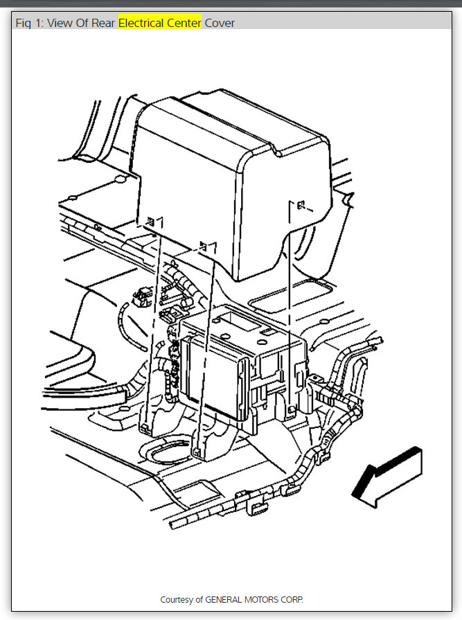
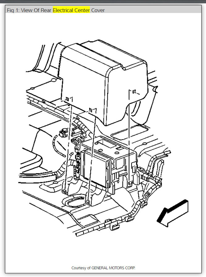
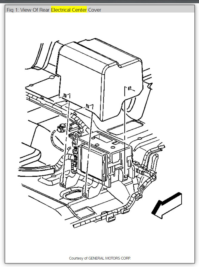
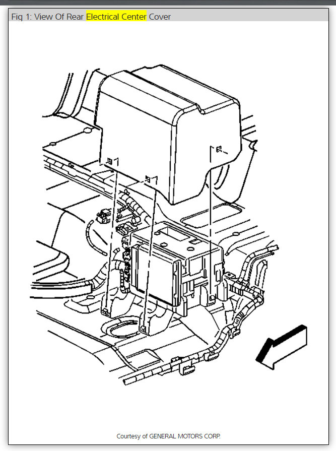
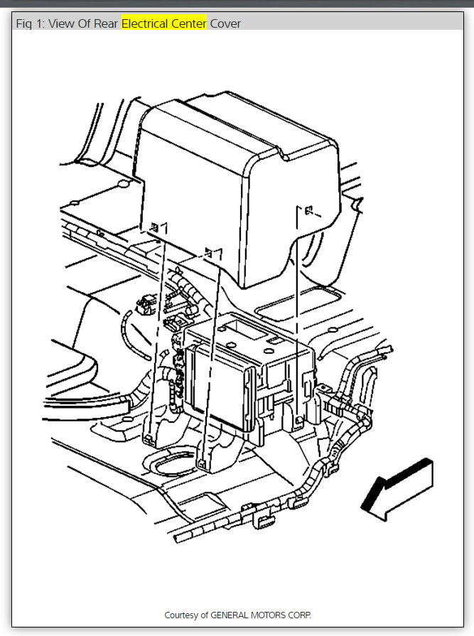
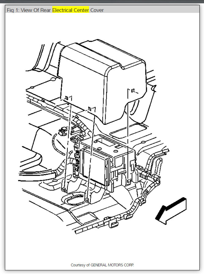
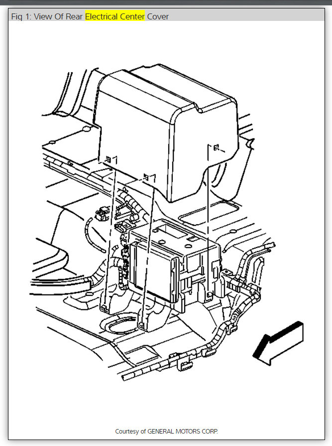
First remove battery cables. Next remove fuses and make sure you have the diagram under the fuse box cover to replace them, removing them may not be necessary if you can access all retaining screws. Remove all retaining screws. Remove the three main power screws to the box. On the back of the fuse box carefully dis-connect the electrical connectors as they may have become somewhat brittle with heat and time. They are usually pinch type connectors. Then the fuse box should pull away. Here are some diagrams to help you (below) Please let us know if you need anything else to get the problem fixed.
Was this
answer
helpful?
Yes
No
+4
Saturday, May 8th, 2021 AT 5:44 PM (Merged)
Tiny
JAX4103
  • MEMBER
  • 1 POST
  • 2006 CHEVROLET TRAILBLAZER
  • 6 CYL
  • 4WD
  • AUTOMATIC
  • 100,653 MILES
Can you tell me where the fuses are and what they go too?
Was this
answer
helpful?
Yes
No
+1
Saturday, May 8th, 2021 AT 5:44 PM (Merged)
Tiny
KASEKENNY
  • MECHANIC
  • 18,907 POSTS
Sure. I am attaching the info below on the fuse box. Please run through this info and let us know if you need more info.

Here is a guide that will help with this info:

https://www.2carpros.com/articles/how-to-check-a-car-fuse

Please let us know what else you need. Thanks
Was this
answer
helpful?
Yes
No
Saturday, May 8th, 2021 AT 5:44 PM (Merged)
Tiny
LBURTON71
  • MEMBER
  • 1 POST
  • 2006 CHEVROLET TRAILBLAZER
  • 4.6L
  • 6 CYL
  • 4WD
  • AUTOMATIC
  • 145,000 MILES
Where is the fuse for the radio?
Was this
answer
helpful?
Yes
No
Saturday, May 8th, 2021 AT 5:45 PM (Merged)
Tiny
HMAC300
  • MECHANIC
  • 48,601 POSTS
Hello,

The fuse for the radio is in the passengers compartment here is a guide to help you test the fuse and the location of the fuse panels are in the diagrams below.

https://www.2carpros.com/articles/how-to-check-a-car-fuse

Check out the diagrams (Below). Please let us know if you need anything else to get the problem fixed.
Was this
answer
helpful?
Yes
No
+2
Saturday, May 8th, 2021 AT 5:45 PM (Merged)
Tiny
RFEKETE
  • MEMBER
  • 1 POST
  • 2005 CHEVROLET TRAILBLAZER
  • 170,000 MILES
The fuse map does not show location, it only shows washer fluid. Blades will not shut off.
Was this
answer
helpful?
Yes
No
Saturday, May 8th, 2021 AT 5:45 PM (Merged)
Tiny
KEN L
  • MASTER CERTIFIED MECHANIC
  • 55,112 POSTS
This problem is because the BCM needs to be replaced here are instructions in the diagrams below. Here is the wiper wiring so you can see how the system works with fuse and relay locations as well. Check out the diagrams (Below). Please let us know what happens.
Was this
answer
helpful?
Yes
No
+3
Saturday, May 8th, 2021 AT 5:45 PM (Merged)
Tiny
ALICE RUSH
  • MEMBER
  • 3 POSTS
  • 2004 CHEVROLET TRAILBLAZER
  • V8
  • 4WD
  • AUTOMATIC
  • 18,000 MILES
The fuse box instead of the battery was used on this vehicle during a jump start by accident. After a proper jump start, the vehicle runs fine with all components necessary to safely drive, however there are no interior lights, a/c, p/w or p/l, and no radio or navigation. A check of the fuse boxes shows all fuses intact, and the visable wiring under the hood appears intact. I didn't actually shack the relays in the fuse boxes, I pulled them and they appeared fine. Before I pay the dealer too much money, do you have any further ideas?
Was this
answer
helpful?
Yes
No
Saturday, May 8th, 2021 AT 5:46 PM (Merged)
Tiny
BRIAN 1
  • MECHANIC
  • 1,030 POSTS
Did you check both fuse boxes?Did you take a test light on all the fuses to see if they have power on both sides?I think you might have overlooked a blown fuse. You NEVER EVER jump start these vehicles from the fuse box, jumping it like that can spike the ECM or the BCM, it could even melt the bus bar inside the fuse box. Post back with what you find and will advise from there.
Was this
answer
helpful?
Yes
No
Saturday, May 8th, 2021 AT 5:46 PM (Merged)
Tiny
ALICE RUSH
  • MEMBER
  • 3 POSTS
Thanks for your reply and your help. I did check both fuse boxes (under the hood and under the back seat), and I pulled out many of the fuses (the ones labeled for the problem areas), all look like brand new. I didn't use the tester though. Luckily, nothing anywhere looks melted or even scortched, but I'm wondering where I can't see. I'm scheduled to take it to the dealer tomorrow, and I'm going to ask them to show me what they find because I want to know.
Was this
answer
helpful?
Yes
No
Saturday, May 8th, 2021 AT 5:46 PM (Merged)
Tiny
ALICE RUSH
  • MEMBER
  • 3 POSTS
FYI, it turns out that this only blew a main 125 V fuse at the very front of the fuse box, the one connected directly to the battery via nuts and wires. The dealership replaced it and reset everything for $99. Thankfully, not too expensive a lesson learned.
Was this
answer
helpful?
Yes
No
Saturday, May 8th, 2021 AT 5:46 PM (Merged)

Please login or register to post a reply.