2005 Chevy Trailblazer brake lights out

Tiny
ZEROTOLERENCE
  • MEMBER
  • 2005 CHEVROLET TRAILBLAZER
  • 6 CYL
  • 2WD
  • AUTOMATIC
  • 45,000 MILES
My brake lights don't work. The third brake light works. Checked fuses bulbs and looked at wires. Is it the brake light switch? If so how do I change it.
Sunday, January 13th, 2008 AT 8:10 AM

2 Replies

Tiny
COORDINATOR15
  • MEMBER
  • 2 POSTS
The 2004 trailblazer had a factory recall for this problem, all the brake lights (except the third high brake light) would burn out early. Call your Chevy deal and see if your vehicle is part of this recall. If so, they will perform a 15 minute procedure to change a some module and you will be back on the road.

It is free since it is a recall.

Hope this solves your problem
Was this
answer
helpful?
Yes
No
Saturday, February 27th, 2021 AT 12:34 PM
Tiny
JACOBANDNICKOLAS
  • MECHANIC
  • 110,194 POSTS
Hi,

If the third, high mount stop lamp (CHMSL) is working, the brake light switch isn't the problem. If it was, the CHMSL wouldn't work as well.

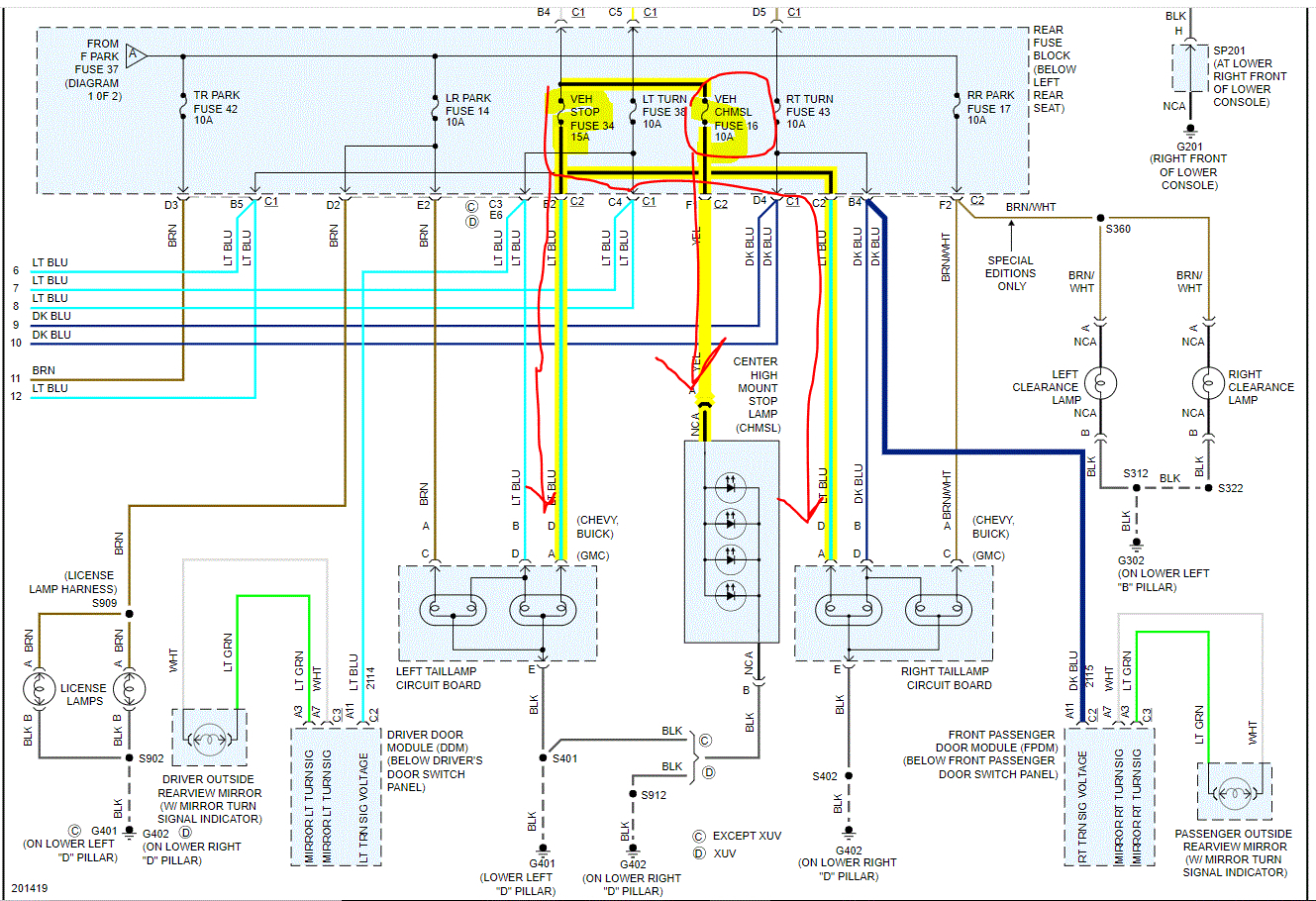
If you look below, I attached the wiring schematic for the exterior lighting. I highlighted two fuses and pointed to where power is distributed. Note: After the switch, there is one fuse for the rear brake lights and a different fuse for the CHMSL. I suspect the fuse for the rear lights is bad.

The last pic is the clearest one related to the brake lights. Note I highlighted two fuses, one of which is circled in red. The circled one is for the CHMSL. It is good. The other one is where I suspect the problem to be. So, I need you to check that fuse.

When checking a fuse, it is important to not only inspect the fuse, but also to confirm there is power available to the fuse. Here is a link you may find helpful for doing this:

https://www.2carpros.com/articles/how-to-check-a-car-fuse

These fuses are located in the rear fuse box, below the left rear seat. Pic 5 below shows the fuse box, and I highlighted the fuse in question.

I hope this helps. Let me know if you have other questions.

Take care,

Joe

See pics below. Note: I had to cut the wiring schematic pages in half to make them readable for you. I did overlap them so you can follow from one to the next.

Was this
answer
helpful?
Yes
No
Friday, October 8th, 2021 AT 8:13 PM

Please login or register to post a reply.