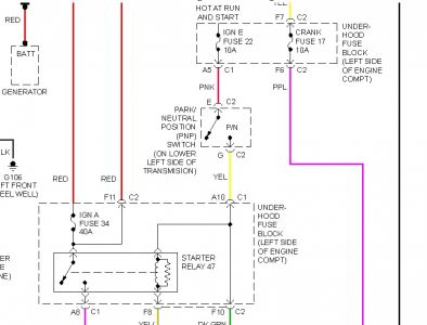
2002 Chevy Trailblazer 6 cyl Four Wheel Drive Automatic
My car wil not start when its cold outside I have to keep mess steerwheel the gear shift and after that it will finally start it also make a clicking noise evertime I start it warm or cold and when I change to setting at the heater/ac
Wednesday, October 6th, 2010 AT 1:23 PM


