Driver power seat

Tiny
PRMAN1970
  • MEMBER
  • 2007 CHEVROLET TAHOE
V8 four wheel drive automatic 55,000 miles.

I was traveling from Florida to New York when my driver side seat stop working. It was working find when I left Florida but when I tried adjusting it, nothing. I checked all the fuses and everything seems to be fine. Including the fuses above the brake pedal. I cannot even adjust the lumber. Luckily the seat is set for me but my wife is much shorter and cannot drive the truck until I fix this problem. Help! Thanks.
Friday, March 26th, 2010 AT 10:41 AM

25 Replies

Tiny
FACTORYJACK
  • MECHANIC
  • 4,159 POSTS
It sounds like the switch has gone out here is a guide to show you what you are in for when changing it out. Here is a guide to help us check the power wiring to confirm the problem.

https://www.2carpros.com/articles/seat-position-switch-replacement

and

https://www.2carpros.com/articles/how-to-use-a-test-light-circuit-tester

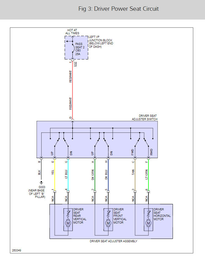
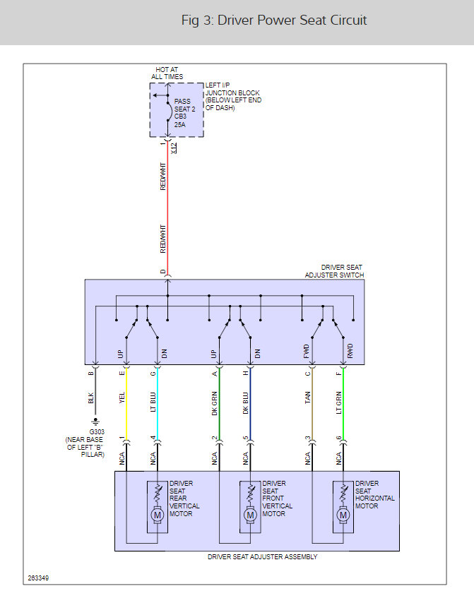
The wiring diagrams are (BELOW)

Here is a bulletin that may relate, this assumes the seat is completely inoperative from seat adjuster switch, and memory switch. If you need procedure to remove seat cushion let me know.

#06-08-50-012: Front Driver or Passenger Power Seat Adjust Functions Inoperative and/or Driver Seat Memory Inoperative (Check Power Seat Switch Connector) - (Oct 6, 2006)

Subject: Front Driver or Passenger Power Seat Adjust Functions Inoperative and/or Driver Seat Memory Inoperative (Check Power Seat Switch Connector)

Condition
Some customers may comment that the front driver or passenger power seat adjust functions are inoperative. They may also comment that the driver seat memory is inoperative.

Cause
The cause of this condition may be due to the power seat switch connector not being fully seated.

Correction
Do This
Don't Do This

Check that the power seat switch connector is fully seated.
Replace the power seat switch.

Remove the front seat cushion outer trim panel following the replacement procedure in SI. Verify that the power seat switch connector is fully seated. Reseat the connector and test the seat functions.

Please let us know what you find.

Cheers
Was this
answer
helpful?
Yes
No
+2
Monday, July 8th, 2019 AT 12:13 PM
Tiny
PRMAN1970
  • MEMBER
  • 10 POSTS
Please send me the instructions on removing the seat cushion. I will get working on this when I get home from work and let you know the outcome.

Thank you!
Was this
answer
helpful?
Yes
No
+6
Monday, July 8th, 2019 AT 12:13 PM
Tiny
FACTORYJACK
  • MECHANIC
  • 4,159 POSTS
Here is what I have, hope it helps:


https://www.2carpros.com/forum/automotive_pictures/309872_1678374_1.jpg


Front Seat Cushion Outer Trim Panel Replacement (Power)

Callout
Component Name

1
Front Seat Adjuster Outer Finish Cover Screw

Notice: Refer to Fastener Notice in the Preface section.

2
Front Seat Adjuster Outer Finish Cover

Procedure
Squeeze the tabs in the rear of the cover together to disengage the outer trim cover from the rear trim cover.
Pull outward to release the retainers from the seat assembly.

All your doing at this point is checking that the switch is connected fully. If it is still inoperative, reply back. Include also if this seat has the memory option.
Was this
answer
helpful?
Yes
No
+16
Monday, July 8th, 2019 AT 12:13 PM
Tiny
PRMAN1970
  • MEMBER
  • 10 POSTS
I took the seat cushion and noted that the seat switch is properly placed. Nothing still. I guess the next step is ordering a new switch. You asked if the truck had memory seats and the answer is yes. The truck is loaded with all the extras. I also should mention that the driver adjustable pedal is not working either. I checked the fuse and they seem to be okay. I do not know if this is also a factor but felt I should mention it.
Was this
answer
helpful?
Yes
No
+1
Monday, July 8th, 2019 AT 12:13 PM
Tiny
FACTORYJACK
  • MECHANIC
  • 4,159 POSTS
It is not the switch. If the power driver seat, and adjustable pedals are inoperative, these are all functions of the memory seat module. What I would try first, is to remove power to the memory seat module. You can do this one of two ways, disconnecting the module connector C3 a 6 pin brown connector, or pulling the DSM 10A fuse in the I/P fuse block. The module is under the drivers seat, the fuse panel is left side I/P. If you opt to pull the fuse, at least make a visual inspection of the seat module connections.
Was this
answer
helpful?
Yes
No
+4
Monday, July 8th, 2019 AT 12:13 PM
Tiny
PRMAN1970
  • MEMBER
  • 10 POSTS
I have to travel out of the states today but I will make sure to take a look at it once I get back and will let you know. I think I pulled out the DSM fuse and it seemed okay, but I will check it again. I will also check the module as you requested. What should I look for while inspecting it? Thank you.
Was this
answer
helpful?
Yes
No
Monday, July 8th, 2019 AT 12:13 PM
Tiny
FACTORYJACK
  • MECHANIC
  • 4,159 POSTS
What we are trying to accomplish by removing the DSM fuse is just to pull power away from the module. If it is logic locked, this will potentially clear that and resume operation. When inspecting the module, check for partial, or otherwise poor connections. You can even disconnect and reconnect the connectors.
Was this
answer
helpful?
Yes
No
+7
Monday, July 8th, 2019 AT 12:13 PM
Tiny
PRMAN1970
  • MEMBER
  • 10 POSTS
Okay, will let you know the outcome. Thanks.
Was this
answer
helpful?
Yes
No
+1
Monday, July 8th, 2019 AT 12:13 PM
Tiny
PRMAN1970
  • MEMBER
  • 10 POSTS
I have a quick question. Is it safe to assume that if when I check the seat module nothing happens I would have to replace the seat memory module? Or am I jumoing too ahead of myself?
Was this
answer
helpful?
Yes
No
+1
Monday, July 8th, 2019 AT 12:13 PM
Tiny
FACTORYJACK
  • MECHANIC
  • 4,159 POSTS
It is not necessarily safe to assume it is the seat module. You are getting to the point where a scan tool might be beneficial. If I could tell you which part to replace, that I would feel confident would fix it, I would. Do you have the capability of using a multi-meter or test light? Our next step would be to check power and ground to the memory seat module. If there is power and ground there, that is where the scan tool would be useful to determine first, that the module can communicate, and that it is receiving inputs from the switch. Power and ground comes to the drivers seat (memory) module. That connector C3, that I had mentioned earlier, houses those circuits. It is a 6 pin brown bodied connector. The power comes in on red/white wires, pins 5 and 6. The ground is black wire, pins 1 and 4. You can either use a meter, or a test light, from pins 5/6 to either pin 1 or pin 4. Depending on the method, you should see battery voltage (meter), or a light (test light). Another connector to check, disconnect and reconnect, is the large connector from the body harness to the seat harness, at the rear of the seat base. It is under a black plastic cover. When you disconnect these connectors, take a look at both sides for anything peculiar.
Was this
answer
helpful?
Yes
No
+3
Monday, July 8th, 2019 AT 12:13 PM
Tiny
PRMAN1970
  • MEMBER
  • 10 POSTS
I went back and checked with a test light the wires under the seat as you indicated with the brown housing and eveything seems to have checked out. Power seemd to be flowing through. I also checked the rear of the seat as you suggested and did not see anything strange with the harness and pin connection. I checked the DSM fuse and that also was good.
Was this
answer
helpful?
Yes
No
+1
Monday, July 8th, 2019 AT 12:13 PM
Tiny
FACTORYJACK
  • MECHANIC
  • 4,159 POSTS
I have given about all I can think of, for basic checks and visual inspections. Like I had mentioned previously, it would be about time to incorporate a scan tool to verify communications to the memory seat module, as well as inputs/outputs. It could be the seat module, or wiring to it. If a scan tool can communicate with it, and it is receiving inputs, you have verified it had power and ground, it needs a module. The fact that the seat and pedal functions are inoperative, make it a common denominator, but it cannot be presumed the silver bullet.
Was this
answer
helpful?
Yes
No
+1
Monday, July 8th, 2019 AT 12:13 PM
Tiny
PRMAN1970
  • MEMBER
  • 10 POSTS
I have a Actron CP9180 AutoScanner Plus Diagnostic Code Scanner. Is this what you say I need?
Was this
answer
helpful?
Yes
No
Monday, July 8th, 2019 AT 12:13 PM
Tiny
FACTORYJACK
  • MECHANIC
  • 4,159 POSTS
I do not know as though that will work, the first thing to consider is will it communicate with the GMLAN high speed and low speed busses. This usually requires a scan tool that is CAN capable. Often times, those inexpensive scanners are just limited to power-train (emissions) related codes, and some data stream. How old is the unit? And have you used it on this vehicle?
Was this
answer
helpful?
Yes
No
+4
Monday, July 8th, 2019 AT 12:13 PM
Tiny
PRMAN1970
  • MEMBER
  • 10 POSTS
The Actron 9190 is the newest model they offer. I purchased it several weeks ago. There is a section on the index that is listed "Modules Present". It states as such, since CAN vehicles use modules IDs larger than two digits, the scan tool assigns a two digit module ID to be used in place of the actual CAN module ID. This scanner runs anywhere from $400.00 to $500.00. I thought it would be worth mentioning. If this is not the proper scanner I figure for $115.00 I can find the memory seat module or just take it to the GM dealer. As you know just to look at the truck they charge an arm and a leg. I really do appreciate all your help.
Was this
answer
helpful?
Yes
No
Monday, July 8th, 2019 AT 12:13 PM
Tiny
FACTORYJACK
  • MECHANIC
  • 4,159 POSTS
Does it read any data? You need to be able to determine that the memory seat module is communicating, whether or not it has any codes stored, and also monitor the data stream to see if it is recognizing the inputs.
Was this
answer
helpful?
Yes
No
Monday, July 8th, 2019 AT 12:13 PM
Tiny
KSARBAU
  • MEMBER
  • 3 POSTS
I am having the exact same problem as listed above. My 2007 Tahoe driver power seat will stop working completely. When it is not working, the power pedals do not work either. However, if I keep trying the switches, it will work intermittently. At first it worked most of the time, but would not work occasionally. Now (six months later) it does not work most of the time, and will only work intermittently.

I disconnected the three wiring plugs in the front of the seat, visually inspected, and reconnected them.

Does the intermittent nature of the problem lean more towards a problem with a wiring (short?) Or more towards the module? I am wondering if it might make sense to replace the module?

Any thoughts would be greatly appreciated! Thank you!
Was this
answer
helpful?
Yes
No
-1
Monday, July 8th, 2019 AT 12:13 PM
Tiny
FACTORYJACK
  • MECHANIC
  • 4,159 POSTS
Typically, the modules seldom fail, now that does not assume that yours is not. Intermittent faults can usually fall into wiring problems that can be traced, or connection issues that may not be easily detectable. A faulty terminal in a connector can be difficult to find. Initially, what it requires is having a male terminal that matches the same classification as the female. With that male terminal, you can insert it in each female terminal and check that there is noticeable drag. A loose terminal fit can cause intermittent problems. What you want to try and to, is establish some specifics as far as symptoms, (i.E. Does the problem occur with someone in the seat or not, cold or warm (that could simply mean temperature of the passenger compartment as well), seat in a certain position, etc.). Check not only the connections that you already have, also the seat base to chassis harness connections at the rear floor.
Was this
answer
helpful?
Yes
No
Monday, July 8th, 2019 AT 12:13 PM
Tiny
DKAMPYUKON
  • MEMBER
  • 1 POST
I have not check the connections yet, but I have determined that the seat only appears to be intermittent when someone is sitting in the seat. Does that mean anything in particular?
Was this
answer
helpful?
Yes
No
Monday, July 8th, 2019 AT 12:13 PM
Tiny
FACTORYJACK
  • MECHANIC
  • 4,159 POSTS
Only that you can duplicate it. Several dynamics take place when someone it in the seat. It could be harness chaffing against a frame, module flexing, terminal contact. I would still check all possible connections, considering your vehicle has some years on it, anything is possible.
Was this
answer
helpful?
Yes
No
Monday, July 8th, 2019 AT 12:13 PM

Please login or register to post a reply.