Gauges not working

Tiny
SUPERSTAR2009
  • MEMBER
  • 2003 CHEVROLET TAHOE
  • V8
  • 4WD
  • AUTOMATIC
  • 80,000 MILES
Inside gauges not working?
Saturday, June 6th, 2009 AT 8:32 AM

20 Replies

Tiny
JACOBANDNICKOLAS
  • MECHANIC
  • 110,192 POSTS
Check all body grounds. If they are good, have the body control module tested. I have seen the cluster go out here is a video to show how to fix it.

https://youtu.be/_HEC44xENxw

Please let us know what you find.
Was this
answer
helpful?
Yes
No
+1
Tuesday, June 9th, 2009 AT 11:04 PM
Tiny
TURBOJAY
  • MEMBER
  • 2 POSTS
Thanks for this post I had this problem and had to get a rebuilt cluster it cost me $140.00
Was this
answer
helpful?
Yes
No
+1
Wednesday, April 3rd, 2019 AT 12:25 PM
Tiny
BOBBY1971
  • MEMBER
  • 1 POST
  • 2003 CHEVROLET TAHOE
  • V8
  • 2WD
  • AUTOMATIC
  • 85,000 MILES
I own a 2003 Chevy Tahoe and all of the gauges and lights have quit working. Could this be a fuse?
Was this
answer
helpful?
Yes
No
+18
Wednesday, April 3rd, 2019 AT 12:25 PM (Merged)
Tiny
RHALL77
  • MECHANIC
  • 3,361 POSTS
It could be a fuse or the IP cluster it self. Inspect the fuses and see what you find. If they are ok, get back to me and ill see what I can do to help you
Was this
answer
helpful?
Yes
No
Wednesday, April 3rd, 2019 AT 12:25 PM (Merged)
Tiny
ARMANDO53
  • MEMBER
  • 3 POSTS
  • 2002 CHEVROLET TAHOE
My cluster went out gauges stop working lights started flickering and all went out. I checked my fuses all okay, my head lights work, turn signal all interior work, but no gauges. My service engine is still on, and was on before it happened. Buddy said it is my intention switch that could it be. I think cluster went out, but I do not know. Need help.
Was this
answer
helpful?
Yes
No
Wednesday, April 3rd, 2019 AT 12:25 PM (Merged)
Tiny
CJ MEDEVAC
  • MECHANIC
  • 11,005 POSTS
The instrument clusters go out all the time in this car. Here is a video that shows the job being done. You will need to send it to get rebuilt or find a used unit.

https://youtu.be/_HEC44xENxw

Please let us know what happens.

Cheers
Was this
answer
helpful?
Yes
No
+3
Wednesday, April 3rd, 2019 AT 12:25 PM (Merged)
Tiny
DON1369
  • MEMBER
  • 1 POST
Thank you for the video, worked perfect. :) I love this site.
Was this
answer
helpful?
Yes
No
Wednesday, April 3rd, 2019 AT 12:25 PM (Merged)
Tiny
CJ MEDEVAC
  • MECHANIC
  • 11,005 POSTS
Great!

I guess that five year old post was helpful after all!

If you need additional help, click on mine or your avatar, there is a link below it whereas you can create your own question. The whole crew will be notified and the right 2carguy will assist you!

Glad you found us and the video I linked y'all to (actually the boss man did the linking)!

The Medic
Was this
answer
helpful?
Yes
No
+1
Wednesday, April 3rd, 2019 AT 12:25 PM (Merged)
Tiny
FCJONES7
  • MEMBER
  • 1 POST
  • 2002 CHEVROLET TAHOE
  • V8
  • 4WD
  • AUTOMATIC
  • 98,500 MILES
I live in New Orleans and the roads are very bad. My dash guages began going off and on and now they don't come on at all. What can be the problem?
Was this
answer
helpful?
Yes
No
+4
Wednesday, April 3rd, 2019 AT 12:25 PM (Merged)
Tiny
RYANUNI
  • MEMBER
  • 34 POSTS
These vehicles are somewhat prone to instrument cluster failure. Unless you have a loose wire clip on the back of it. Unfortunatly the only way to properly fix the issue is to 1 buy a used one and have a proper shop install it. 2 have a GM dealer order it an do it for you. The new ones are around $500 and you need to have an authorized shop do it because the the odometer needs to be put in sync with the CPU
Was this
answer
helpful?
Yes
No
Wednesday, April 3rd, 2019 AT 12:25 PM (Merged)
Tiny
ARMANDO53
  • MEMBER
  • 3 POSTS
  • 2002 CHEVROLET TAHOE
My instrument cluster went out, but turn signal work, lights work, service engine soon lite comes on but no gauges work or lite on PRND123. I checked fuses looked around to behind cluster saw nthing help, WATS THE PROBLEM?
Was this
answer
helpful?
Yes
No
+5
Wednesday, April 3rd, 2019 AT 12:25 PM (Merged)
Tiny
JACOBANDNICKOLAS
  • MECHANIC
  • 110,192 POSTS
If the check engine light is on, have the computer scanned to identify trouble codes that may be related to the problem. Most parts stores will do it for free. Also, just so you are aware, the clusters in these vehicles are know to go bad.
Was this
answer
helpful?
Yes
No
-1
Wednesday, April 3rd, 2019 AT 12:26 PM (Merged)
Tiny
ARMANDO53
  • MEMBER
  • 3 POSTS
  • 2002 CHEVROLET TAHOE
Cluster gauges dnt work, I have lights in the cluster, all my lights work just the gauges or my miles or nt working, I thought it was bad cluster, I went bought new one and that one did nt work I have checked my fuses all wiring around and behind cluster nt seeing nothing bare or cut on wires, wat could it be help please need to travel long way to work
Was this
answer
helpful?
Yes
No
+6
Wednesday, April 3rd, 2019 AT 12:26 PM (Merged)
Tiny
HMAC300
  • MECHANIC
  • 48,601 POSTS
Your cluster may have failed and needs repair, they are digital and will go right out like that.
Was this
answer
helpful?
Yes
No
Wednesday, April 3rd, 2019 AT 12:26 PM (Merged)
Tiny
MIKE DORSEY
  • MEMBER
  • 3 POSTS
I have a 2003 Tahoe, left the window down and it rained. Now, my gauges work sometimes, sometimes not. Left turn signal, window controller (it's brand new) front blower motor (replaced the blower and resistor kit recently), and windshield wipers don't work. All fuses are good. Any ideas or help would be much appreciated. I also replaced the ignition key lock cylinder recently. Not sure if that info helps or not.
Was this
answer
helpful?
Yes
No
Sunday, October 25th, 2020 AT 9:16 AM
Tiny
KASEKENNY
  • MECHANIC
  • 18,907 POSTS
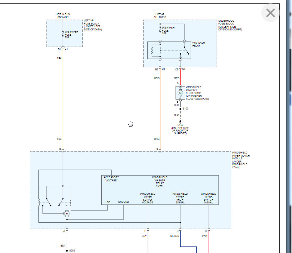
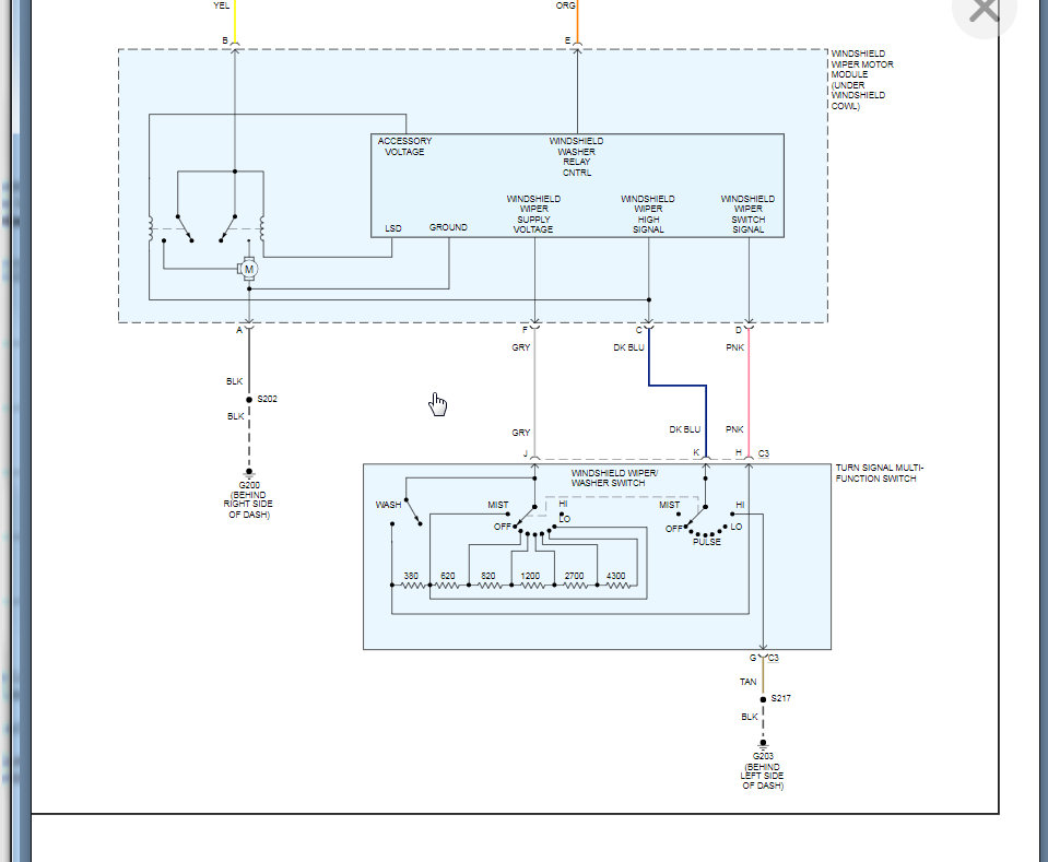
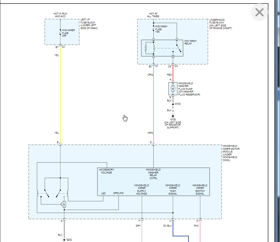
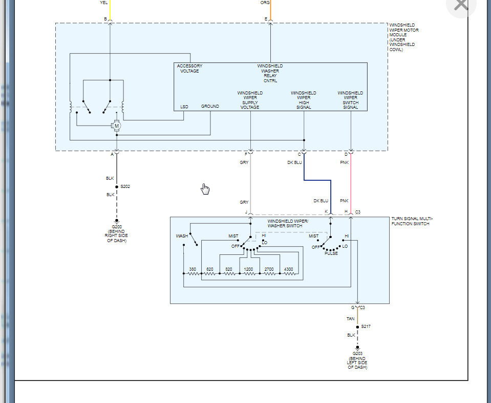
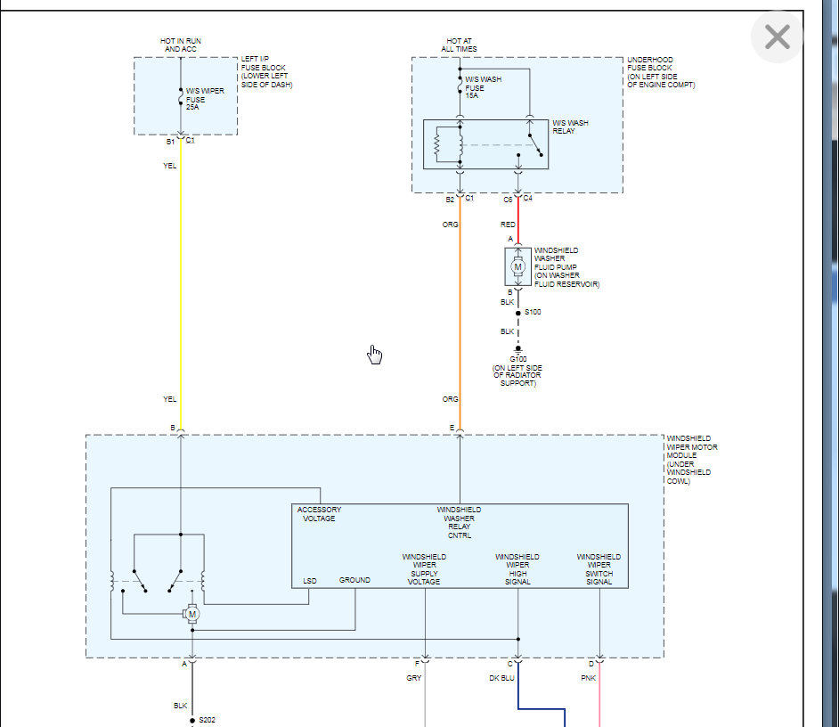
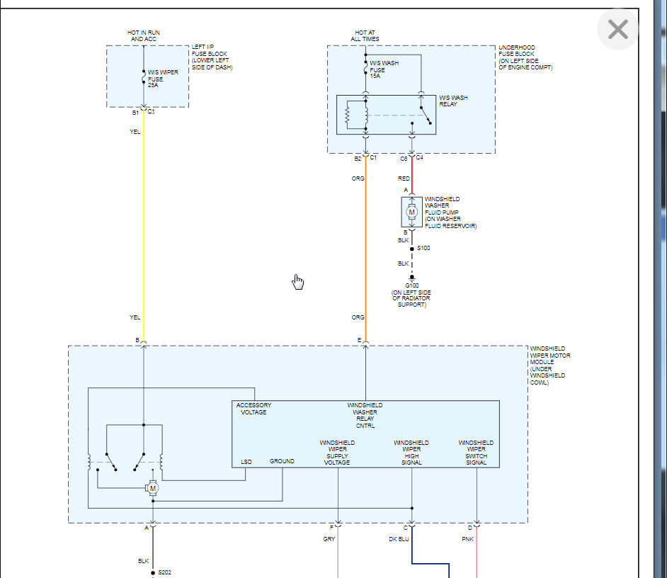
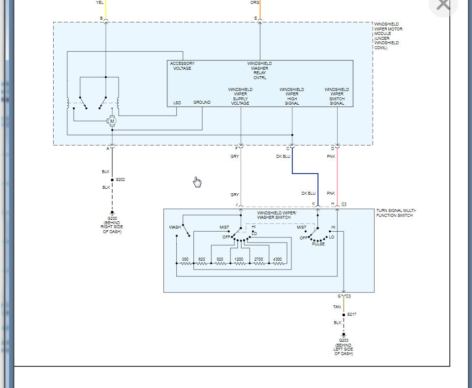
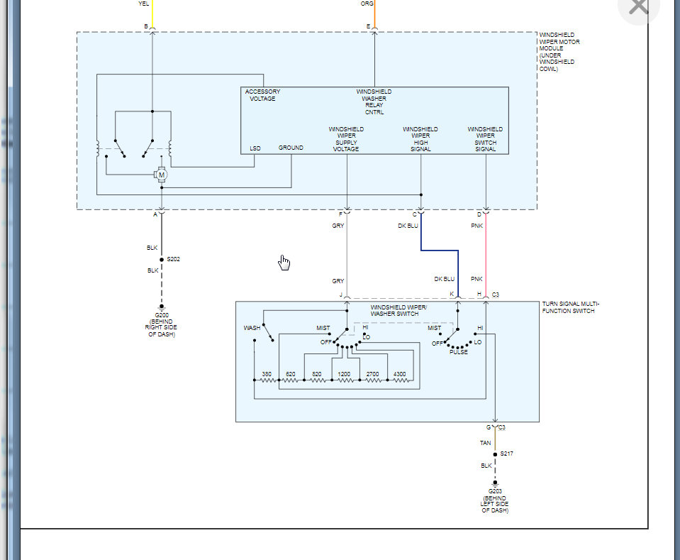
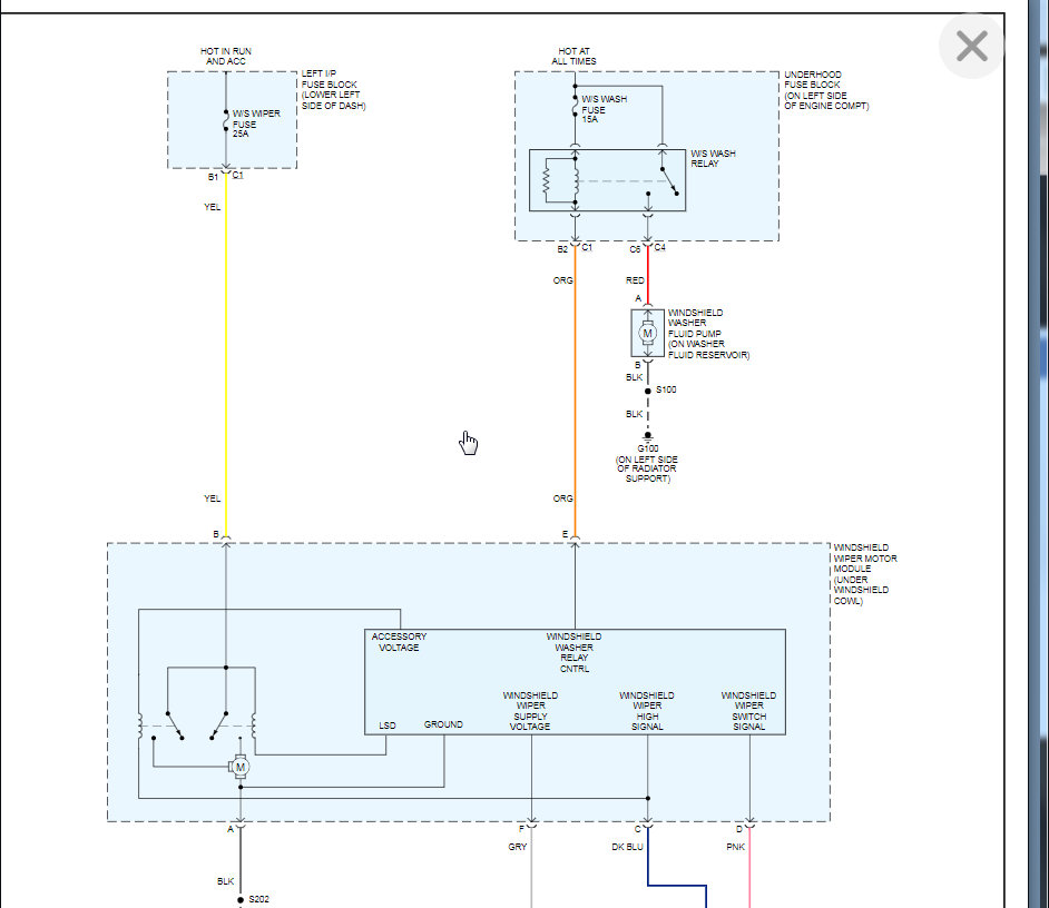
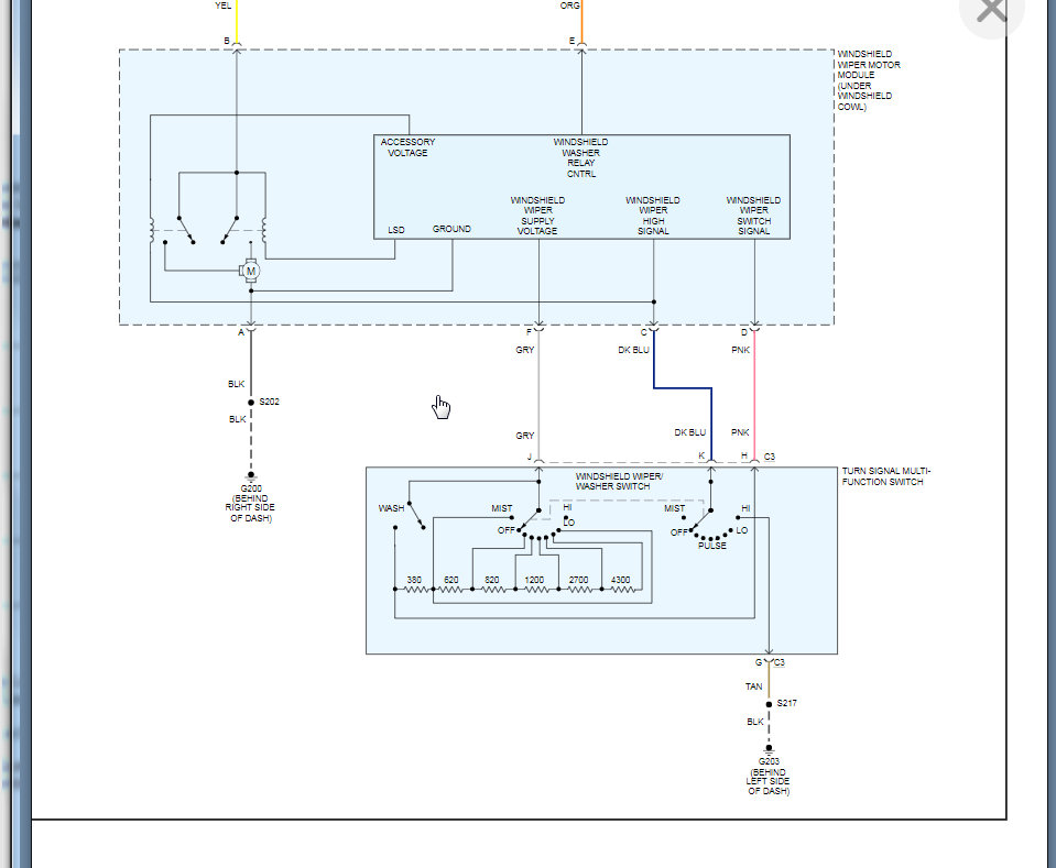
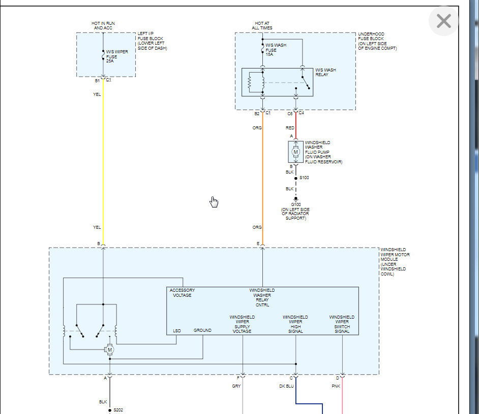
Assuming all these are related, we need to start with one of them and fix it and hope it fixes the rest. If it does not then we can just move onto the next one. Let's start with the wipers. I included a wiring diagram. We need to check the fuse and then follow the power through the system with the wipers turned on to find where we do not have the power. This will tell us what the potential issue is.

So let's check voltage at each component on the circuits shown and go from there.

https://www.2carpros.com/articles/how-to-check-wiring
Was this
answer
helpful?
Yes
No
+1
Wednesday, October 28th, 2020 AT 2:11 PM
Tiny
MIKE DORSEY
  • MEMBER
  • 3 POSTS
That's awesome. Sadly, I'm an electrician of 21 years, just not familiar with vehicles at all. It's raining here because, well, Louisiana. But hopefully this weekend I'll have the chance to trace this out. I really think I'm losing the negative or ground somewhere, but haven't been sure where to even start. I'll post an update, or probably more questions, after I see what I can or can't find. Thank you very much for the info.
Was this
answer
helpful?
Yes
No
Thursday, October 29th, 2020 AT 5:58 PM
Tiny
KASEKENNY
  • MECHANIC
  • 18,907 POSTS
Okay. Great. So with your experience we can figure this out. To check the ground just use a test light and hook it to the battery positive and then go to the wiper motor and use the probe to back probe the black wire at the connector. The light should come on. If it does then you have a good ground connection from the connector to the ground bolt. It could still be the connection point but that is unlikely but not impossible.

The wiper motor is under the cowl which is the cover that is below the windshield. The piece that is between the hood and the windshield.
Was this
answer
helpful?
Yes
No
+1
Friday, October 30th, 2020 AT 3:12 PM
Tiny
MIKE DORSEY
  • MEMBER
  • 3 POSTS
I haven't had the time lately to check this out. I will starting tomorrow though and keep y'all posted. Again, thanks for the info and the help with this. It's kind of my project truck and I'm wanting to do as much as possible myself. Plus, it never hurts to learn.
Was this
answer
helpful?
Yes
No
Friday, November 6th, 2020 AT 3:24 PM
Tiny
KASEKENNY
  • MECHANIC
  • 18,907 POSTS
Sounds great. We will be here when you get back. Thanks for the update.
Was this
answer
helpful?
Yes
No
Friday, November 6th, 2020 AT 4:52 PM

Please login or register to post a reply.