Rear wiper moves back and forth very slowly?

Tiny
SEABEE49
  • MEMBER
  • 2002 CHEVROLET TAHOE
  • V8
  • 4WD
  • AUTOMATIC
  • 101,000 MILES
Rear wiper moves back and forth very slowly, and makes a clicking noise. I replace the motor, but it still does the sme thing.
Monday, March 29th, 2010 AT 7:56 PM

5 Replies

Tiny
MARKVDB
  • MEMBER
  • 6 POSTS
Where is the relay for rear wiper? My 2002 does the same thing.
Was this
answer
helpful?
Yes
No
Wednesday, April 14th, 2010 AT 9:17 AM
Tiny
BLUELIGHTNIN6
  • MECHANIC
  • 16,542 POSTS
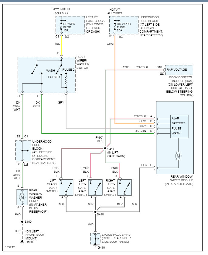
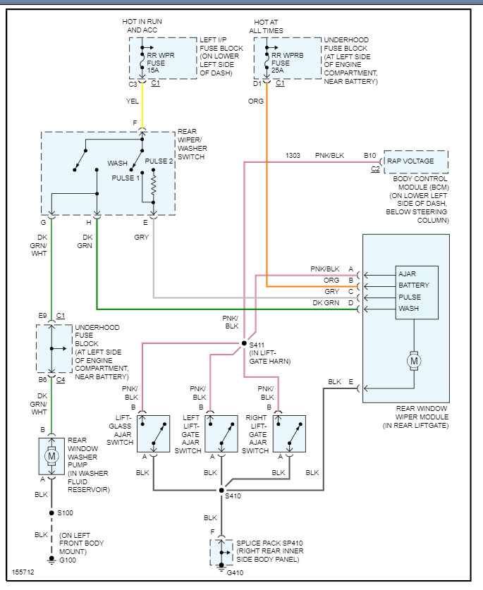
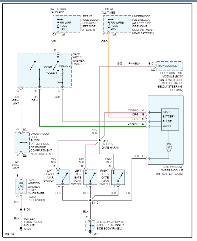
Rear window wiper module (in rear liftgate) is normally the cause of this issue on Tahoes.
Was this
answer
helpful?
Yes
No
Wednesday, April 14th, 2010 AT 6:51 PM
Tiny
VIKES
  • MEMBER
  • 19 POSTS
Could you expand on that? (Rear window wiper module (in rear liftgate) is normally the cause of this issue on Tahoes.)
Was this
answer
helpful?
Yes
No
Monday, October 30th, 2023 AT 10:13 AM
Tiny
KEN L
  • MASTER CERTIFIED MECHANIC
  • 55,522 POSTS
The wiper module is attached to the rear wiper motor, here are the wiring diagrams so you can see how the system works and where the wiper module is located. Check out the images (below). Please let us know if you need anything else to get the problem fixed.
Was this
answer
helpful?
Yes
No
Monday, October 30th, 2023 AT 12:28 PM
Tiny
VIKES
  • MEMBER
  • 19 POSTS
Ken, I already have a question open but looking for an updated response.
Was this
answer
helpful?
Yes
No
Monday, October 30th, 2023 AT 12:39 PM

Please login or register to post a reply.