The right rear tail light will not light up

Tiny
DTAMULIS
  • MEMBER
  • 2001 CHEVROLET TAHOE
The right rear tail light will not lite up but we have turn signal, backup lights everything but the light to stay on while driving at night and the license plate light is out on the right
Wednesday, September 29th, 2010 AT 9:08 AM

1 Reply

Tiny
JACOBANDNICKOLAS
  • MECHANIC
  • 110,194 POSTS
Hi,

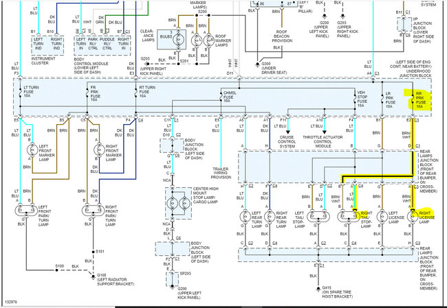
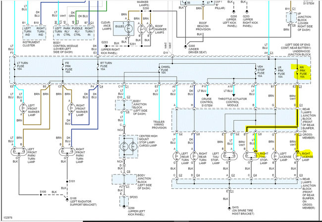
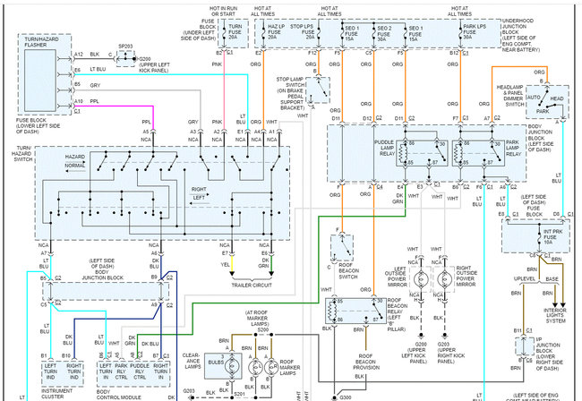
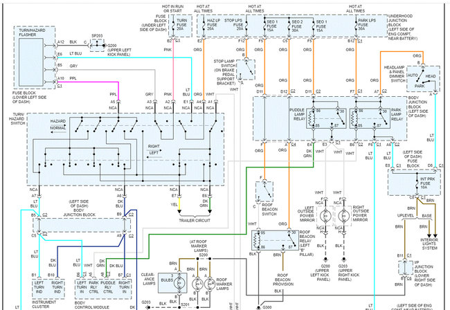
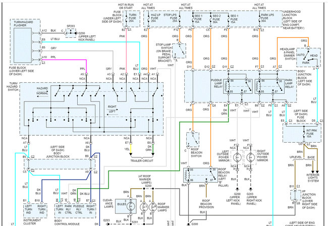
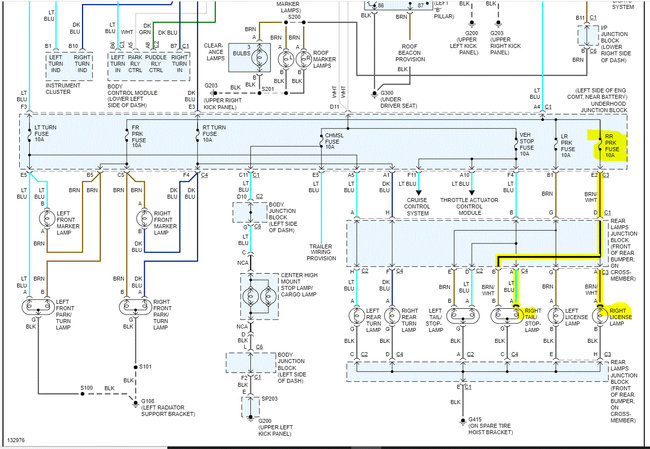
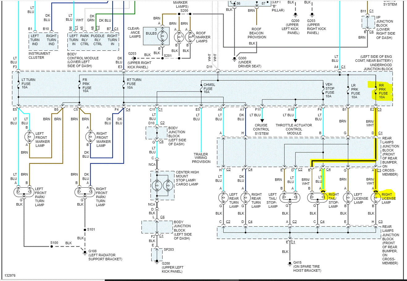
Since it is only the right side and it affects both the right parking light and the right-side license plate light, I suspect fuse 29 in the under-hood fuse box has failed. It powers only those two lights.

I attached the wiring schematic for the exterior lighting system below. I highlighted the wiring for those two lights. See pics 1 and 2.

I need you to check fuse 29 in the under-hood fuse box near the battery. in addition to testing the fuse, confirm there is power to and from it. Here is a link you may find helpful:

https://www.2carpros.com/articles/how-to-check-a-car-fuse

Let me know if this helps or if you have other questions.

Take care,

Joe
Was this
answer
helpful?
Yes
No
+1
Saturday, December 4th, 2021 AT 10:34 PM

Please login or register to post a reply.