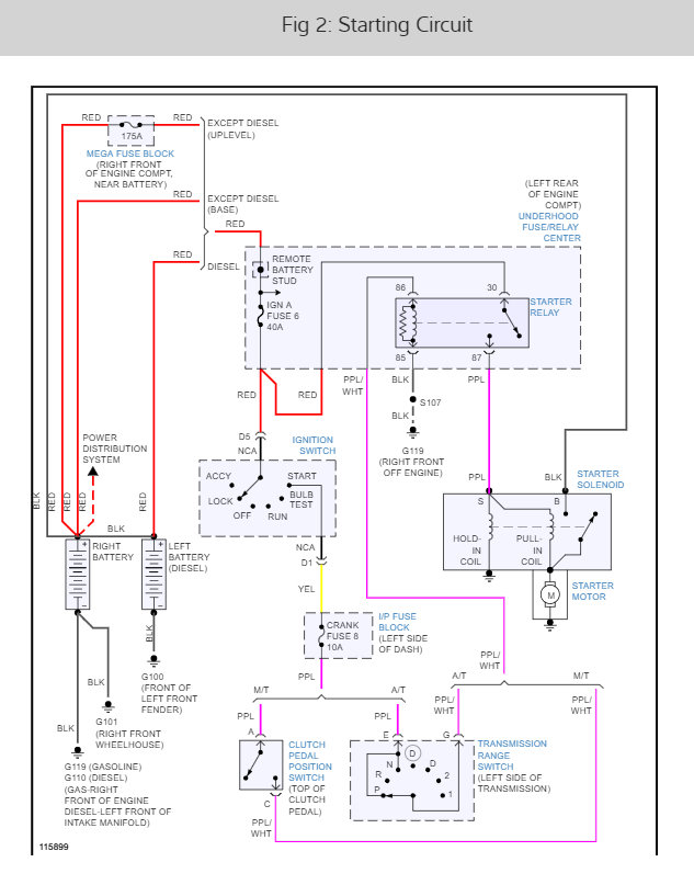
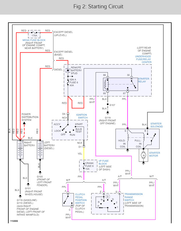
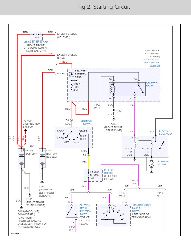
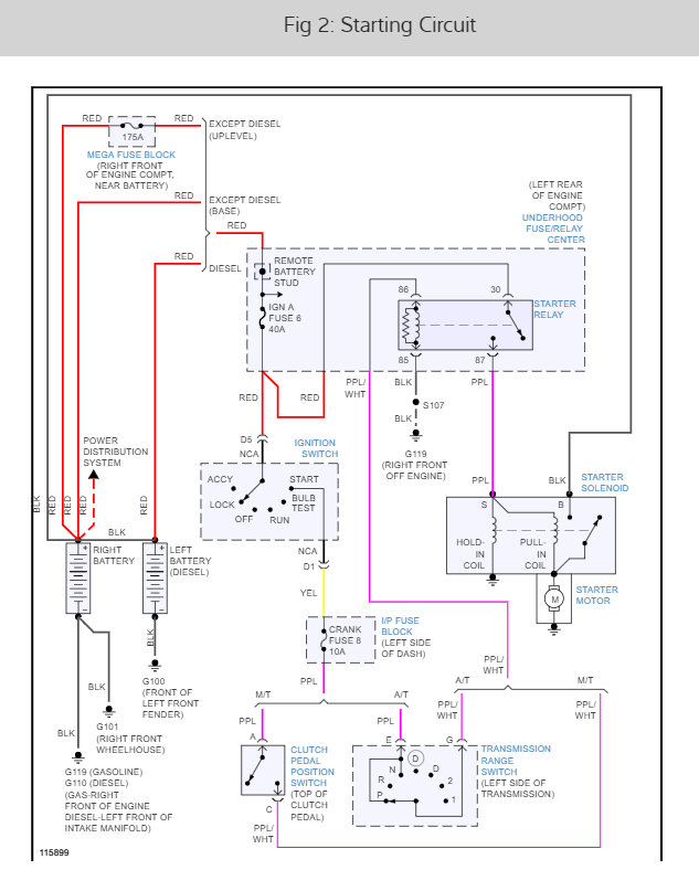
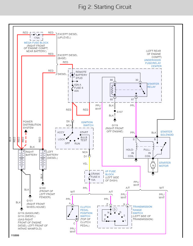
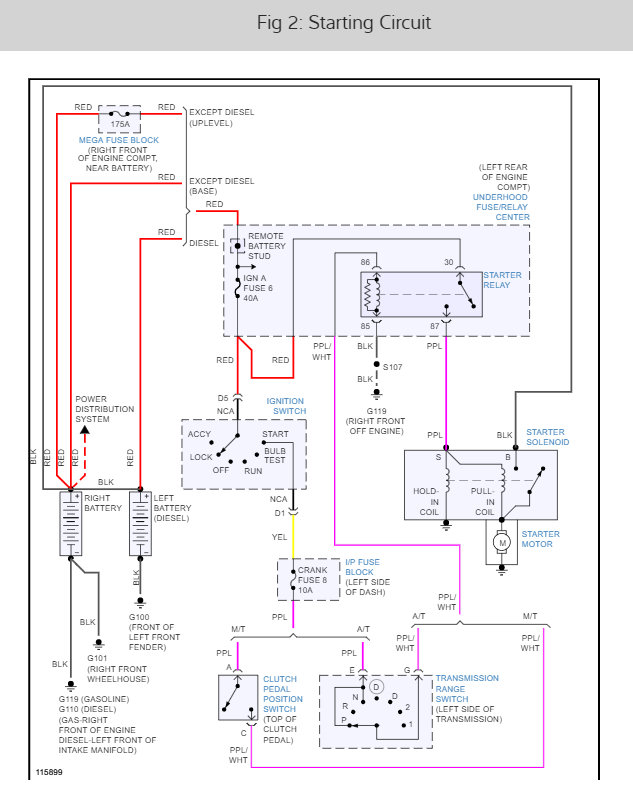
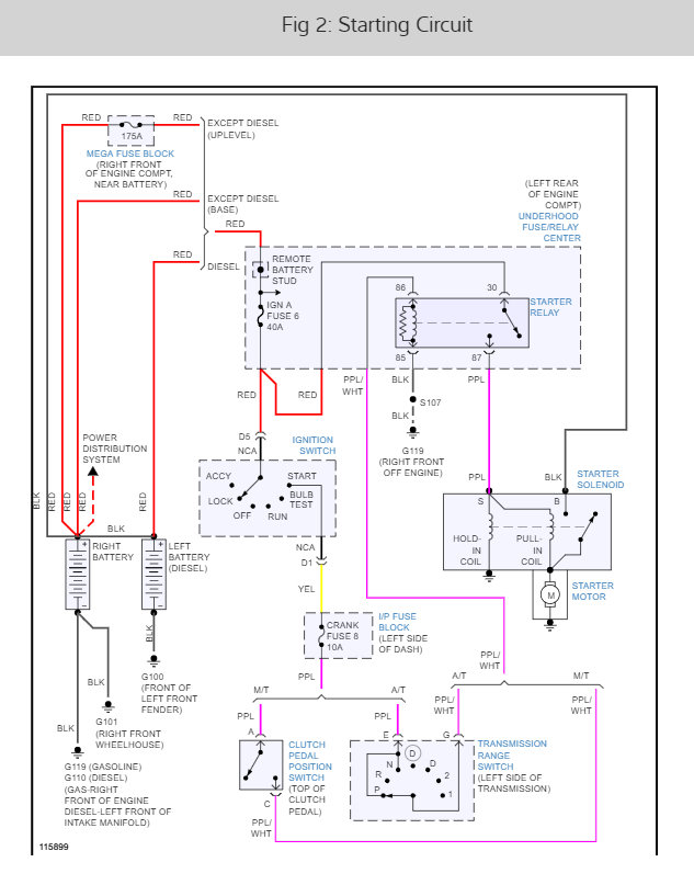
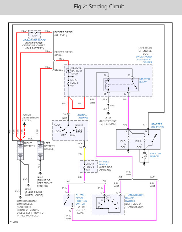
Recently my starter was stolen and I bought a brand new one and I replaced the positive cable. when I connect the battery the truck tries to start without the key in the ignition. I made sure no wires are touching but still the same thing. It is only the 2 wires but something is wrong.
May 17, 2009 at 8:49 AM

