Mirrors won't work?

Tiny
RUDEONETHAKINGPIN
  • MEMBER
  • 1999 CHEVROLET TAHOE
For some odd reason my mirrors wont work all the fuses say they are good what can be my problem
Monday, May 18th, 2009 AT 8:10 PM

1 Reply

Tiny
SQM
  • MECHANIC
  • 6,383 POSTS
Hello,

Unless you have already done it, I will suggest you use a test light to check the fuse.
The fuse is located in the fuse block under the hood.
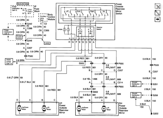
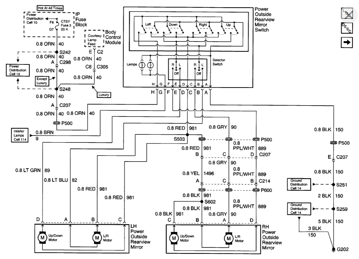
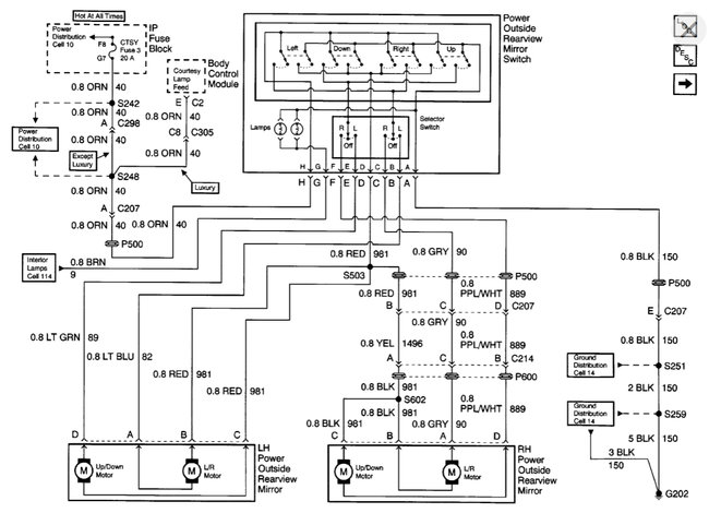
It could also be a wiring issue. I have attached the wiring diagram for your mirrors.

Here are some helpful articles:

https://www.2carpros.com/articles/how-a-car-fuse-works
https://www.2carpros.com/articles/how-to-check-a-car-fuse
https://youtu.be/Hlna_kUt7As

Please let me know of any questions.

Thank you.
Was this
answer
helpful?
Yes
No
Wednesday, July 21st, 2021 AT 11:20 AM

Please login or register to post a reply.