Fuel gauge not working

Tiny
SBH123
  • MEMBER
  • 1999 CHEVROLET TAHOE
Electrical problem I have replaced the fuel pump now the fuel gauge is not working. What do I need to do?
Friday, March 20th, 2009 AT 10:37 PM

3 Replies

Tiny
STEVESTROUD
  • MEMBER
  • 1 POST
Hello, name is Steve, my question is I just installed a delphi fuel pump, and new gt280 wire harness and gas gauge still does not work, please any info would be great

Thanks. Steve
Was this
answer
helpful?
Yes
No
Saturday, January 26th, 2013 AT 9:11 PM
Tiny
KEN L
  • MASTER CERTIFIED MECHANIC
  • 55,450 POSTS
Hello,

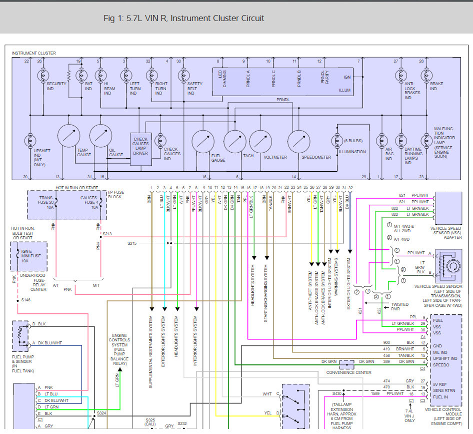
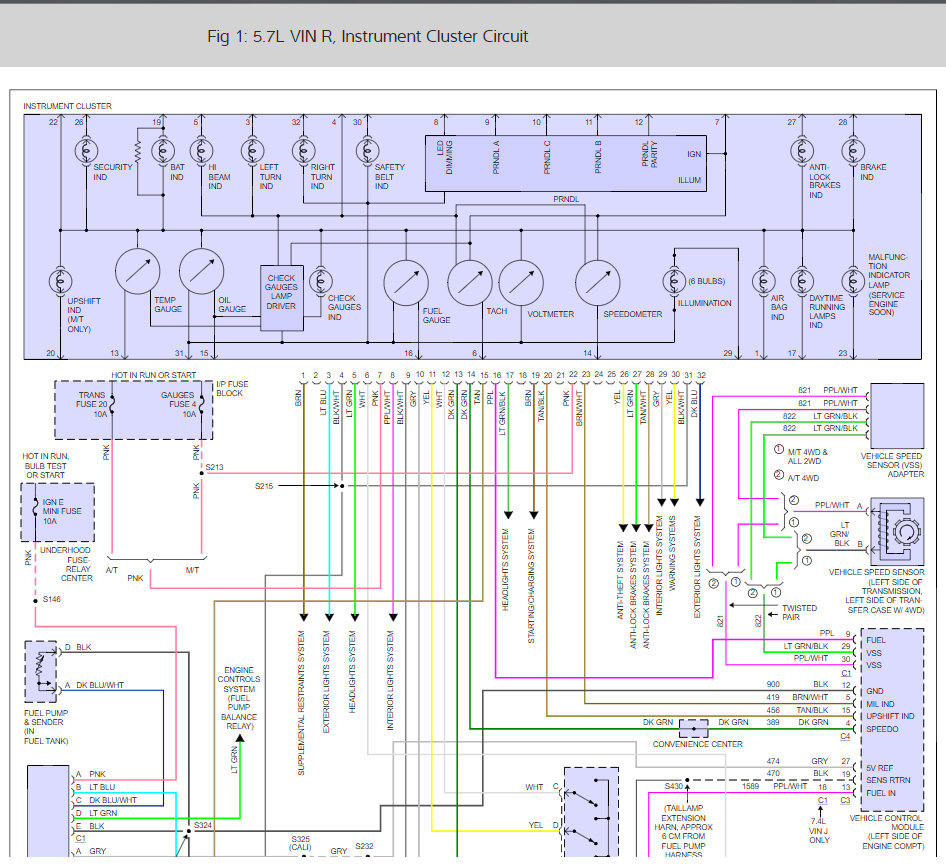
There is a fuel pump balance module that goes out in these cars, Here is a fuel pump wiring diagram and location of the module so you can test through the module do and replace the module if bad.

https://www.2carpros.com/articles/how-to-check-wiring

Please let us know what happens so it will help others.

Cheers, Ken
Was this
answer
helpful?
Yes
No
-1
Thursday, August 17th, 2017 AT 8:41 PM
Tiny
SKYHARBOR
  • MEMBER
  • 0 POST
Yep I had the same problem and I replaced the fuel pump module and all fixed. Thanks!
Was this
answer
helpful?
Yes
No
Wednesday, April 11th, 2018 AT 9:57 AM

Please login or register to post a reply.