Brake light relay?

Tiny
CSHERNANDEZ
  • MEMBER
  • 1999 CHEVROLET TAHOE
  • V8
  • 2WD
  • AUTOMATIC
  • 152,000 MILES
The brake relay is not in relay box under hood, where is it located
Tuesday, March 23rd, 2010 AT 7:40 PM

1 Reply

Tiny
KASEKENNY
  • MECHANIC
  • 18,907 POSTS
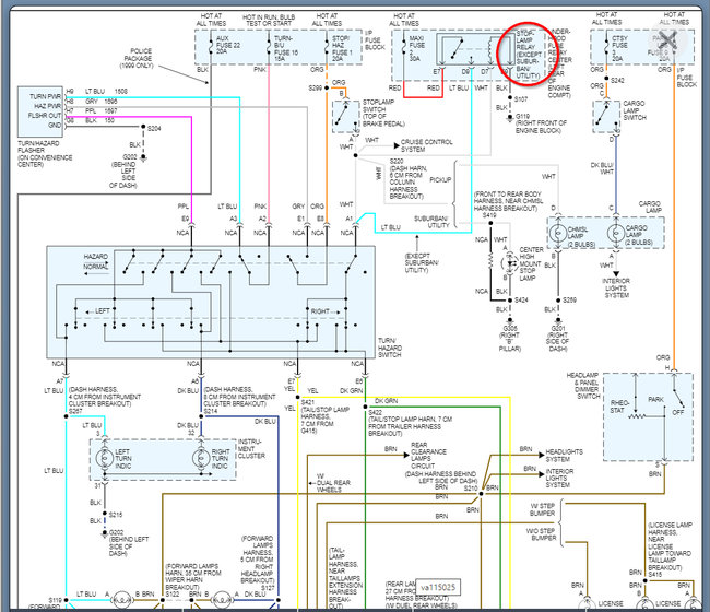
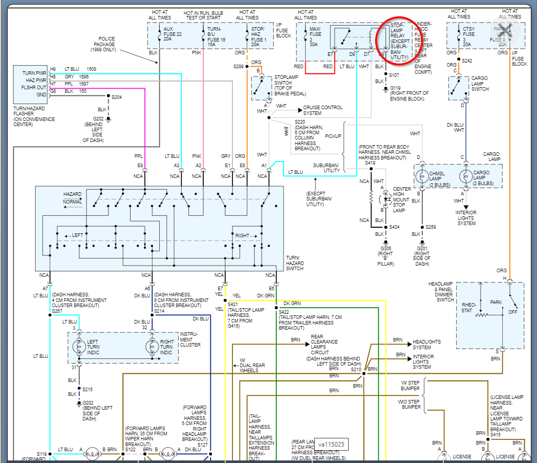
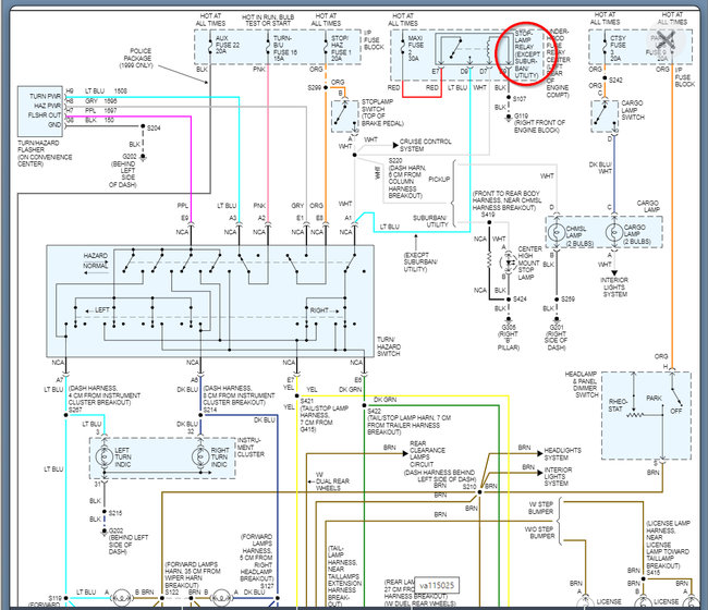
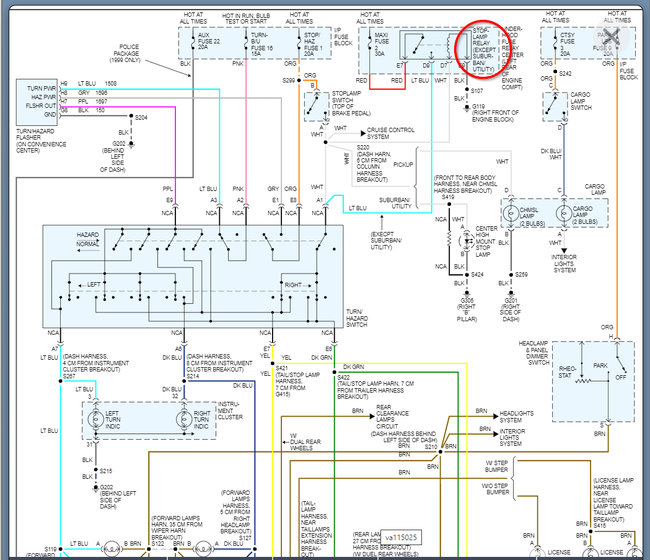
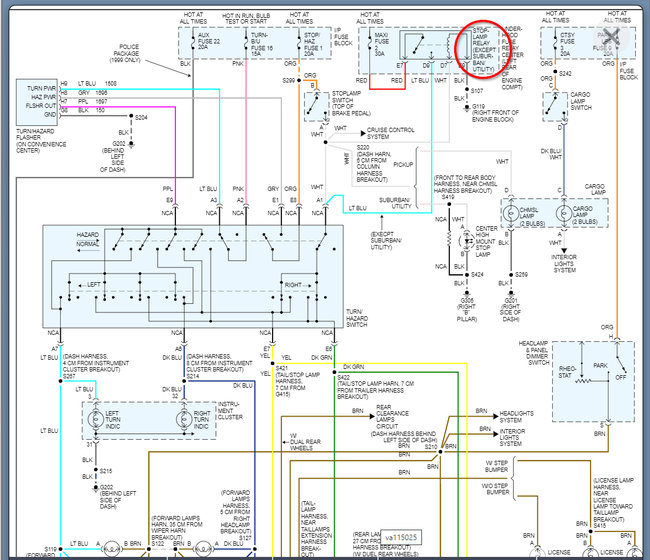
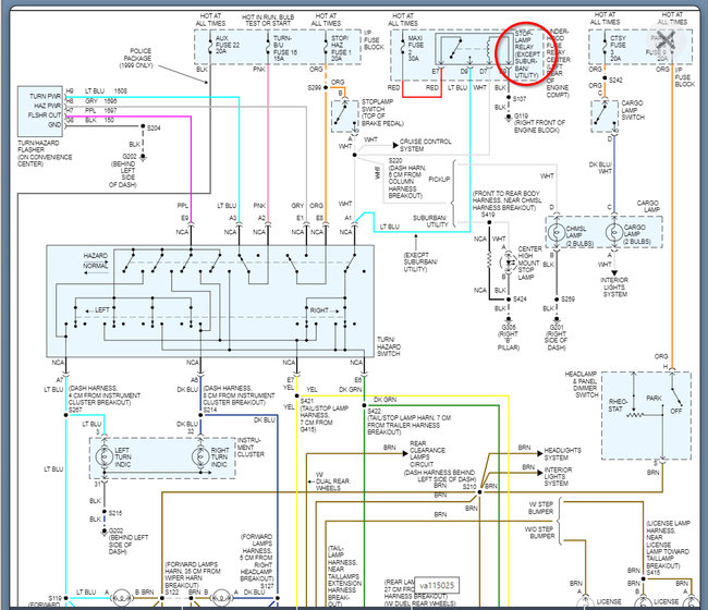
The SUV does not have a relay for the brake lights, only the pickup trucks.

https://www.2carpros.com/articles/brake-lights-not-working

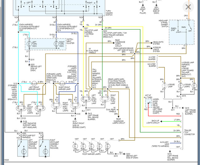
I am assuming you have an issue with the brake lights so I am attaching the wiring diagram plus here is a guide that will help with testing for voltage:

If the lights are not working, then check the stop lamp switch.

https://www.2carpros.com/articles/how-to-check-wiring

See the diagrams below and let us know what other info you need. Thanks
Was this
answer
helpful?
Yes
No
-1
Wednesday, October 20th, 2021 AT 5:10 PM

Please login or register to post a reply.