REMOVAL PROCEDURE
CAUTION: Before removing or installing any electrical unit or when a tool or equipment could easily come in contact with "live" exposed electrical terminals, disconnect the negative battery cable to help prevent personal injury and/or damage to the vehicle or components. Unless instructed otherwise, the ignition switch must be in the "OFF" or "LOCK" position .
Disconnect the negative battery cable.
Disable the SIR.
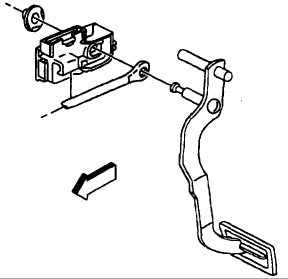
Remove the pushrod retainer from the brake pedal pin. Use snap ring pliers.
Unsnap the stoplamp switch from the pushrod.
Disconnect the electrical connector from the stoplamp switch.
INSTALLATION PROCEDURE

Connect the electrical connector to the stoplamp switch.
Snap the stoplamp switch onto the pushrod.
Install the pushrod retainer on the brake pedal pin. Use an 11 mm (7/16 inch) socket in order to push a new clip onto the pin.
Connect the negative battery cable.
Enable the SIR.
https://www.2carpros.com/kpages/auto_repair_manuals_alldata.htm
Saturday, June 26th, 2010 AT 12:11 AM