Hi, The owners manual probably won't help you troubleshoot DRL. It very well may give you fuse label and locations. I can't post the link, because the link recognizes my computer. You can do a web search, gmownerscenter.yahoo.com, see what you come up with?
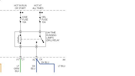
I can give you wiring diagrams on your DRL system? I'd use a testlite on the fuse circuits in the diagram. One goes hot when you turn on the key, the other is hot all the time. When the relay is energized, the dark blue wire, carries voltage for lamps. The lite green wire is ground for the coil side of relay, controlled by bcm. Not saying bcm is faulty, you may need to check manufacturer speific troubles, see if points to anything?

Friday, March 5th, 2010 AT 3:49 PM