Speedometer not working can we fix it?

Tiny
FREEWAY
  • MEMBER
  • 2008 CHEVROLET SILVERADO
I looked down and the speedo was not working and the transmission started shifting funny what's wrong?
Monday, December 14th, 2009 AT 9:18 AM

30 Replies

Tiny
KEN L
  • MASTER CERTIFIED MECHANIC
  • 55,481 POSTS
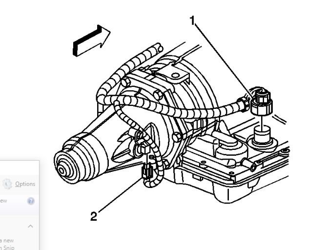
This is common when the vehicle speed sensor goes bad. Here is the location in the diagrams below so you can fix it. Check out the diagrams (below). Let us know what happens and please upload pictures or videos of the problem.
Was this
answer
helpful?
Yes
No
Wednesday, June 2nd, 2021 AT 12:15 PM
Tiny
BILLY COONEY
  • MEMBER
  • 4 POSTS
  • 2005 CHEVROLET SILVERADO
  • 5.3L
  • V8
  • 2WD
  • AUTOMATIC
  • 230,000 MILES
I'm having issues with the speedometer, it jumps around the current speed. Usually is jumps from 5 MPH below or above the correct speed. I had the cluster rebuilt and have replaced the VSS on the tailhousing. I'm trying to figure out what else could be causing an issue with this truck speedometer. There are no shifting issues. Is there any additional data the pcm looks at from other sensors or modules? Are there additional speed sensors or anything else I am missing?
Thanks
Was this
answer
helpful?
Yes
No
+1
Wednesday, June 2nd, 2021 AT 12:23 PM (Merged)
Tiny
KEN L
  • MASTER CERTIFIED MECHANIC
  • 55,481 POSTS
The PCM process the information from the VSS if the sensor is new and the cluster rebuild with no change chances are the PCM is bad. To be sure lets do a CAN scan which is the future of automotive repair you can get a CAN scanner from Amazon for about $50.00. here is a video to show you how:

https://youtu.be/u-4syLc-ifQ

If nothing comes up here is how to change out the PCM in the diagrams below. Check out the diagrams (below). Please let us know what you find. We are interested to see what it is.
Was this
answer
helpful?
Yes
No
Wednesday, June 2nd, 2021 AT 12:23 PM (Merged)
Tiny
BILLY COONEY
  • MEMBER
  • 4 POSTS
The PCM is a rebuild as well. I went through the wiring diagram and checked for voltage from the PCM to the sending unit and I didn't have the 5v from the PCM, so I ordered a rebuilt unit online. Once I have time I'm going to raise the bed and check for voltage at the sending unit connector.
Was this
answer
helpful?
Yes
No
Wednesday, June 2nd, 2021 AT 12:23 PM (Merged)
Tiny
KEN L
  • MASTER CERTIFIED MECHANIC
  • 55,481 POSTS
Sounds good let me know what happens.
Was this
answer
helpful?
Yes
No
Wednesday, June 2nd, 2021 AT 12:23 PM (Merged)
Tiny
BILLY COONEY
  • MEMBER
  • 4 POSTS
Thanks Ken.
My brain was jumbled up the other day, fuel sending unit issue that I'm also trying to diagnose, I don't believe the 2 are related. I replaced the PCM already, had the cluster rebuilt and replaced the VSS. Is there anything else that could be causing the speedometer to jump 5 MPH +/- the actual speed, such as the abs wheel sensors?
Was this
answer
helpful?
Yes
No
Wednesday, June 2nd, 2021 AT 12:23 PM (Merged)
Tiny
BILLY COONEY
  • MEMBER
  • 4 POSTS
Nope Joe, whenever I commented about raising the bed I was thinking about a different issue. I'm stumped as far as the speedometer issue. The speedometer has been jumping 5 mph +/- the actual speed for a while. First I replaced the VSS due to the speed issue, then I replaced the PCM for another issue and last I had the speedometer rebuilt by a local tech.
Was this
answer
helpful?
Yes
No
Wednesday, June 2nd, 2021 AT 12:23 PM (Merged)
Tiny
JACOBANDNICKOLAS
  • MECHANIC
  • 110,194 POSTS
Hi,

The speedometer needle is electrically operated by a stepper motor. You have already done a lot of work and it hasn't changed. What I would suggest is to check the ground for the instrument panel/speedo. Also, if you haven't already, check the connection on the rear of the IP to see if anything is corroded, loose, or damaged.

One last thought. When this happens, try to pay attention to the alternator gauge to see if it fluctuates when the speedo reacts.

I attached two wiring schematic pics for the speedometer/IP. I highlighted the ground I would check just to make sure it is tight, not damaged, and not corroded. The ground is on the left side near the kick panel/A pillar. I had to cut the pic in half to make it readable, but I did overlap them so you can easily follow them.

Check it and let me know what you find. Here is a link you may find helpful:

https://www.2carpros.com/articles/how-to-check-wiring

Let me know what you find.

Take care,

Joe

See pics below.

Was this
answer
helpful?
Yes
No
+1
Wednesday, June 2nd, 2021 AT 12:23 PM (Merged)
Tiny
JALVA11
  • MEMBER
  • 1 POST
  • 2005 CHEVROLET SILVERADO
  • V8
  • 4WD
  • AUTOMATIC
  • 62,000 MILES
My speedometer is reading all over the place sometimes not working at all. It reads 30 to 40 miles faster than I am actually traveling
Was this
answer
helpful?
Yes
No
Wednesday, June 2nd, 2021 AT 12:23 PM (Merged)
Tiny
MASTERTECHTIM
  • MECHANIC
  • 4,750 POSTS
This is common when the vehicle speed sensor VSS goes out here is the location so you can check it out. Check out the diagrams (Below). Please let us know what happens.
Was this
answer
helpful?
Yes
No
-1
Wednesday, June 2nd, 2021 AT 12:23 PM (Merged)
Tiny
DJJAWARREN
  • MEMBER
  • 3 POSTS
  • 2004 CHEVROLET SILVERADO
  • V8
  • 4WD
  • AUTOMATIC
  • 57,457 MILES
The speedometer has been intermittent for some time. Now doesn't work more often than does work. Usually starts showing speeds lower than actual until it finally doesn't register at all. I am trying to remove the cluster from the dash to inspect the wiring but can not get the cable plug out of the back of the cluster.
Was this
answer
helpful?
Yes
No
Wednesday, June 2nd, 2021 AT 12:23 PM (Merged)
Tiny
MASTERTECHTIM
  • MECHANIC
  • 4,750 POSTS
If your transmission is still shifting right, that eliminates the vehicle speed sensor and wiring and you will probably need to replace your dash cluster, but you might already know that since you are taking out your cluster. Those plugs in the back are held in with snap locks, you need to compress the locks while pushing in on the connector and then pull out. Hope this helps
Was this
answer
helpful?
Yes
No
Wednesday, June 2nd, 2021 AT 12:23 PM (Merged)
Tiny
DJJAWARREN
  • MEMBER
  • 3 POSTS
Great help, thanks

I got it out.
Was this
answer
helpful?
Yes
No
Wednesday, June 2nd, 2021 AT 12:23 PM (Merged)
Tiny
JDPRICE69
  • MEMBER
  • 5 POSTS
  • 2004 CHEVROLET SILVERADO
  • 5.3L
  • V8
  • 4WD
  • AUTOMATIC
  • 143,000 MILES
I do hear a clicking noise though when I’m driving it. I don’t know what it is. I have tried 3 different dash clusters and they all do the same. And I know they work because I have tested them. But when I hook em up to mind the speedometer does not work at all. It does move a little when you first start it up but other than that it doesn’t.
Was this
answer
helpful?
Yes
No
Wednesday, June 2nd, 2021 AT 12:24 PM (Merged)
Tiny
ASEMASTER6371
  • MECHANIC
  • 52,796 POSTS
Good evening,

Is the check engine light on?

Do you have a scan tool for viewing live data? If you do, take it for a ride and see if it shows vehicle speed. That will tell us if you have a signal from the vehicle speed sensor.

If you do not, the check engine light should be on with a 500 code.

Roy
Was this
answer
helpful?
Yes
No
Wednesday, June 2nd, 2021 AT 12:24 PM (Merged)
Tiny
JDPRICE69
  • MEMBER
  • 5 POSTS
I changed the speed sensors on the truck when I first got it. It still has noise behind the cluster like the motor is running to operate the speedometer but just isn’t doing so.
Was this
answer
helpful?
Yes
No
Wednesday, June 2nd, 2021 AT 12:24 PM (Merged)
Tiny
ASEMASTER6371
  • MECHANIC
  • 52,796 POSTS
Okay, you will need a scan tool to see if there is a signal coming to the ECM. Once the ECM sees the signal, it is sent off to the cluster.

You will need to start there. If you have a signal, then you have either a bad ECM or wiring to the cluster.

If you do not have a signal, then you need to test the wiring from the sensor to the ECM.

https://www.2carpros.com/articles/how-to-check-wiring

Roy
Was this
answer
helpful?
Yes
No
Wednesday, June 2nd, 2021 AT 12:24 PM (Merged)
Tiny
JDPRICE69
  • MEMBER
  • 5 POSTS
I hooked my scan to it and doesn’t call for an ECM. And my plug to the back of my dash cluster has been changed before. So I went back and rewired it all and made sure they are all connected and they are.
Was this
answer
helpful?
Yes
No
Wednesday, June 2nd, 2021 AT 12:24 PM (Merged)
Tiny
ASEMASTER6371
  • MECHANIC
  • 52,796 POSTS
Does not call for an ECM? Please explain.

Can you read a vehicle speed with the scan tool?

Roy
Was this
answer
helpful?
Yes
No
Wednesday, June 2nd, 2021 AT 12:24 PM (Merged)
Tiny
JDPRICE69
  • MEMBER
  • 5 POSTS
Yes, it shows my speed on the scan tool because I just did a live scan just now. So it showed the speed on there. But like I said it doesn’t show anything about ECM.
Was this
answer
helpful?
Yes
No
Wednesday, June 2nd, 2021 AT 12:24 PM (Merged)

Please login or register to post a reply.