Radio not working

Tiny
BAILEYBOY
  • MEMBER
  • 2005 CHEVROLET SILVERADO
  • V8
  • 2WD
  • AUTOMATIC
  • 65,012 MILES
Will not work (turn off radio) in ten minutes or when door is opened after ignition is turned off.
Friday, February 8th, 2008 AT 12:30 AM

11 Replies

Tiny
2CARPRO JACK
  • MECHANIC
  • 11,533 POSTS
If key is out of ignition or the doors are opened, the BCM ( body control module) will shut down the power, it is called "battery run-down protection" after 10 minutes
Was this
answer
helpful?
Yes
No
-1
Saturday, February 9th, 2008 AT 7:59 AM
Tiny
TRYING2KEEPUP
  • MEMBER
  • 3 POSTS
  • 2001 CHEVROLET SILVERADO
  • 4.3L
  • V6
  • 2WD
  • AUTOMATIC
  • 224,000 MILES
The truck is all factory. The radio is the factory head unit along with the factory speakers and wiring etc. The radio always powers on so it shows the clock which is right but it always goes back to station 98.1 and it loses any of the presets I just set every single time I shut off the truck and start it again regardless if there will be any sound. Sometimes the radio would work and sometimes it wouldn't, it was anyone's guess, but every time when the radio would produce sound it only comes out of the one passenger door speaker. I can understand if the driver side door speaker is blown or messed up from the rain but there are little speakers (in the cab panel on both sides where the back windows would be if it were a four-door) that I don't see how they could be messed up so i'm not sure why i'm only getting sound out of the one speaker. I finally pulled the driver side door panel off and found that someone had cut the wires to the door lock actuator (which is broken but apparently doesn't affect my ability to open the door with the key since I do it and have no problem). I got those wires back together (and moved the little piece side to side while testing for the radio) and it made no difference with the radio-still the same thing sometimes it would work sometimes it wouldn't, nothing I did made a difference. Using a multi-meter I tested for power in those wires and the driver side door speaker wires. All seems good. So I took the door speaker out and tested it for impedance-it should be 4 ohms and it would jump around but finally settle around 3.3 ohms. I was in a rush so I didn't connect the speaker back for half the day and for that entire half a day I had radio every single time I started the truck. To test this theory-truck off, I plugged the speaker back into the door and turned the key to the on position. Nothing. Turned the truck on, so engine running. Still nothing. Shut off the truck completely, unplug speaker and turn key to on position and boom I have sound! Of course it was still only out of the one speaker in the passenger door but it proved my theory that when the driver side door speaker is plugged in the radio only works when it wants to and still only out of the one speaker in the passenger door. So I took what I know to be a good speaker and hooked it up to the driver's door, ran the same tests and got the same results so I don't understand why this is happening whether or not the speaker is good. Help? I'm so lost and tired of singing to myself.
Was this
answer
helpful?
Yes
No
Tuesday, April 7th, 2020 AT 11:30 AM (Merged)
Tiny
ASEMASTER6371
  • MECHANIC
  • 52,796 POSTS
Good morning.

This sounds like the radio itself is the issue. I doubt it is the speaker at all. It is what is coming out of the radio or what is not coming out of the radio.

I would check the connector at the back of the radio to be sure the connection is tight and clean.

Roy
Was this
answer
helpful?
Yes
No
-1
Tuesday, April 7th, 2020 AT 11:30 AM (Merged)
Tiny
TRYING2KEEPUP
  • MEMBER
  • 3 POSTS
The connections on the back of the head unit are all on good and tight. I checked all the fuses I could find and they were all good. So I decided to try the driver side door speaker on my home stereo and although it produces sound it is definitely garbled so I'm thinking it's blown. I then took a good speaker from my home stereo system--old school with the wires and I connected it to the door speaker wires with the truck running and the stereo producing sound out of the passenger door speaker. I know the speaker is good but there was still no sound from the test speaker, so I put the stereo completely to the left side and then I turned it up and I could hear the music--it was faint but it was there. However with the test speaker still connected I shut the truck off and then when I went to turn it back on there was absolutely no sound anywhere. With the truck off and test speaker still connected I twisted the positive and negative wires for the door lock actuator together and could hear static noises from the speaker but when I turned the truck on there was still no sound from stereo. I don't know if maybe the door lock actuator has something to do with why the stereo will not produce any sound when the speaker is connected? Or maybe bad wiring to the driver's side door speaker? Bad head unit?
Was this
answer
helpful?
Yes
No
Tuesday, April 7th, 2020 AT 11:30 AM (Merged)
Tiny
KEN L
  • MASTER CERTIFIED MECHANIC
  • 55,488 POSTS
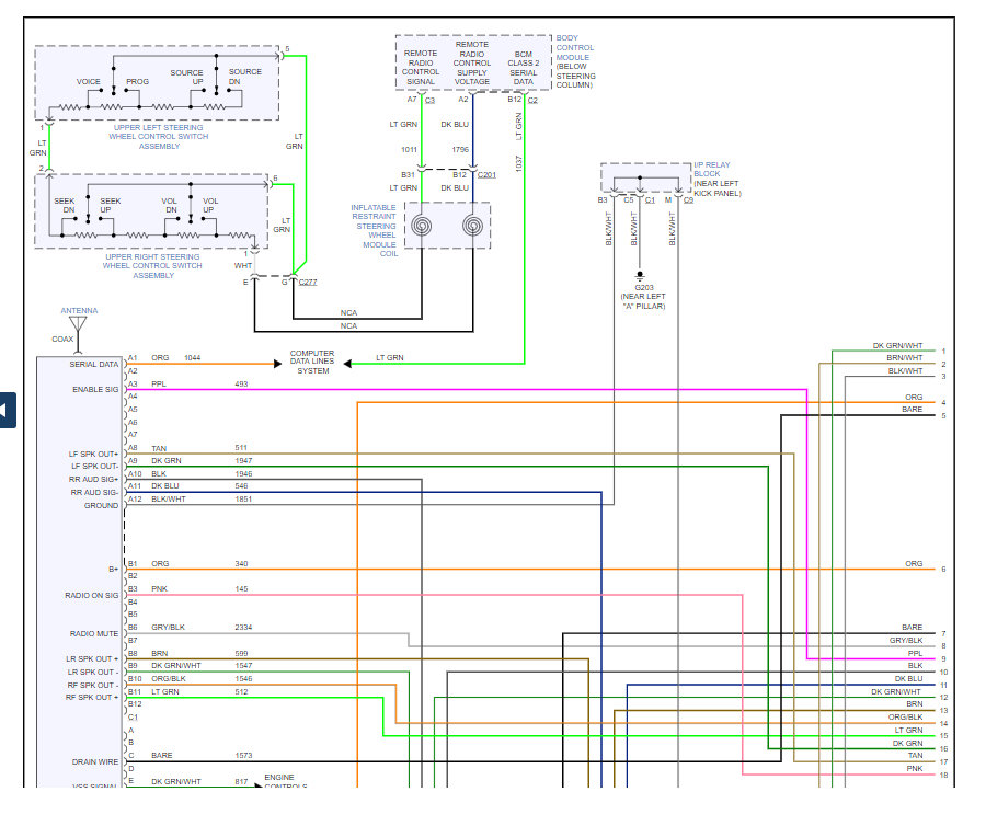
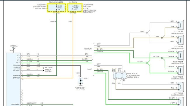
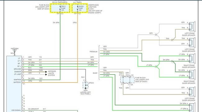
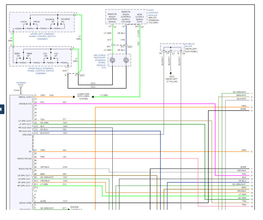
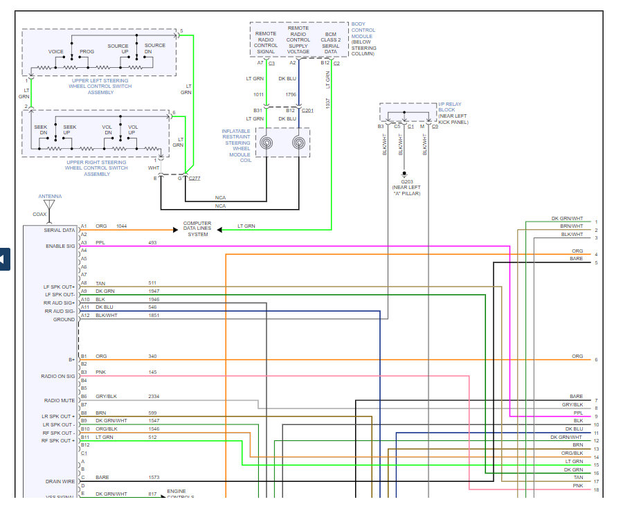
This sounds like a bad head unit which is common. You can replace it with a stock unit or install an aftermarket unit. Here is a video of the job being done on a similar car with instructions in the diagrams below to show you how on your car:

https://youtu.be/jF_sDSS0n7I

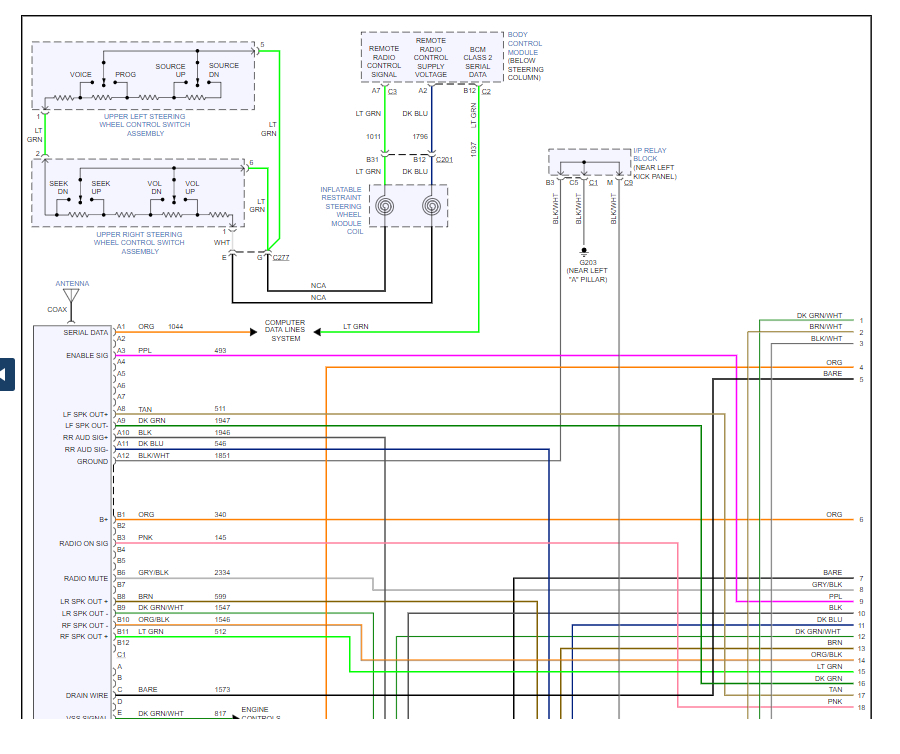
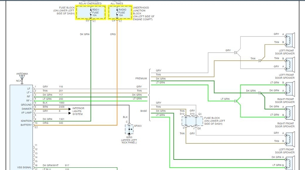
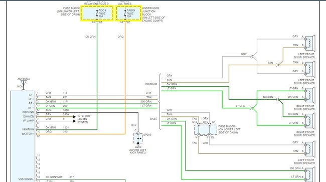
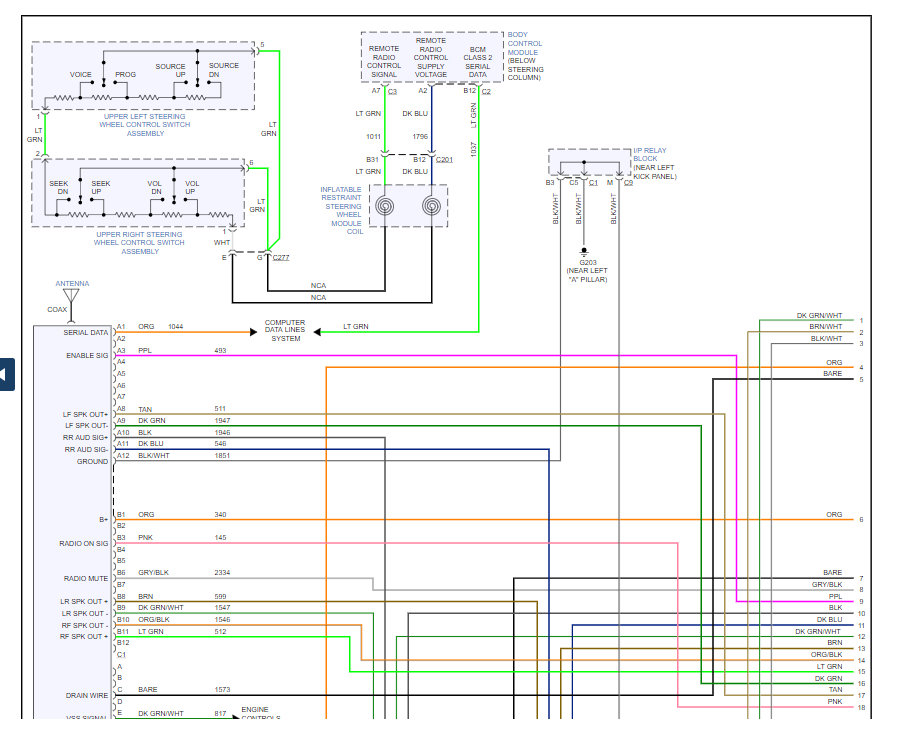
Check out the diagrams (below). Please let us know what happens.

Was this
answer
helpful?
Yes
No
Tuesday, April 7th, 2020 AT 11:30 AM (Merged)
Tiny
TWIL59
  • MEMBER
  • 1 POST
  • 2000 CHEVROLET SILVERADO
  • V8
  • 4WD
  • AUTOMATIC
  • 90,000 MILES
How can I repair the lights that are not working in my radio?
Was this
answer
helpful?
Yes
No
Tuesday, April 7th, 2020 AT 11:30 AM (Merged)
Tiny
QUAGMIRE86
  • MECHANIC
  • 98 POSTS
If you are talking about the "Back-lights" that illuminate the buttons and such, you have to remove the tiny incadescent bulbs (10 of them) by disassembling the radio. Using a solder gun, carefully heat up the solder to remove the old/burnt out bulbs. Sould be enough solder on the circuit board so you don't have to add solder when installing the new bulbs. Just re-heat and slip into place.
Was this
answer
helpful?
Yes
No
Tuesday, April 7th, 2020 AT 11:30 AM (Merged)
Tiny
RONKSYODER
  • MEMBER
  • 1 POST
  • 2000 CHEVROLET SILVERADO
2000 Chevy Silverado

my radio screen says loc on my truck that we just bought and it doesnt work how do I fix it?
Was this
answer
helpful?
Yes
No
Tuesday, April 7th, 2020 AT 11:31 AM (Merged)
Tiny
RHALL77
  • MECHANIC
  • 3,361 POSTS
Hold down your two and three button to get the security codes. You will need to call your local dealer to get the unlock codes. But you need your codes first off your radio to give to them
Was this
answer
helpful?
Yes
No
Tuesday, April 7th, 2020 AT 11:31 AM (Merged)
Tiny
TRYING2KEEPUP
  • MEMBER
  • 3 POSTS
So after replacing the factory head unit and putting new door speakers and still the same problems, I was giving up! I had put the factory stereo back in because I was going to return it and then a new problem surfaced- the turn signal switch started acting up! At random it will make the clicking noise as if I have my blinker on even when I don't! I decided to take the dash apart to try to see if maybe I had a pinched wire or something or if I could disable whatever makes the "click" blinker noise. I didn't find anything for that problem but I found wires under the dash above the emergency brake that had been spliced for whatever reason! Well after testing the wires for continuity I discovered that one wire that goes to the door lock actuator and one wire that goes to the speaker had been switched at the splice. I took that all apart and connected it right and voila we have music! Not only does the radio produce sound every time I turn the key but the factory head unit actually keeps the right time, the presets and whatever station I had it on before turning the truck off is the station it is on when I start the truck again. No more 98.1! Who knew a switched wire could cause such a headache! I still don't have any sound coming from the rear panel speakers but 2 out 4 all the time ain't bad compared to the mess that I had before! Any suggestions for the blinker blinking when its off or how to get sound out of the rear speakers would be much appreciated!
Was this
answer
helpful?
Yes
No
Friday, April 10th, 2020 AT 11:52 PM
Tiny
KEN L
  • MASTER CERTIFIED MECHANIC
  • 55,488 POSTS
Hello,

It sounds like you may have more wiring issues or a bad ground. here is guide to help you with the testing and the radio wiring diagrams below to show you which wires to test:

https://www.2carpros.com/articles/how-to-check-wiring

Check out the diagrams (below). Please let us know what happens.
Was this
answer
helpful?
Yes
No
Saturday, April 11th, 2020 AT 1:48 PM

Please login or register to post a reply.