HOME
ASK A QUESTION
REPAIR GUIDES
BECOME A MEMBER
LOG IN
Login with Facebook
OR
Remember me
NOT A MEMBER?
FORGOT PASSWORD?
CONTACT US
PRIVACY POLICY
TERMS AND CONDITIONS
☰
Home
Chevrolet
Silverado
Climate Control
Air Conditioner
Compressor
Relay
2003 Chevy Silverado no power to trigger compressor on
GHOFFPAUIR
MEMBER
2003 CHEVROLET SILVERADO
V8
4WD
AUTOMATIC
195,000 MILES
Have changed control head, compressor,
will come on after driving and coming to a stop
relay and fuse are both good
dont no what powers compressor on?
Wednesday, July 14th, 2010 AT 9:22 PM
3 Replies
HMAC300
MECHANIC
48,601 POSTS
Thee is a pressure switch on the accumalator that powers the compressor. It could be bad or your system is low on freon.
Was this
answer
helpful?
Yes
No
-1
Thursday, July 15th, 2010 AT 9:11 AM
GHOFFPAUIR
MEMBER
1 POST
Not getting any power to low pressure swich
What sends signal power to pressure switch?
Was this
answer
helpful?
Yes
No
+5
Thursday, July 15th, 2010 AT 9:45 AM
HMAC300
MECHANIC
48,601 POSTS
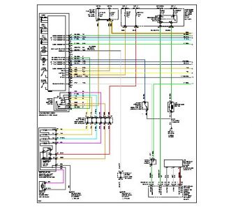
Sorry i thought that you may have checked your fuse and relay first. YOu may have a bd relay. here is a diagram for you
Was this
answer
helpful?
Yes
No
-2
Thursday, July 15th, 2010 AT 2:27 PM
Please
login
or
register
to post a reply.
Related Air Conditioner Compressor Relay Content
Air Conditioner Compressor Is Not Turning On Relay?
I Have Searched All Over The Truck Cant Find It?
Asked by
acehearts
·
53 ANSWERS
16 IMAGES
2005
CHEVROLET SILVERADO
Air Conditioner Compressor
My Original Compressor Started Leaking Freon, My Repair Garage Replaced It With A Lifetime Warranty Compressor. Four Years Later It Leaked...
Asked by
erwin south
·
1 ANSWER
2003
CHEVROLET SILVERADO
A/c Clutch
Was Wondering If They Have A Tool To Fix The Threads Of The A/c Clutch. I Cannot Thread The Tool In To Get The A/c Clutch Off.
Asked by
jasonpyzo
·
4 ANSWERS
1993
CHEVROLET SILVERADO
1996 Chevy Silverado Ac Clutch Engages But No Air
Air Conditioning Problem 1996 Chevy Silverado V8 Four Wheel Drive Manual My Air Conditioning On My 96 K1500 Quite Getting Cold. I Put...
Asked by
bullfrogjiff
·
4 ANSWERS
1996
CHEVROLET SILVERADO
1996 Chevy Silverado
I Had Ac Compressor Put In About 2 Months Ago. For Some Reason It Stopped Working. I Can't Hear The Clutch Engaging When I Turn It On.
Asked by
richir96
·
1 ANSWER
1996
CHEVROLET SILVERADO
VIEW MORE
Ask a Car Question. It's Free!