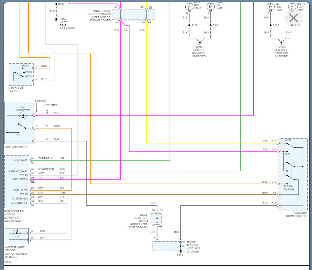
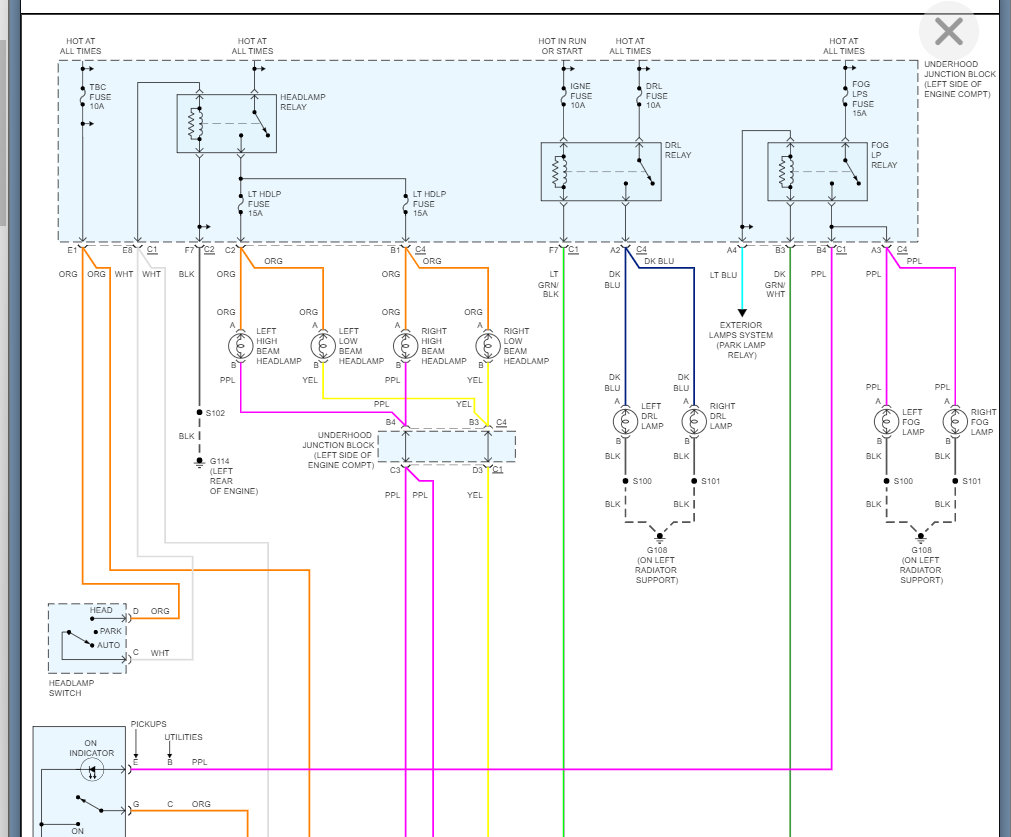
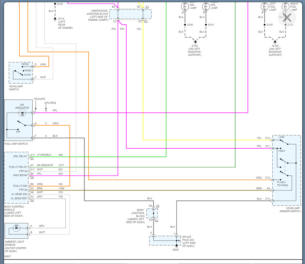
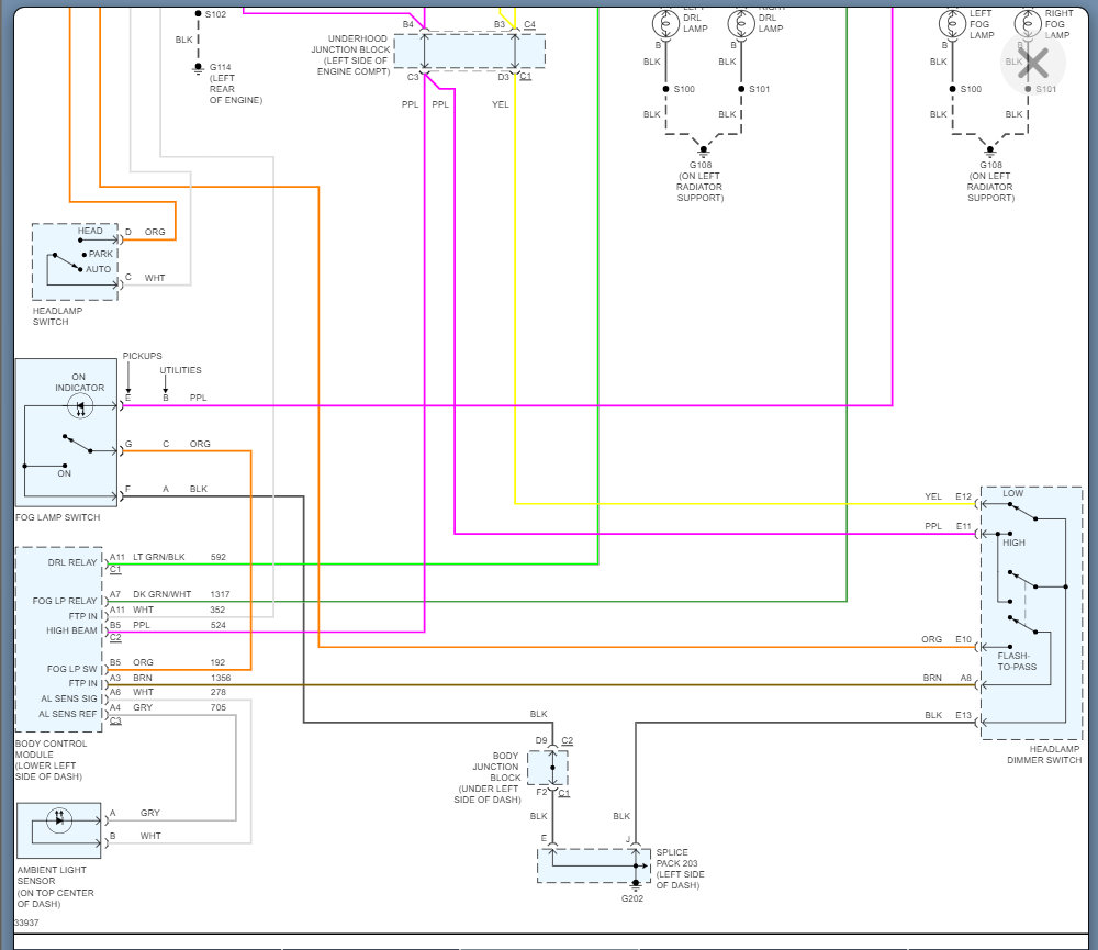
Headlight relay

Tiny
HABEECH
  • MEMBER
  • 2000 CHEVROLET SILVERADO
Where is the headlight relay located, I only get a clicking sound when switching to low beam?
Sunday, November 1st, 2009 AT 2:41 PM

1 Reply

Tiny
KASEKENNY
  • MECHANIC
  • 18,907 POSTS
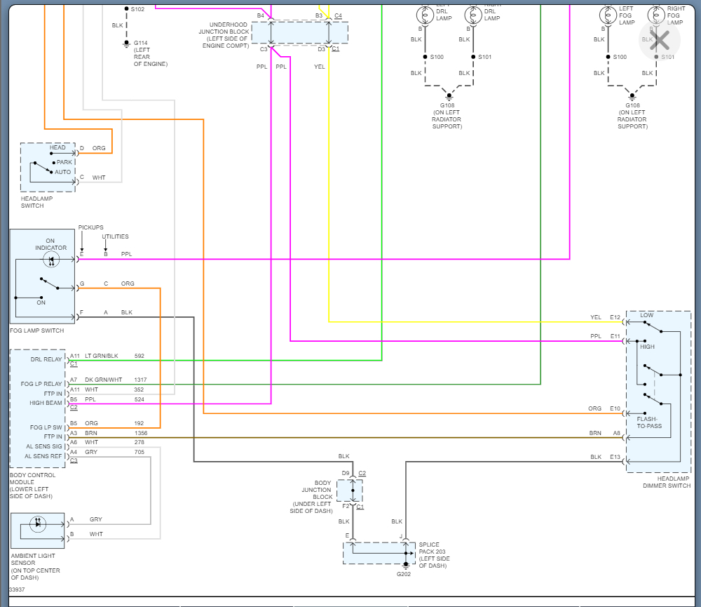
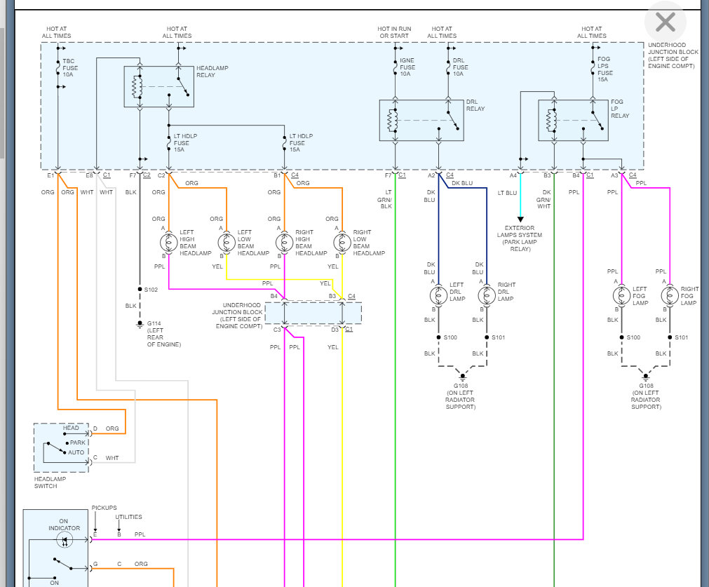
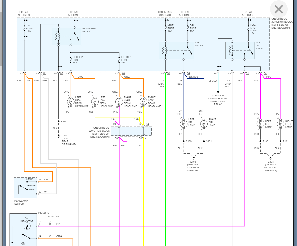
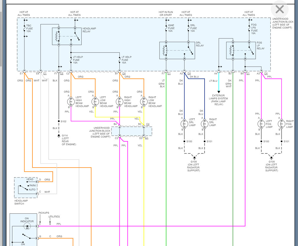
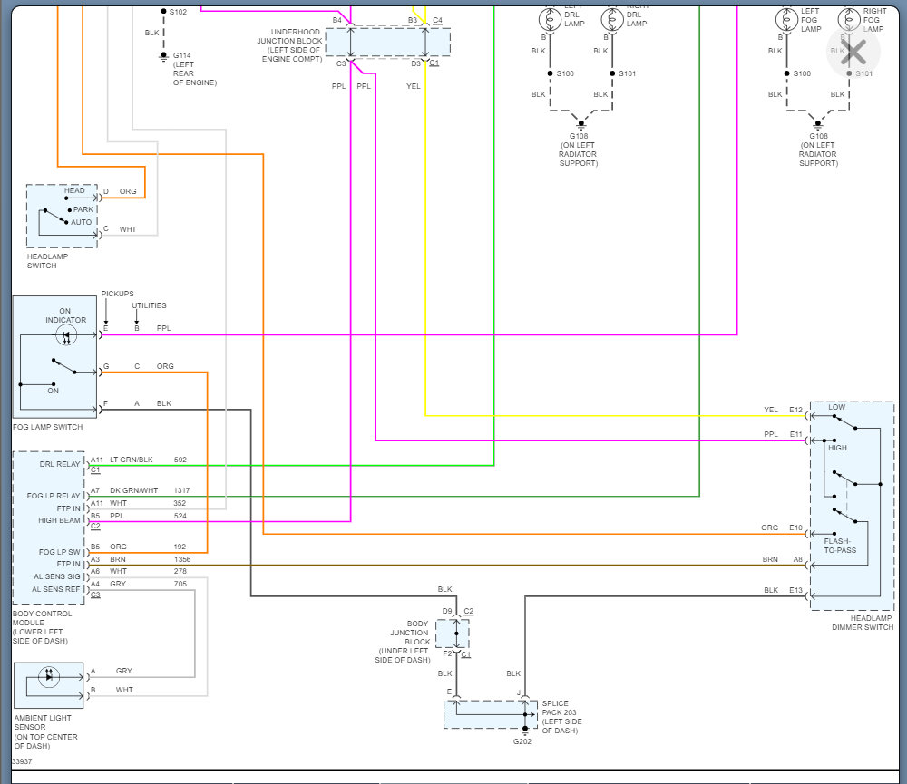
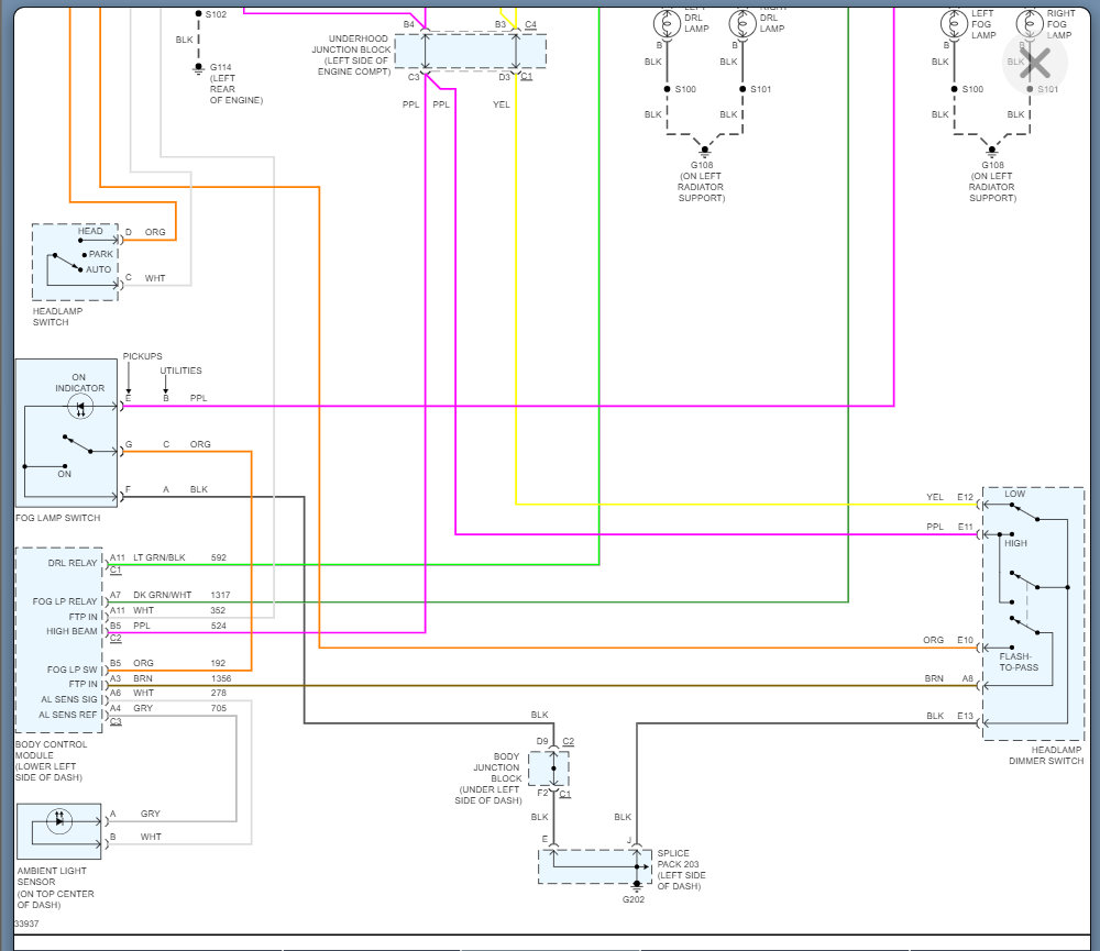
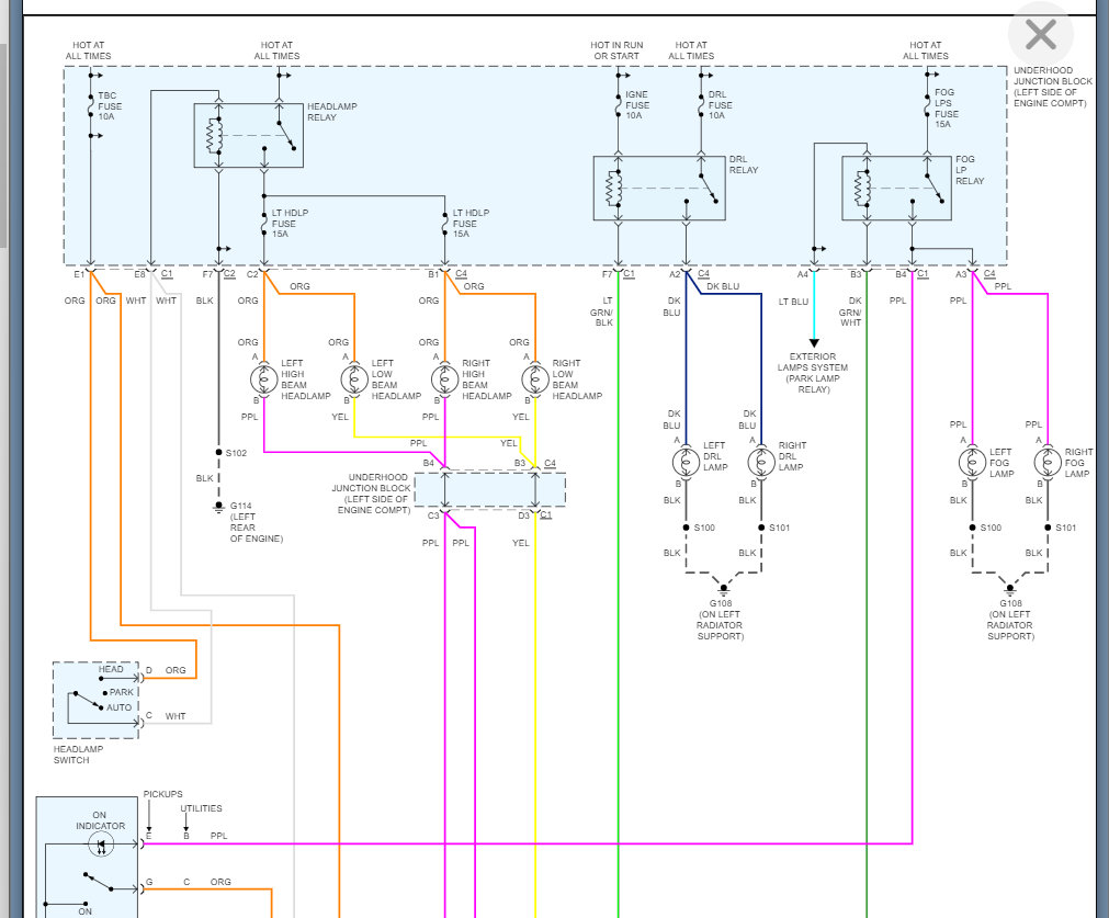
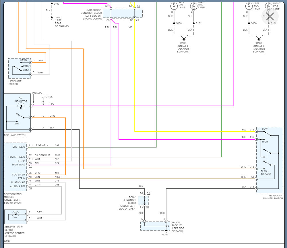
A clicking relay is normally the relay itself so I will attach the info below on this, but this could also be a connection issue or even a grounding issue.

Since the switch is on the ground side of this circuit then the switch can be the issue as well.

What I would suggest is to replace the relay and here is a guide that will help with testing and replacing:

https://www.2carpros.com/articles/how-to-check-an-electrical-relay-and-wiring-control-circuit

If the relay is not the issue, then just go to the bulb and back probe the ground side of the socket and supply it straight to ground. If the relay stops clicking, then you most likely have a switch issue.

Take a look at this info and let us know what you find. Thanks
Was this
answer
helpful?
Yes
No
-1
Saturday, March 5th, 2022 AT 5:51 AM

Please login or register to post a reply.