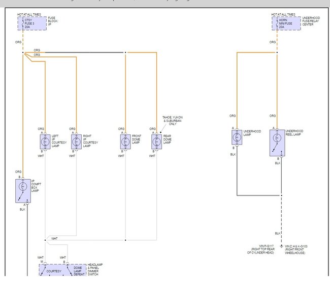
The problem is, just recently the interior(dome& two floor) lights came on by themselves while I was driving. Since then, they wont shut off. The only way I can shut them off is by removing the courtsey fuse from the fuse box.
I've replaced the two door jam switches but, still have the same problem.
The interior lights will flicker from time to time and sometimes shut off briefly while driving but, stay on for the most part. My aftermarket radio/cd player runs off the same fuse as the lights but works fine even though the lights flicker or shut off briefly. I've had the radio/cd player in the truck for 5 years so, I don't think that's the problem.
The interior light dimmer switch seems to be working correctly. It allows me to either turn off the dash lights completely or put them to their brightest.
All other electrical works fine and I haven't had any electrical problems up until this time.
Any tips on how to possibly solve this problem would be appreciated.
Thanks
Paul[/quote:7a166e4742]
Hello !!
well.. looks like you have a "grounded" wire somewhere on the door jam switch wiring..
Follow the wires until you find the "bare" wire touching the frame ..
(with a light tester you will find that the wire its grounded)
usually the wires get rub at the hinges pull the wires one by one until the light turn off...
Good Luck!
Sep 14, 2020 at 11:33 AM
(Merged)

