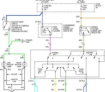
Tuesday, March 13th, 2007 AT 5:38 PM
I have a 94 1500 Silverado, 72000 miles, 350 auto. Since I bought the truck last Sept. The reverse lights have never worked. I've checked both bulbs and they are ok. Also, the parking and brake lights work fine. Any info on a fix would be appreciatedl




