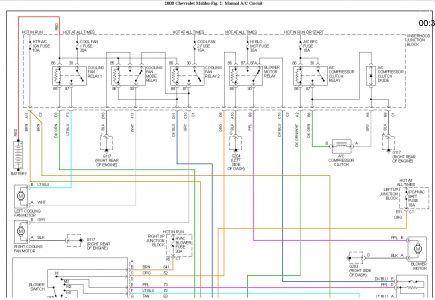
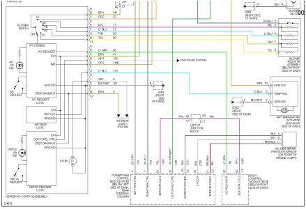
WHEN THE AC IS PUT ON ABOUT 30-40 SECONDS LATER THE INSIDE CIRCULATE LED SWITCHES TO OUTSIDE CIRCULATE AND THE COMPRESSOR KICKS OFF. IF YOU START AGAIN THE AC MAY STAY ON LONGER BUT WILL USUALLY DO IT AGAIN. ONCE IN AWHILE THE AC SEEMS TO WORK GOOD BUT THE AC LED GOES ON AND OFF.
I CANNOT FIND A SCHEMATIC FOR THIS SYSTEM.
Saturday, August 9th, 2008 AT 5:50 PM




