Volt light is on

Tiny
DORALROBINSON
  • MEMBER
  • 1992 CHEVROLET LUMINA
6 cyl Automatic 88500 miles

My volt light is on in my car. I have change the the alternator, starter, and the negative battery terminal. I got the battery check and it is fine. What is the problem?
Thursday, October 8th, 2009 AT 10:33 AM

2 Replies

Tiny
DOUG RODRIGUES
  • MEMBER
  • 11 POSTS
Hello,

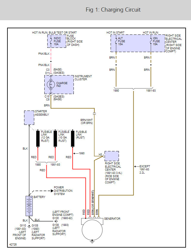
This charging system has 2 fuses that must be checked here is an alternator wiring diagram to help you test for power.

https://www.2carpros.com/articles/how-to-check-a-car-fuse

Check out the diagrams (Below)

Please let us know what you find.

Cheers
Was this
answer
helpful?
Yes
No
Sunday, October 18th, 2009 AT 11:20 AM
Tiny
DORALROBINSON
  • MEMBER
  • 1 POST
Thanks for the wiring diagram, I found the alternator fuse was blown I wised I checked that first.
Was this
answer
helpful?
Yes
No
Monday, October 19th, 2009 AT 11:30 AM

Please login or register to post a reply.