Location of the Turn Signal Flasher?

Tiny
RVROMAN
  • MEMBER
  • 2005 CHEVROLET IMPALA
  • 6 CYL
  • 2WD
  • AUTOMATIC
  • 65,000 MILES
I need to locate the turn signal flasher on my 2005 Chevy Impala. I have looked under the dash and cannot seem to find it.
Tuesday, March 10th, 2009 AT 3:14 PM

21 Replies

Tiny
LSAUTO
  • MECHANIC
  • 61 POSTS
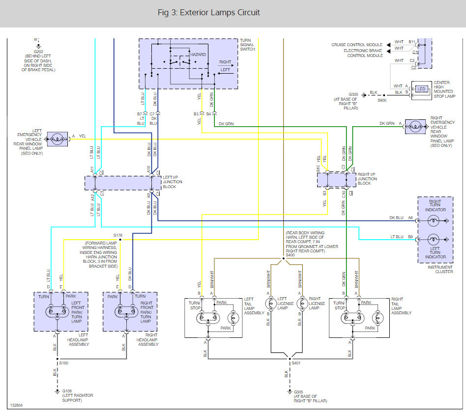
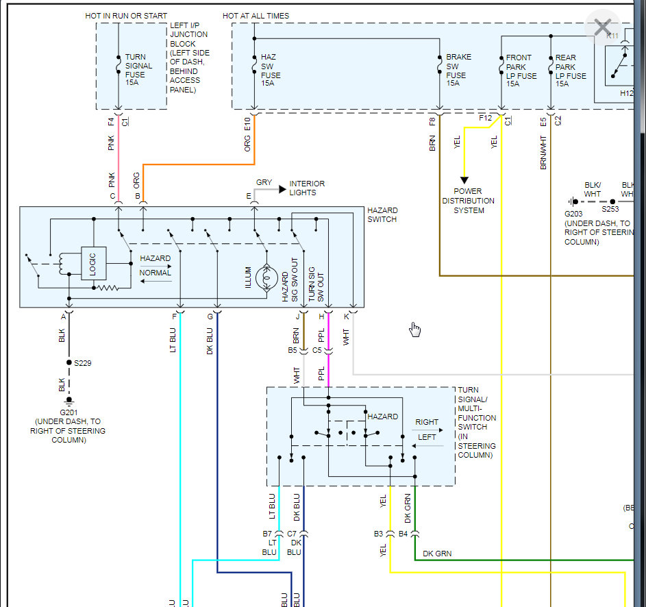
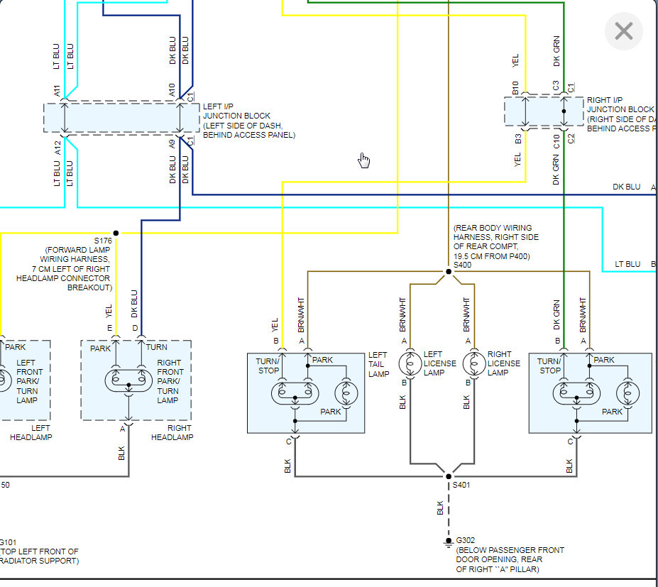
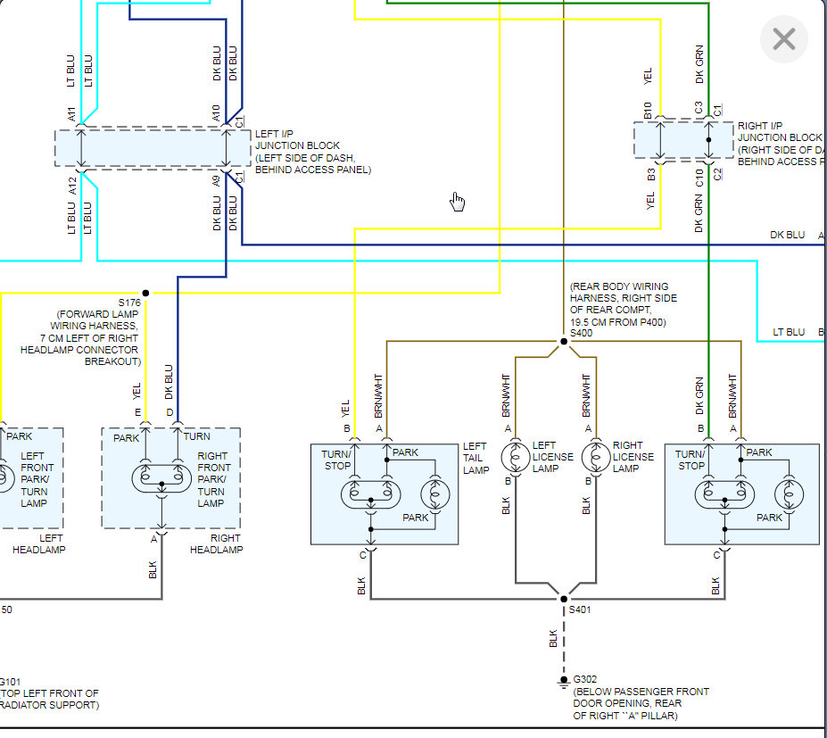
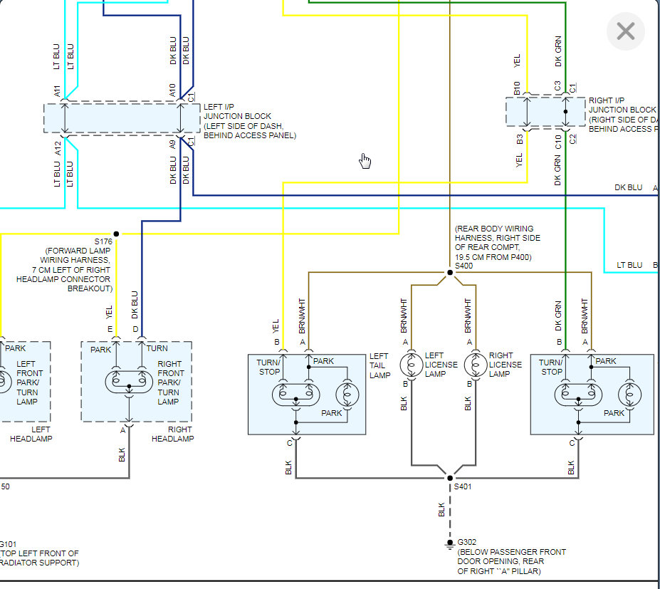
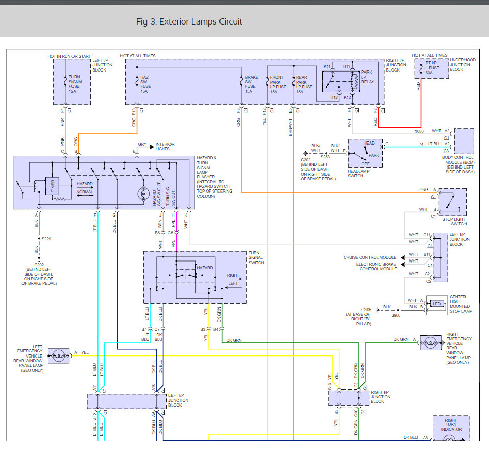
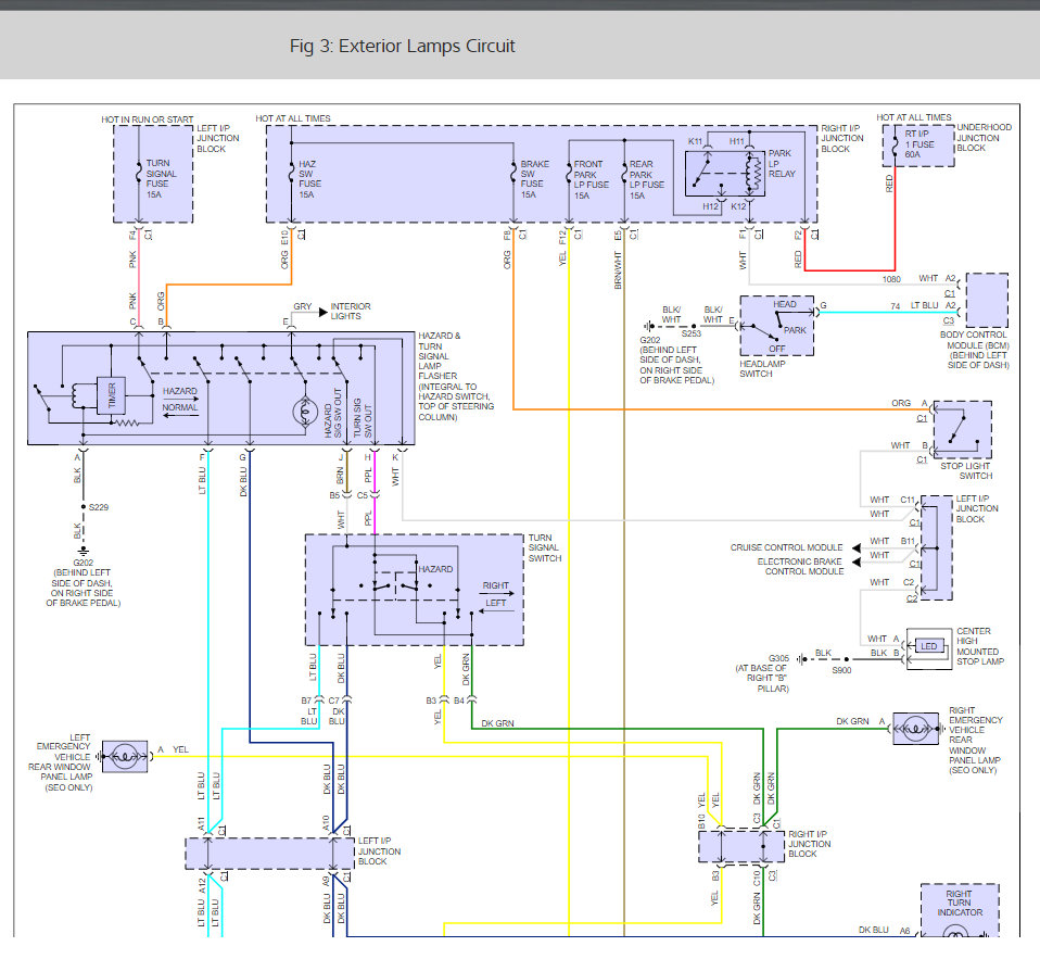
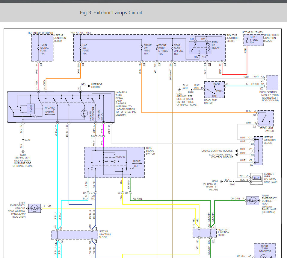
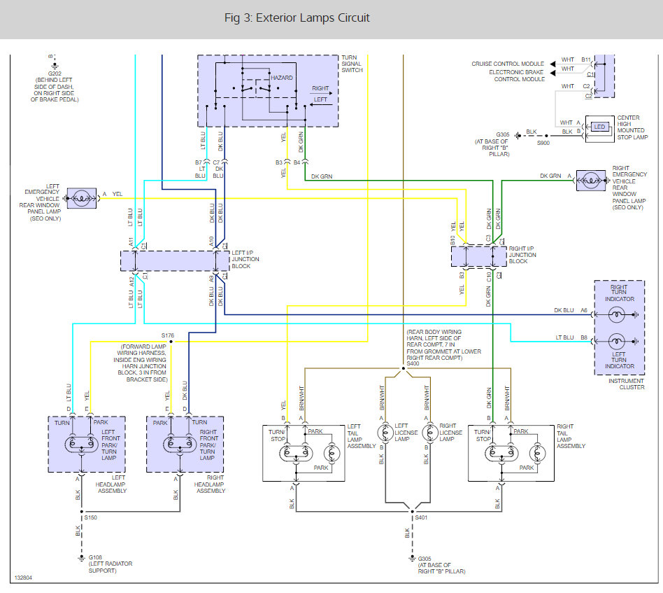
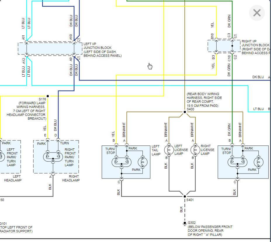
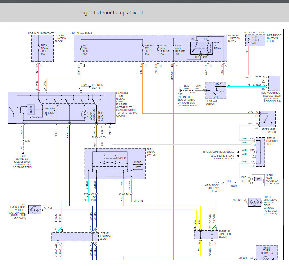
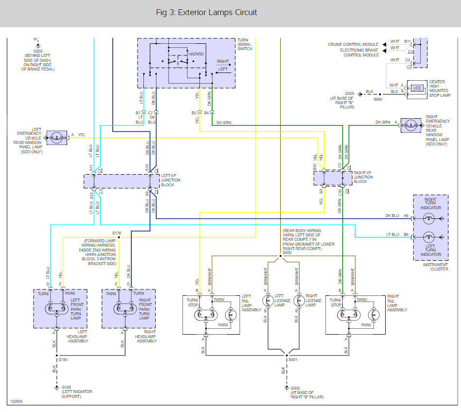
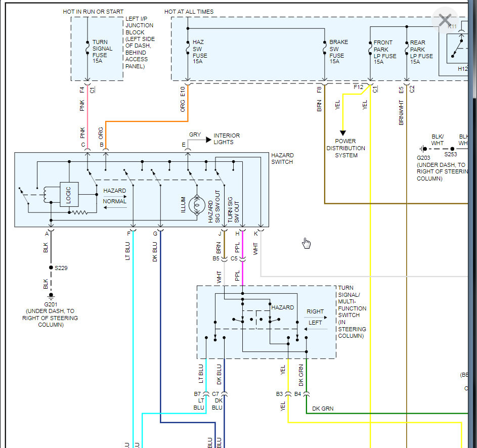
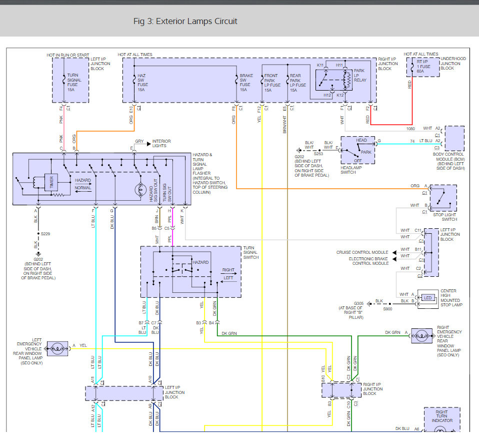
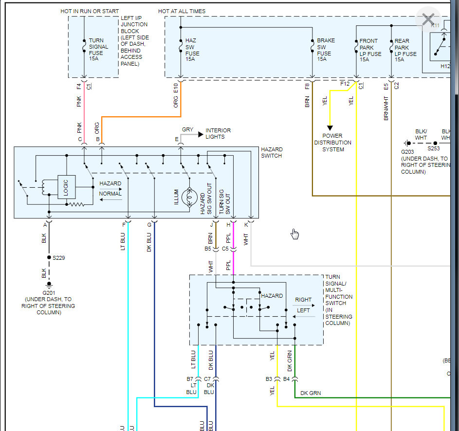
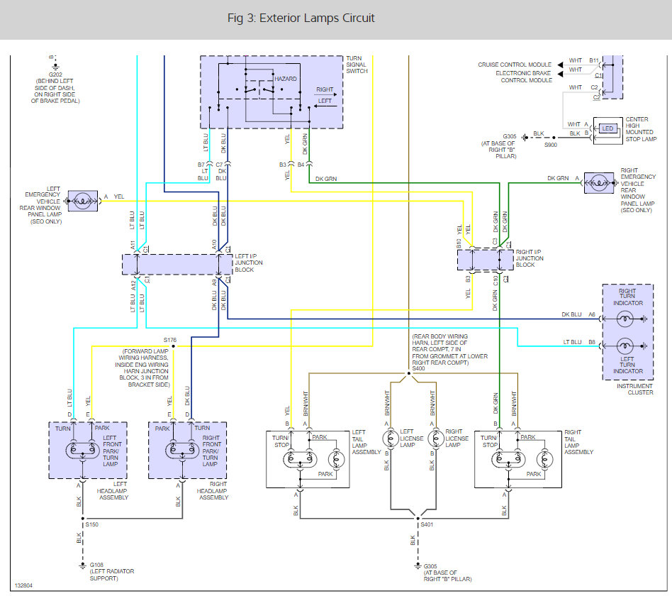
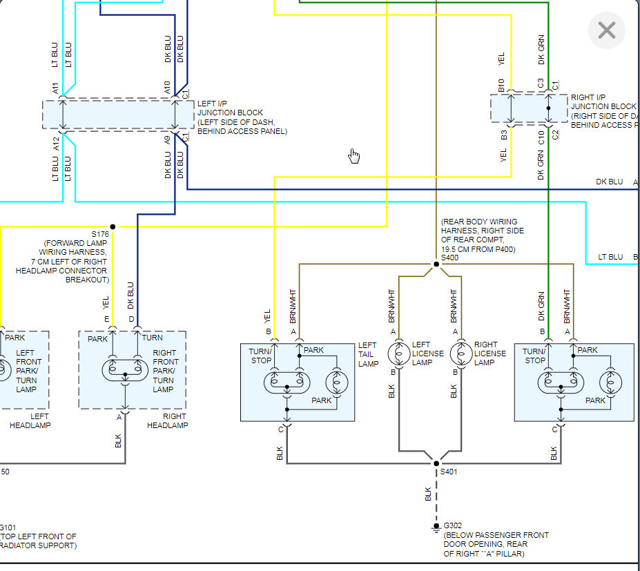
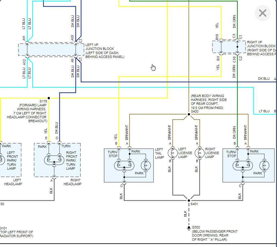
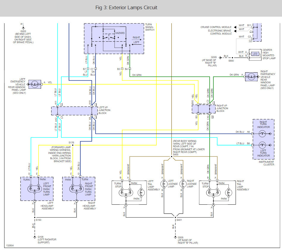
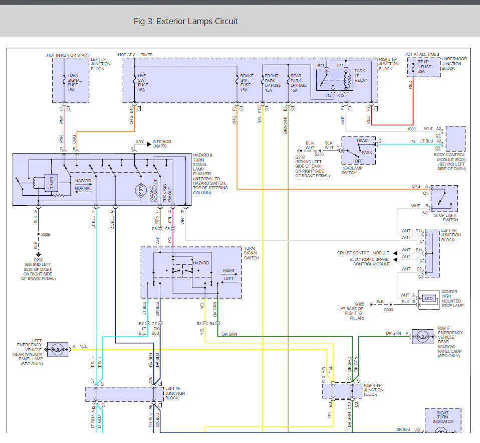
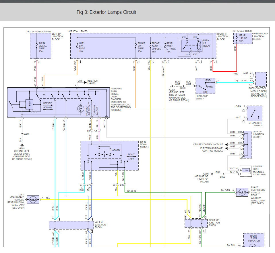
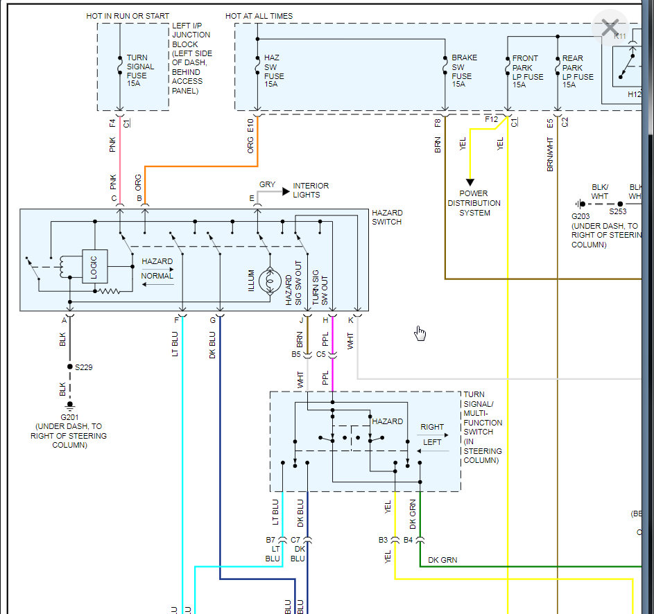
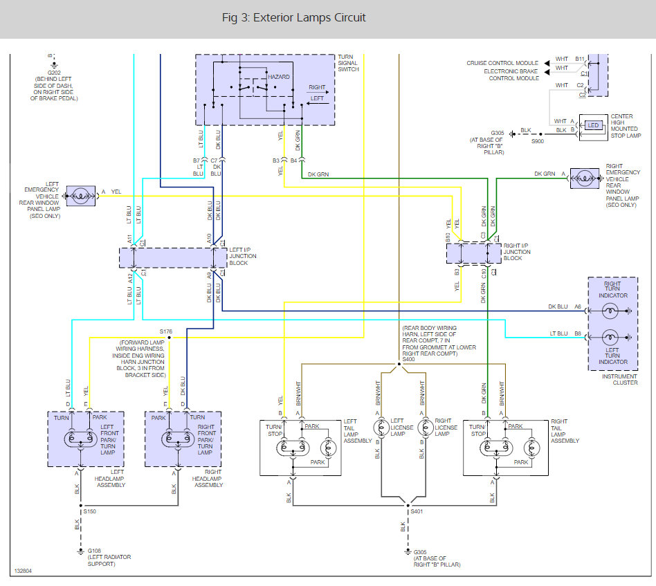
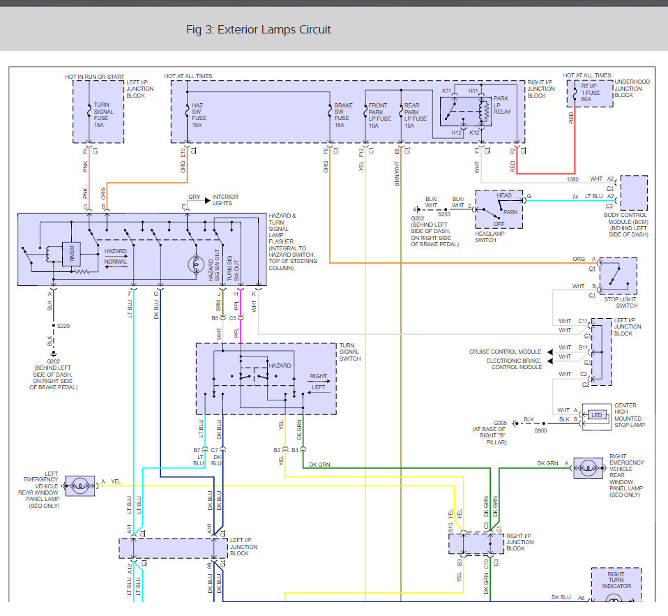
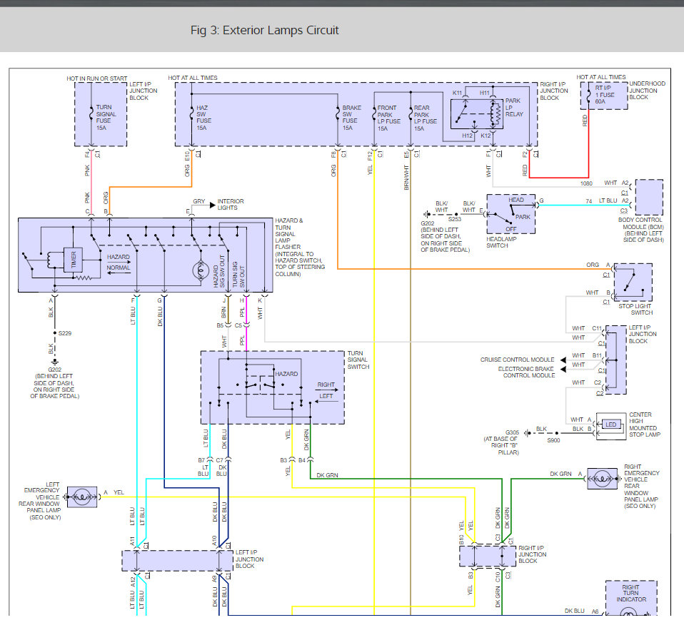
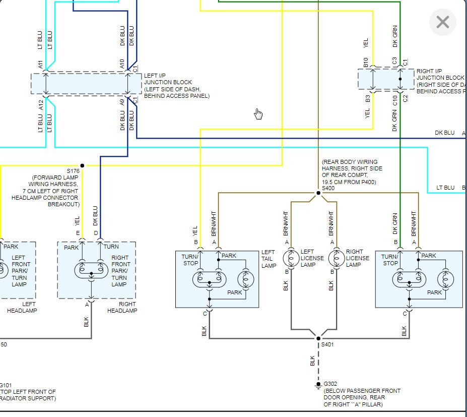
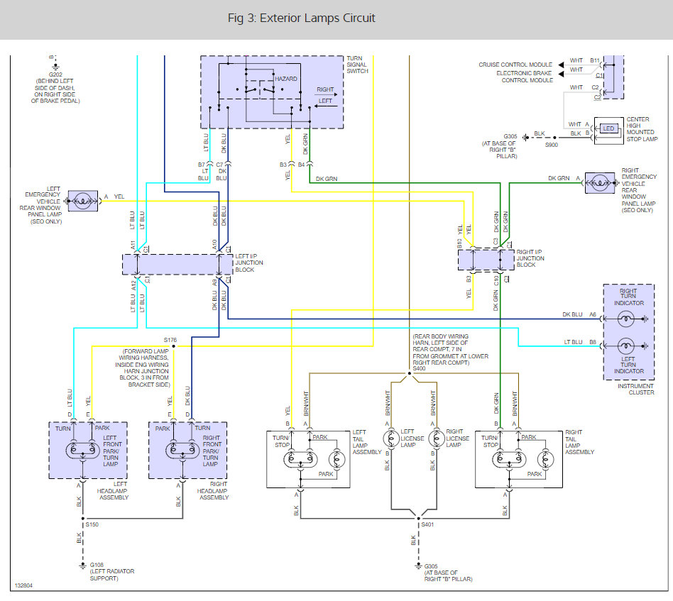
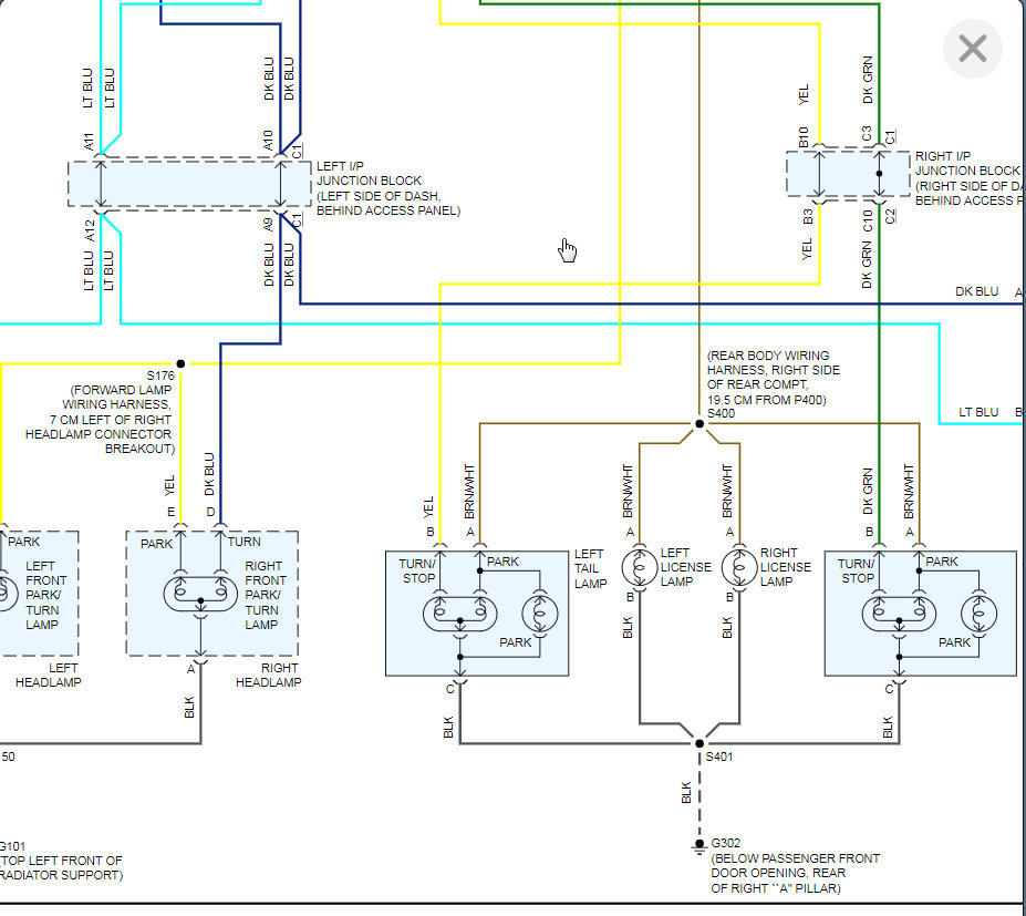
It is a black box with a 2 or 3 wire plug-in. Check out the diagrams (Below). Please let us know if you need anything else to get the problem fixed.
Was this
answer
helpful?
Yes
No
+3
Tuesday, March 10th, 2009 AT 6:55 PM
Tiny
MICHELLE STEPHENS
  • MEMBER
  • 1 POST
  • 2004 CHEVROLET IMPALA
  • 975,268 MILES
Where is the flasher relay located?
Was this
answer
helpful?
Yes
No
Monday, November 2nd, 2020 AT 3:14 PM (Merged)
Tiny
HMAC300
  • MECHANIC
  • 48,601 POSTS
Hello,

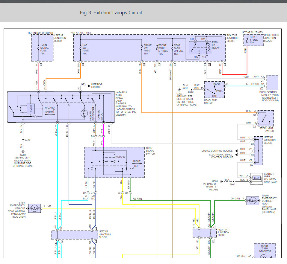
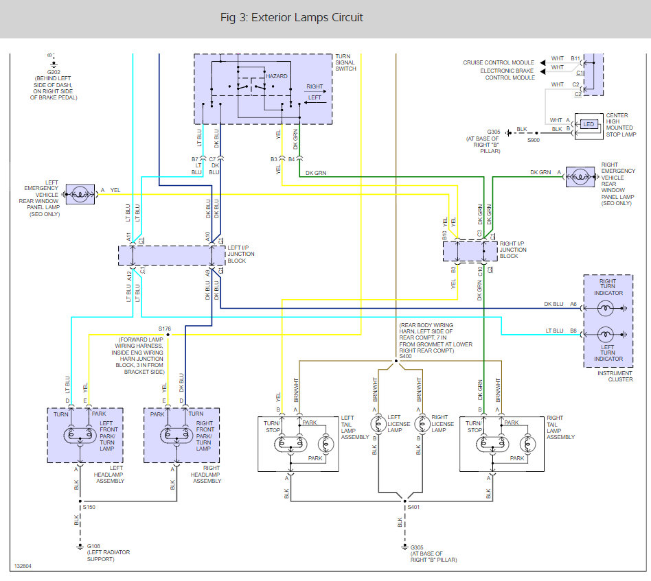
The flasher is interrogated into the hazard switch and some have a separate flasher than the Hazard switch. Located in the dash behind instrument panel cover above steering column. Check out the diagrams (Below). Please let us know if you need anything else to get the problem fixed.
Was this
answer
helpful?
Yes
No
Monday, November 2nd, 2020 AT 3:14 PM (Merged)
Tiny
WATLEYSTEVE
  • MEMBER
  • 1 POST
  • 2003 CHEVROLET IMPALA
  • 6 CYL
  • FWD
  • AUTOMATIC
  • 22,000 MILES
Inside turn signal stays on, does not flash. How do I fix it?
Was this
answer
helpful?
Yes
No
Monday, November 2nd, 2020 AT 3:15 PM (Merged)
Tiny
RHALL77
  • MECHANIC
  • 3,361 POSTS
They are either part of the hazard switch or controller by the switch.
Was this
answer
helpful?
Yes
No
+1
Monday, November 2nd, 2020 AT 3:15 PM (Merged)
Tiny
TWELVEPAWZ
  • MEMBER
  • 3 POSTS
  • 2002 CHEVROLET IMPALA
How do I access the Signal Flasher Relay? (Part of Hazard Switch?)
Was this
answer
helpful?
Yes
No
+2
Monday, November 2nd, 2020 AT 3:15 PM (Merged)
Tiny
RASMATAZ
  • MECHANIC
  • 75,992 POSTS
You have to remove the hazard switch and replace it-its built-in.
Was this
answer
helpful?
Yes
No
Monday, November 2nd, 2020 AT 3:15 PM (Merged)
Tiny
BLUELIGHTNIN6
  • MECHANIC
  • 16,542 POSTS
Take a flat head screw drive and pry the hazard button off. This will break the old switch but it will expose the part so you can get it out. Take the same Medium size flat head and slide it next to the switch at the 4 o'clock position, take a needle nose and grab the switch in the middle. By pulling on the switch and wedging the screw driver between the dash and the switch you will be able to release one side of the switch from the dash. Now without letting go of the switch with the needle nose, take the screw driver and wedge it in at the 11 o'clock position. This will release the other side of the switch. Give it a pull and the whole thing will come out of the dash. Disconnect the wires via the plug being careful not to let the wires pull back into the dash and plug in new switch. Then simply slide switch in the opening and it will click into place
Was this
answer
helpful?
Yes
No
+8
Monday, November 2nd, 2020 AT 3:15 PM (Merged)
Tiny
KINGGIRL6
  • MEMBER
  • 1 POST
I have a 2004 Impala my flashers do not shut off. I have changed the relay switch and pulled out the fuse and they're still on. What do I do? Help!
Was this
answer
helpful?
Yes
No
+1
Monday, November 2nd, 2020 AT 3:15 PM (Merged)
Tiny
KASEKENNY
  • MECHANIC
  • 18,907 POSTS
I am pretty confident that you have a wiring issue. The only way they can stay on is if they are getting power from a different source then the circuit the fuse is on.

If you can turn the flashers on and then pull the fuse, you can then test for power through the circuit until you find where you have it. Clearly you should not have any power when the fuse is pulled so when you find power then you just passed the short.

https://www.2carpros.com/articles/how-to-check-wiring

Lastly I just want to make sure you pulled the fuse for the hazard switch and not the one for the turn signals. They are different.
Was this
answer
helpful?
Yes
No
Monday, November 2nd, 2020 AT 3:15 PM (Merged)
Tiny
TWELVEPAWZ
  • MEMBER
  • 3 POSTS
  • 2002 CHEVROLET IMPALA
  • 6 CYL
  • FWD
  • AUTOMATIC
  • 61,000 MILES
Both have stopped working. Fuse? Where is it located? Is there a "flasher module"? Where is it located? Do you have any other "tips?"
Was this
answer
helpful?
Yes
No
+1
Monday, November 2nd, 2020 AT 3:15 PM (Merged)
Tiny
BLUELIGHTNIN6
  • MECHANIC
  • 16,542 POSTS
Check fuse labeled turn signal (15 amp) in the left instrument panel fuse block. Most likely it is the relay though, it is actually part of the hazard switch, left center of instrument panel.
Was this
answer
helpful?
Yes
No
+2
Monday, November 2nd, 2020 AT 3:15 PM (Merged)
Tiny
CPT87GN
  • MEMBER
  • 8 POSTS
  • 2001 CHEVROLET IMPALA
Electrical problem 6 cyl Front Wheel Drive Automatic 100119 miles

weres the flasher located on a 2001 impala 3.4
sometimes when I use the blinker it doesn't work then I push the hazard lights and the blinker works again?
Was this
answer
helpful?
Yes
No
+1
Monday, November 2nd, 2020 AT 3:15 PM (Merged)
Tiny
KEN L
  • MASTER CERTIFIED MECHANIC
  • 55,420 POSTS
The turn signal flasher is integrated into the hazard flasher and is located under the dash on the passengers side or in the hazard switch itself. Here is a wiring diagram and location (below) so you can get the problem fixed and some location and how to diagrams.

Here is a guide so you can do some testing

https://www.2carpros.com/articles/how-to-use-a-test-light-circuit-tester

Please let us know what you find.

Cheers, Ken
Was this
answer
helpful?
Yes
No
Monday, November 2nd, 2020 AT 3:16 PM (Merged)
Tiny
HOMER8544
  • MEMBER
  • 1 POST
  • 2001 CHEVROLET IMPALA
  • 6 CYL
  • FWD
  • AUTOMATIC
  • 97,000 MILES
There is a buzzing sound from turn/haz flasher when t/s is turned on. Replaced flasher, still does it. Replaced t/s switch, still does it. Hazard lights ok. Just a buzzing from the flasher when t/s are used in either direction. It does not occur all the time but when it does there is just a buzzing sound no lights or indicator lights.
Was this
answer
helpful?
Yes
No
+2
Monday, November 2nd, 2020 AT 3:16 PM (Merged)
Tiny
PETE#1
  • MEMBER
  • 1 POST
I am having the same problem 01 chev impala. New multi function switch and flasher changed nothing. Next step ignition switch?
Was this
answer
helpful?
Yes
No
+2
Monday, November 2nd, 2020 AT 3:16 PM (Merged)
Tiny
RASMATAZ
  • MECHANIC
  • 75,992 POSTS
Check and test the turn and hazard switch-turn signal circuit goes thru there before gets back there/front
Was this
answer
helpful?
Yes
No
-2
Monday, November 2nd, 2020 AT 3:16 PM (Merged)
Tiny
MIKE1955
  • MEMBER
  • 1 POST
  • 2001 CHEVROLET IMPALA
  • 6 CYL
  • 2WD
  • AUTOMATIC
  • 65,000 MILES
Cannot locate directional flasher to change it. Checked both fuse panels and under the hood.

Thank you
Was this
answer
helpful?
Yes
No
Monday, November 2nd, 2020 AT 3:16 PM (Merged)
Tiny
RHALL77
  • MECHANIC
  • 3,361 POSTS
I think it may be part of the hazard switch. What are they doing. Are all the bulbs ok?
Was this
answer
helpful?
Yes
No
+1
Monday, November 2nd, 2020 AT 3:16 PM (Merged)
Tiny
CHEVYIMP
  • MEMBER
  • 3 POSTS
I have a 2006 Chevy Impala LTZ that I put LEDs in, it fast blinks and clicks when using the left and right turn signal, but blinks and clicks normal for the hazards. I have not been able to locate the flasher relay. Please Help!
Was this
answer
helpful?
Yes
No
Friday, December 27th, 2024 AT 4:10 PM

Please login or register to post a reply.