When I went to start my car the engine would not run why?

Tiny
MPREVOST2
  • MEMBER
  • 1998 CHEVROLET IMPALA
  • 6 CYL
  • FWD
  • AUTOMATIC
  • 98,000 MILES
Randomly my car will not start the engine just turns over but not run so I can get to work can you help me fix it please?
Sunday, February 1st, 2009 AT 3:23 PM

9 Replies

Tiny
JACOBANDNICKOLAS
  • MECHANIC
  • 110,194 POSTS
This sounds like the crankshaft angle sensor or the fuel pump has gone out, when you turn the key to the on position without cranking the engine over can you hear the fuel pump run in the tank for 5 seconds?

https://www.2carpros.com/articles/car-cranks-but-wont-start

Please run down this guide and report back.
Was this
answer
helpful?
Yes
No
Thursday, February 5th, 2009 AT 1:48 PM
Tiny
WLLG73
  • MEMBER
  • 1 POST
  • 1996 CHEVROLET IMPALA
1996 Chevy Impala Two Wheel Drive Automatic 120000 miles

My car would start and run fine for about 2 minutes at a time. Then the car would shut down and would not start again for a day or two. I replaced my plugs, wires, ignition coil, and opti spark and distributor. I know my car has run out of gas a few times in the last year because my floater is not accurate. 4 or 5 times really. How do I find out exactly what is wrong with my car so that I can fix it and move on without it taking money out of my childrens mouth?
Was this
answer
helpful?
Yes
No
Saturday, March 6th, 2021 AT 4:36 PM (Merged)
Tiny
MHPAUTOS
  • MECHANIC
  • 31,937 POSTS
Hi there,

Thank you for the donation,

When it wont start you will have to do a few check, spark, injection pulse, fuel pressure and flow if you can, this will give us a better idea as to what the problem is, also a scan for any unresolved fault codes will b a big help, start here, and report your findings for further assistance.

Mark (mhpautos)
Was this
answer
helpful?
Yes
No
Saturday, March 6th, 2021 AT 4:36 PM (Merged)
Tiny
PARTSGURU13
  • MEMBER
  • 2 POSTS
  • 1996 CHEVROLET IMPALA
  • 5.7L
  • V8
  • 2WD
  • AUTOMATIC
  • 78,000 MILES
Last time I drove it (about two years ago) car started acting like it was running out of fuel. After letting it sit for about half hour, ran fine for me to get it home. Finally got to this project about two weeks ago, and replaced the fuel pump, filter, regulator, opti, crank sensor, as well as new injectors. Car will fire right up with starting fluid, and can occasionally get a throttle response when just starting, but mostly it will either just crank or fire and shut off. Where do I go from here?
Was this
answer
helpful?
Yes
No
Saturday, March 6th, 2021 AT 4:36 PM (Merged)
Tiny
JACOBANDNICKOLAS
  • MECHANIC
  • 110,194 POSTS
Hi and thanks for using 2CarPros. Com.

If it starts with starting fluid, then the problem is fuel related. I first need you to confirm the fuel pressure is within the manufacturer's specs. I have attached the directions from alldata for your review. Additionally, there are diagnostic flow charts attached as pictures.

_____________________________________________

CONVERSION CALCULATOR

1996 Chevrolet Impala SS V8-350 5.7L VIN P SFI
Vehicle  Engine, Cooling and Exhaust  Engine  Fuel Pressure  Testing and Inspection
TESTING AND INSPECTION
Fuel System

Legend

(1) J 34731A Fuel Pressure Gauge

(2) Fuel Pressure Gauge Bleed Hose

(3) Feed Pipe

(4) Return Pipe

(5) J37287 Fuel Line Shut-off Adapters

CIRCUIT DESCRIPTION
When the ignition switch is turned ON, the Powertrain Control Module (PCM) will turn ON the in-tank fuel pump. The in-tank fuel pump will remain ON as long as the engine is cranking or running and the PCM is receiving reference pulses. If there are no reference pulses, the PCM will turn the in-tank fuel pump OFF 2 seconds after the ignition switch is turned ON or 2 seconds after the engine stops running.

The in-tank fuel pump is an electric pump within an integral reservoir. The in-tank fuel pump supplies fuel through an in-pipe fuel filter to the fuel rail assembly. The fuel pump is designed to provide fuel at a pressure above the pressure needed by the fuel injectors. A fuel pressure regulator, attached to the fuel rail, keeps the fuel available to the fuel injectors at a regulated pressure. Unused fuel is returned to the fuel tank by a separate fuel return pipe. The fuel pump test connector is located near the A/C accumulator.

TEST DESCRIPTION
Number(s) below refer to the step number(s) on the Diagnostic Table.
When the ignition switch is ON and the fuel pump is running, the fuel pressure indicated by the fuel pressure gauge should be 284-325 kPa (41-47 psi). This pressure is controlled by spring pressure inside the fuel pressure regulator.
A fuel system that can not maintain a constant fuel pressure has a leak in one or more of the following areas:
The fuel pump check valve.
The fuel pump feed hose.
The valve or valve seat within the fuel pressure regulator.
The fuel injector(s).

Fuel pressure that drops-off during acceleration, cruise or hard cornering may cause a lean condition. A lean condition can cause a loss of power, surging, or misfire. A lean condition can be diagnosed using a scan tool. If an extremely lean condition occurs, the heated oxygen sensors(s) will stop toggling. The heated oxygen sensor output voltage(s) will drop below 300 mV. Also, the fuel injector pulse width will increase.
IMPORTANT: Make sure the fuel system is not operating in the Fuel Cut-Off Mode. This can cause false indications by the scan tool.

When the engine is at idle, the manifold pressure is low (high vacuum). This low pressure (high vacuum) is applied to the fuel pressure regulator diaphragm. The low pressure (high vacuum) will offset the pressure being applied to the fuel pressure regulator diaphragm by the spring inside the fuel pressure regulator. When this happens, the result is lower fuel pressure. The fuel pressure at idle will vary slightly as the barometric pressure changes, but the fuel pressure at idle should always be less than the fuel pressure noted in Step 2 with the engine OFF.
A rich condition may result from the fuel pressure being above 325 kPa (47 psi). A rich condition may cause DTC P0132, DTC P0152, DTC P0172 or DTC P0175 to set. Driveability conditions associated with rich conditions can include hard starting (followed by black smoke) and a strong sulfur smell in the exhaust.
This test determines if the high fuel pressure is due to a restricted fuel return pipe or if the high fuel pressure is due to a faulty fuel pressure regulator.
A lean condition may result from the fuel pressure being below 284 kPa (41 psi). A lean condition may cause DTC P0131, DTC P0151, DTC P0171 or DTC P0174 to set. Driveability conditions associated with lean conditions can include hard starting (when the engine is cold), hesitation, poor driveability, lack of power, surging, and misfiring.
Restricting the fuel return pipe with the J 37287 fuel pipe shut-off adapter causes the fuel pressure to rise above the regulated fuel pressure. Using a scan tool to pressurize the system, the fuel pressure should rise above 325 kPa (47 psi) as the valve on the fuel pipe shut-off adapter connected to the fuel return pipe becomes partially closed.
NOTICE: Do not allow the fuel pressure to exceed 414 kPa (60 psi). Fuel Pressure in excess of 414 kPa (60 psi) may damage the fuel pressure regulator.

Check the spark plug associated with a particular fuel injector for fouling or saturation in order to determine if that particular fuel injector is leaking. If checking the spark plug associated with a particular fuel injector for fouling or saturation does not determine that a particular fuel Injector is leaking, use the following procedure:
Remove the fuel rail, but leave the fuel pipes connected to the fuel rail. Refer to Fuel Rail Assembly.
Lift the fuel rail just enough to leave the fuel injector nozzles in the fuel injector ports.
WARNING: In order to reduce the risk of fire and personal injury that may result from fuel spraying on the engine, verify that the fuel rail is positioned over the fuel injector ports, and verify that the fuel injector retaining clips are intact.
Pressurize the fuel system by using the scan tool fuel pump enable.
Visually and physically inspect the fuel injector nozzles for leaks.
The fuel pressure regulator filter screen is designed to trap any contaminants introduced during engine assembly. If the fuel pressure regulator screen is dirty, it can be removed with a small pick and discarded without potential harm to the fuel pressure regulator.

__________________________

Let me know if this helps or if you have other questions.

Take care,
Joe
Was this
answer
helpful?
Yes
No
Saturday, March 6th, 2021 AT 4:36 PM (Merged)
Tiny
PARTSGURU13
  • MEMBER
  • 2 POSTS
Fuel pressure is between 0 and 7 psi. Should be at about 41-47 psi.
Was this
answer
helpful?
Yes
No
Saturday, March 6th, 2021 AT 4:36 PM (Merged)
Tiny
JACOBANDNICKOLAS
  • MECHANIC
  • 110,194 POSTS
Hi again It sounds like you found the problem. Here are directions for replacing the fuel pump:

REMOVAL PROCEDURE
Disconnect the negative battery cable.
Perform the Fuel Pressure Release Procedure.
Drain the fuel tank.
Remove the fuel tank.
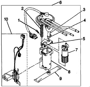
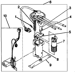
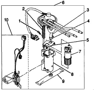
Remove the fuel sender assembly:
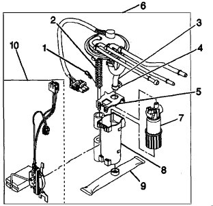
Remove the fuel sender assembly retaining nuts (1), the retaining ring (2), the fuel sender assembly (3), and the gasket (4). Discard the gasket.
Clean the gasket sealing surfaces.
IF REPLACING THE ENTIRE UNIT PROCEED TO INSTALLATION STEP 10.

Note the position of the fuel strainer (9) on the fuel pump (7).
Support the fuel sender assembly (6) with one hand and grasp the strainer (9) with the other hand.
Rotate the strainer in one direction and pull the strainer off the pump. Discard the strainer after inspection.
Inspect the strainer. Replace a contaminated strainer and clean the fuel tank.
Inspect the fuel pump inlet for dirt and debris.
If found, replace the fuel pump.
If the fuel pump is being replaced, proceed to Step 12.
Loosen the clamp (4) and remove the fuel feed hose (3) from the fuel pump outlet.
Remove the terminal retainer.
Disconnect the fuel pump electrical connector and the electrical connector from the bottom of the sender cover.
Remove the retainer clip (1) from the fuel return pipe.
Remove the fuel pump and fuel level sensor assembly and the spring (2) from the fuel sender.
Remove the housing cover (5) from the fuel pump housing (8).
Remove the fuel pump (7) from the fuel pump housing (8).
CAUTION: Do Not run the fuel pump unless the fuel pump is submerged in fuel.

If the fuel level sensor is being replaced, proceed to Step 20.
Slide the fuel level sensor (10) from the retainers on the fuel pump housing (8).
INSTALLATION PROCEDURE
Install the fuel level sensor (10) to the fuel pump housing (8).
Install the fuel pump (7) and the isolator into the fuel pump housing (8).
Important: The small hole in the housing cover (5) aligns over the fuel level sensor (10).

Install the housing cover (5) to the fuel pump housing (8).
Important: The fuel pump and fuel level sensor assembly must be aligned directly under the fuel sender cover.

Slide the fuel pump and fuel level sensor assembly and spring (2) onto the fuel return pipe.
Compress the spring (2) and install the retainer clip (1) through the fuel return pipe.
Connect the fuel feed hose (3) to the fuel pump outlet.
Tighten the clamp (4) so that 5 to 8 teeth are engaged.
Connect the fuel pump electrical connector and the electrical connector to the bottom of the sender cover.
Install the terminal retainer.
Important: Always install a new pump strainer when replacing the fuel pump.

Install a new fuel pump strainer in the same position as noted during disassembly.
Push on the outer edge of the strainer ferrule until the strainer is fully seated.
Install the fuel sender assembly:
Position the new gasket (4) on the fuel tank (5).
Important: Do Not fold over or twist the fuel pump strainer when installing the fuel sender assembly as this will restrict fuel flow. Also, assure that the fuel pump strainer does not block full travel of the float arm.

Install the fuel sender assembly (3), the retaining ring (2), and the fuel sender retaining nuts (1).
Tighten
Nuts alternately and evenly to 3 Nm (27 lb. In).

Install the fuel tank.
Add fuel.
Install the fuel filler cap.
Connect the negative battery cable.
Inspect for leaks.
Turn the ignition switch ON for 2 seconds.
Turn the ignition switch OFF for 10 seconds.
Turn the ignition switch ON.
Check for fuel leaks.

__________________________________________________

I hope this helps. Let me know how things turn out for you or if you have other questions.

Take care,
Joe
Was this
answer
helpful?
Yes
No
Saturday, March 6th, 2021 AT 4:36 PM (Merged)
Tiny
TERRENCE05
  • MEMBER
  • 1 POST
  • 1994 CHEVROLET IMPALA
  • 5.7L
  • V8
  • AUTOMATIC
  • 128,000 MILES
Just got head gaskets replaced and a new battery. It cranks but won't turn over and now the battery has died. Any ideas?
Was this
answer
helpful?
Yes
No
Saturday, March 6th, 2021 AT 4:38 PM (Merged)
Tiny
SCGRANTURISMO
  • MECHANIC
  • 4,897 POSTS
Hello,

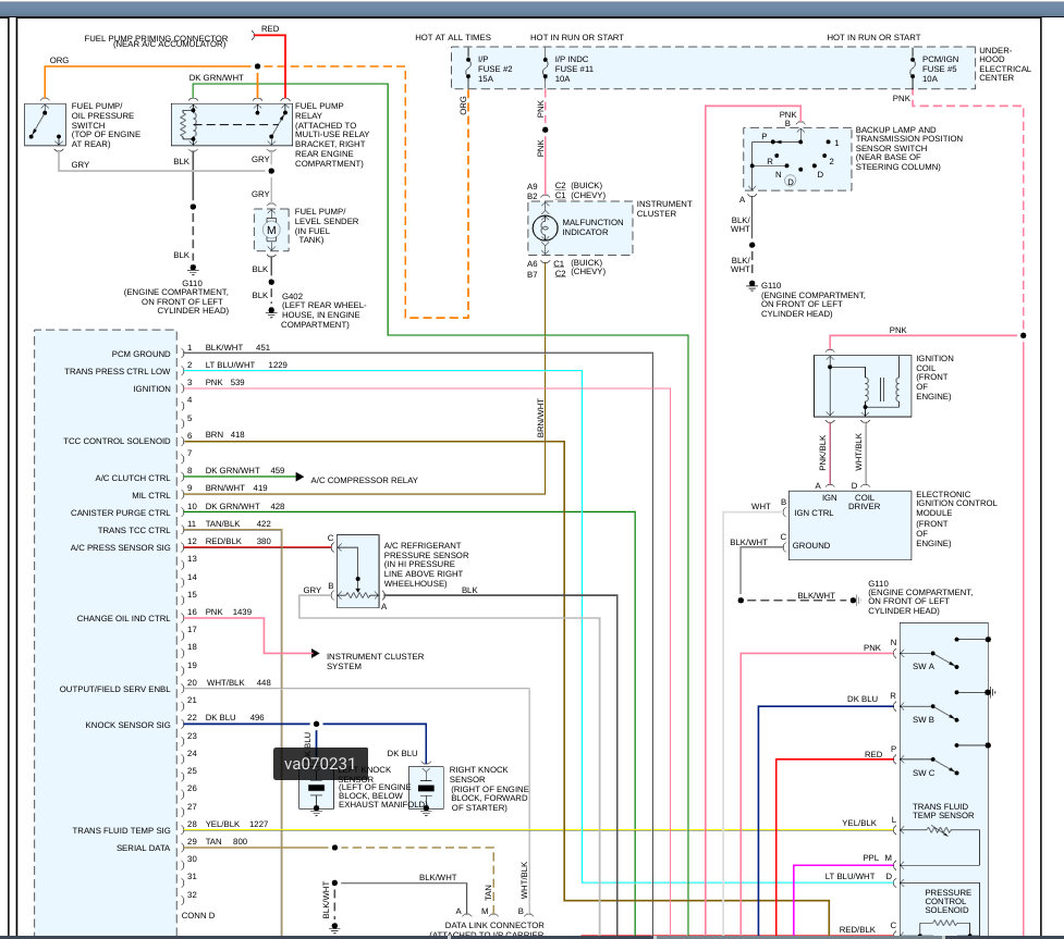
This sounds like you could have a problem with the Camshaft Position Sensor [CMP] on your vehicle. In the diagrams down below I have included a description the CMP's operation on your vehicle as well as the Engine Management wiring diagrams for your reference as well. Please go through these diagrams, check your vehicle's CMP and get back to us with what you are able to find out.

Thanks,
Alex
2CarPros
Was this
answer
helpful?
Yes
No
Saturday, March 6th, 2021 AT 4:38 PM (Merged)

Please login or register to post a reply.