Sunday, November 1st, 2009 AT 7:57 PM
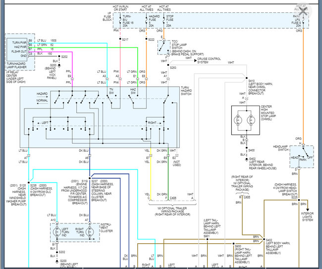
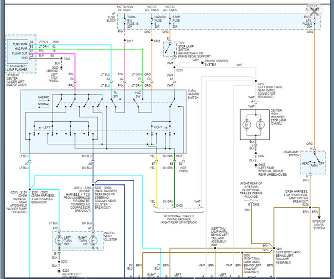
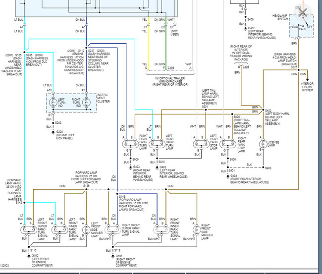
When just the daytime running lights are on all lights around the van work properly. When I turn on the headlights and step on the brakes the back brake lights go out but the third brake light works properly. My mechanic has replaced the headlight switch assembly and the brake light switch to no avail. He now tells me that the multi function switch in the steering column must be the problem. He already has 9 hours of labor in the van and this new switch costs over 300 dollars. I was able to return the first switches but the dealer tells us that once this switch is in it cannot be returned. Do you have any ideas on this problem.




