Passenger door does not lock when you push the button?

Tiny
GREY24
  • MEMBER
  • 2005 CHEVROLET EQUINOX
  • 6 CYL
  • FWD
  • AUTOMATIC
  • 65,000 MILES
Passenger door does not lock when you push the button but it locks the other doors when you push the lock button
Tuesday, December 29th, 2009 AT 11:10 AM

1 Reply

Tiny
SQM
  • MECHANIC
  • 6,383 POSTS
Hello,

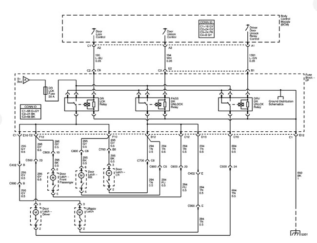
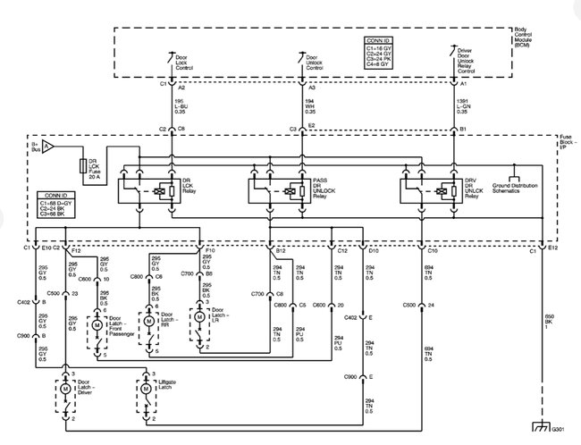
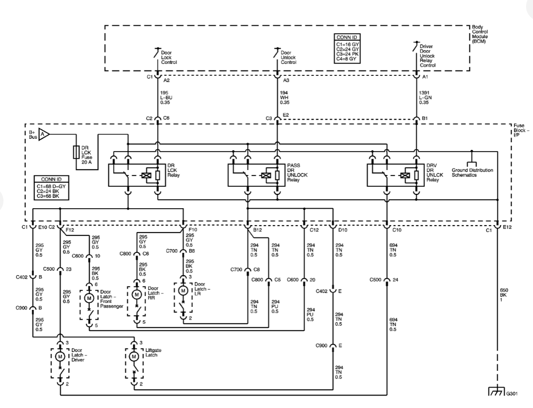
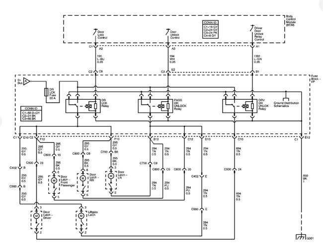
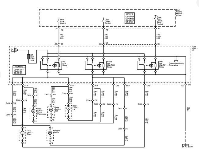
This sounds like you have a faulty door lock actuator on that passenger side door.
The actuator is what controls the locking and unlocking function when the button gets pressed. It is an electrical component and can go bad overtime.
Another possibility is to have bad wiring to the actuator, which can prevent the actuator getting the power to operate or getting signal to function.

https://www.2carpros.com/articles/how-to-check-wiring

In order to access the actuator, the door panel needs to be removed.

Here is a helpful guide:

https://www.2carpros.com/articles/door-panel-removal

I have attached the wiring schematics below for your reference.

Please let me know if you have any questions.
Thank you.
Was this
answer
helpful?
Yes
No
Wednesday, December 8th, 2021 AT 9:43 AM

Please login or register to post a reply.