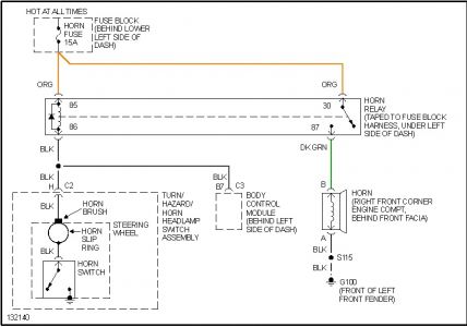
Friday, October 15th, 2010 AT 11:06 AM
I hit my horn on the steering wheel a couple of times. Now my horn doesn't work. I've checked the fuse nothing was wrong with the fuse. I know I did something to it by hitting it on the steering wheel. Help how can I get my horn back to working.







